Запчасти Case IH MAGNUM 210 (55.100.03[01]) - HARNESS, CHASSIS, WITH CONTINUOUSLY VARIABLE TRANSMISSION (55) - ELECTRICAL SYSTEMS

Схема запчастей Case IH MAGNUM 210 - (55.100.03[01]) - HARNESS, CHASSIS, WITH CONTINUOUSLY VARIABLE TRANSMISSION (55) - ELECTRICAL SYSTEMS
6
25
21
14
4
17
27
13
16
19
11
28
9
5
12
26
30
a
home
20
b
7
2
18
3
29
24
22
8
15
10
a
23
FIT
1:1
100%

Артикул

Название

Примечание

Количество

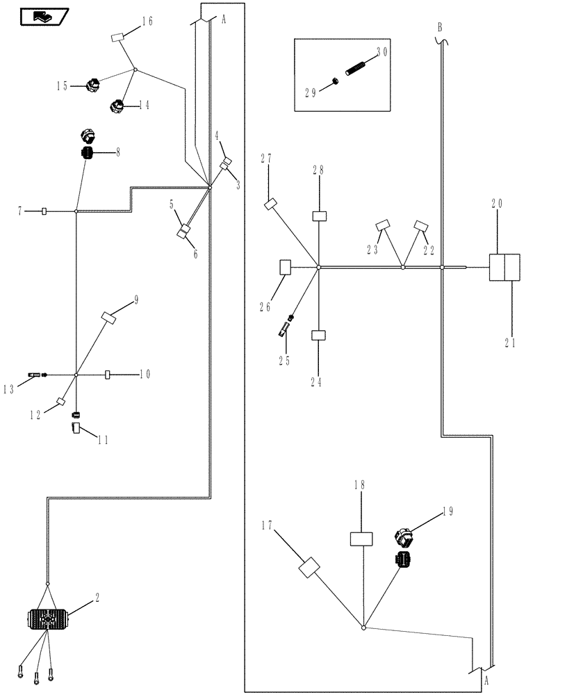
1

84233281

HARNESS

Chassis, Inc. 2 - 28

1шт.

2

437552A1

ELEC CONNECTOR,Female, 102 Pin

102 Pin, 10M To Cab Harness

1шт.

3

280451A1

CONNECTOR,ELECTRIC

6 Pin, 601 Calibration Connector

1шт.

4

280453A1

ELEC CONNECTOR,Male, 6 Pin

Cavity Plug

1шт.

5

87382907

WIRE CONNECTOR,Male

2 Pin, 706 ISO Can

1шт.

6

87382906

WIRE CONNECTOR,Female, 2 Cavities

Cavity Plug

1шт.

7

82028493

MULTIPOLE CONNECTOR,Female, 26 Pole

26 Pin, 92

1шт.

8

82028495

MULTIPOLE CONNECTOR,Female, 34 Pole

34 Pin, 93

1шт.

9

87382918

WIRE CONNECTOR,Female, 6 Cavities

6 Pin, 397F Right Fender harness

1шт.

10

82028494

ELEC CONNECTOR

26 Pin, 91

1шт.

11

225351C1

ELEC CONNECTOR,Female, 6 Pin

6 Pin, 20M Right Fender Harness

1шт.

12

87695723

ELEC CONNECTOR,Male , 3 Pole

3 Pin, 315F Right Fender Hitch Control

1шт.

13

182064A1

CONNECTOR, ELEC

CONNECTOR 1 Pin, 41F Right Fender Harness

1шт.

14

87691974

MULTIPOLE CONNECTOR,Female, 26 Pole

26 Pin, 97

1шт.

15

82016219

MULTIPOLE CONNECTOR,Female, 26 Pole

26 Pin, 94

1шт.

16

82016220

ELEC CONNECTOR

34 Pin, 95

1шт.

17

82028493

MULTIPOLE CONNECTOR,Female, 26 Pole

26 Pin, 99

1шт.

18

82028494

ELEC CONNECTOR

26 Pin, 98

1шт.

19

82028495

MULTIPOLE CONNECTOR,Female, 34 Pole

34 Pin, 100

1шт.

20

87382926

WIRE CONNECTOR,Female, 14 Cavities

14 Pin, 294M ISO

1шт.

22

82016220

ELEC CONNECTOR

34 Pin, 101

1шт.

23

82028494

ELEC CONNECTOR

26 Pin, 102

1шт.

24

87382919

WIRE CONNECTOR,Male, 6 Cavities

6 Pin, 21M Right Fender Harness

1шт.

25

182064A1

CONNECTOR, ELEC

CONNECTOR 1 Pin, 40F Left Fender Harness

1шт.

26

87699386

MULTIPOLE CONNECTOR,Female, 24 Pole

24 Pin, 700 EPL

1шт.

27

87382921

WIRE CONNECTOR,Male

6 Pin, 396 Left Fender Harness

1шт.

28

87695723

ELEC CONNECTOR,Male , 3 Pole

3 Pin, 314F Left Fender Hitch Control

1шт.

29

84228473

STUD

2 Pin, 701 Backup Alarm

1шт.

30

829-2412

FLANGE NUT,M12 x 1.75, Flg, Cl 10

7 Pin, 253 Trailer Socket

1шт.

Выбрано товаров: 29