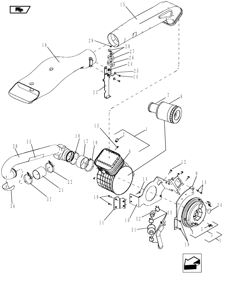
Запчасти Case IH MAGNUM 210 (10.202.01) - ENGINE AIR CLEANER ASSEMBLY (10) - ENGINE

Схема запчастей Case IH MAGNUM 210 - (10.202.01) - ENGINE AIR CLEANER ASSEMBLY (10) - ENGINE
24
13
28
4
19
33
8
22
10
1
32
18
31
26
6
19
35
17
2
16
34
21
27
12
14
9
36
7
5
1
20
home
15
29
14
11
14
3
23
25
37
18
FIT
1:1
100%

Артикул

Название

Примечание

Количество

1

87517150

AIR FILTER,127mm ID x 347mm OD x 481.5mm L

Complete Assembly, Inc. 2 - 6

1шт.

When Ordering 87517150, You Should Get Decal PN 87497047 as Well to Place on the Cover for Correct Orientation.

1шт.

2

5138821

INDICATOR

Electrical

1шт.

3

87517152

COVER

Assembly, Inc. 4 - 5

1шт.

When Ordering 87517152, You Should Get Decal 87497047 to Place on the Cover for Correct Orientation.

1шт.

4

NSS

NOT SOLD SEPARAT

COVER, End

1шт.

5

NSS

NOT SOLD SEPARAT

LATCH, Assembly

1шт.

6

NSS

NOT SOLD SEPARAT

BODY

1шт.

7

87517153

AIR FILTER,142.3mm ID x 150.9mm OD x 258mm L

Safety

1шт.

8

87517154

AIR FILTER,281.6mm ID x 284.4mm OD x 319mm L

Main

1шт.

9

84182807

BRACKET

Air Cleaner Support, Left Hand

1шт.

10

84228401

BRACKET

Air Cleaner Support, Right Hand

1шт.

11

87751851

BRACKET

With Air Cleaner Support, Right Hand

1шт.

12

844-10020

BOLT,Hvy Hex, M10 x 20mm, Cl 8.8

4шт.

13

93199C1

FASTENER

Ratchet

2шт.

14

844-8025

BOLT,Hvy Hex, M8 x 25mm, Cl 8.8

6шт.

15

84122739

AIR DUCT

Rear Intake

1шт.

16

87307977

AIR DUCT

Front Intake

1шт.

17

84535277

INTAKE AIR HOSE

127mm ID x 65mm Wide

1шт.

18

214-3288

HOSE CLAMP,4-3/4" - 5-5/8", HD Worm, W/ Liner

2шт.

19

844-8030

BOLT,Hex, M8 x 1.25 x 30mm, Cl 8.8

4шт.

20

84286971

AIR DUCT

Clean Air

1шт.

21

84193609

HOSE,101.60 mm ID x 120.00 mm, SAE J20R1 HT Class A

Duct to Turbo

1шт.

22

87652890

CLAMP,4.12" - 4.44"

1шт.

23

87758975

BRACKET

With Air Duct Support

1шт.

24

86400620

ISOLATOR

2шт.

25

86549853

WASHER,8.4mm ID x 28mm OD x 3mm Thk

2шт.

26

1546027C1

CLAMP

Hydraulic Tube 19.05 x 19.05

1шт.

27

410573A1

CLAMP

Hydraulic Tube 12.7 x 9.52

1шт.

28

515-24238

CLAMP,15/16", Insul, 7/16" Bolt

2шт.

29

825-2408

FLANGE NUT,M8 x 1.25, Flg, Cl 8

1шт.

30

84123096

HOSE,38.10 mm ID x 415.70 mm, SAE 20R1 OR 20R4 CLASS-D1

Aspirator, Upper

1шт.

31

284427A1

VALVE

Aspirator Check

1шт.

32

414194A1

HOSE

Aspirator Exhaust

1шт.

33

214-1424

HOSE CLAMP,#24, 1.06" - 2", Type F Worm

4шт.

34

87497047

DECAL

Air Cleaner Cover

1шт.

35

84192179

SHIELD

Heat Shield

1шт.

36

87470727

HEAT SHIELD

Exhaust Manifold

1шт.

37

87652891

CLAMP,4.44" - 4.75"

1шт.

Выбрано товаров: 39