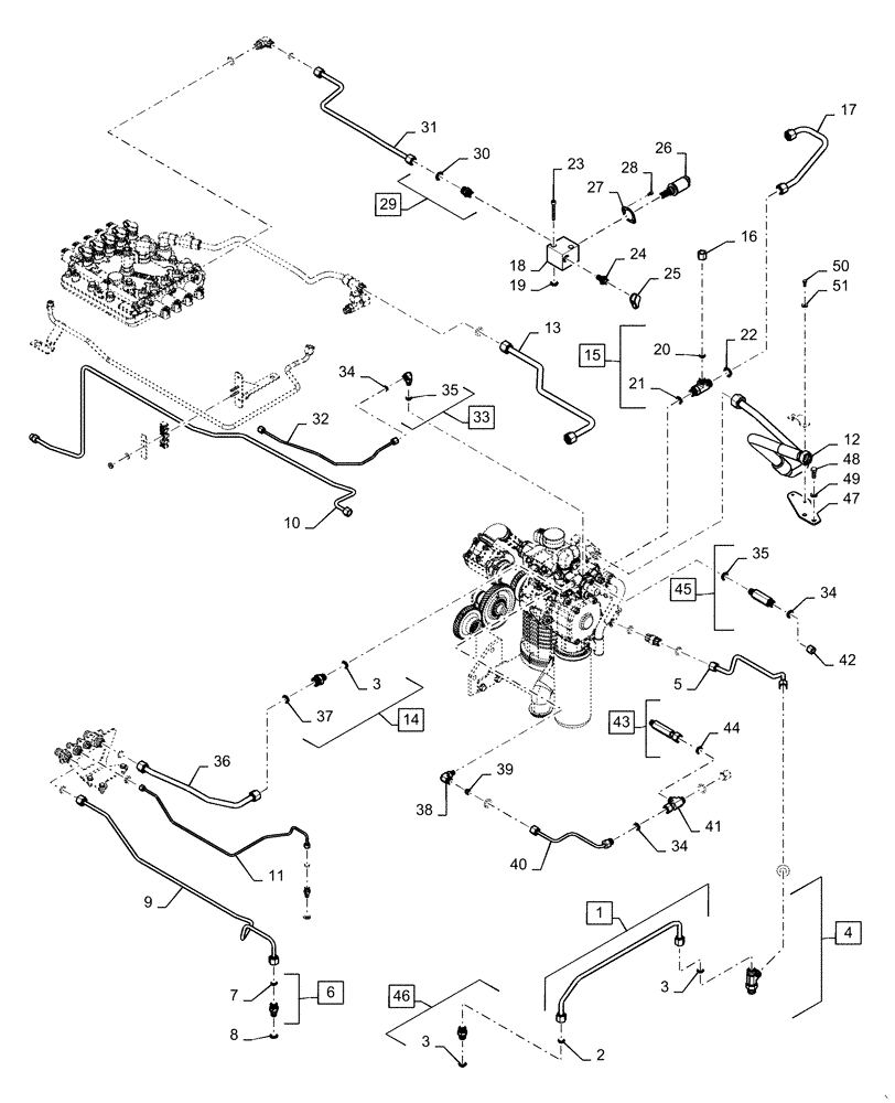
Запчасти Case IH MAGNUM 220 (21.105.BL[03]) - VAR- 429326, 729571 - TRANSMISSION LUBRICATION LINES - POWERSHIFT - BSN ZERH08099 (21) - TRANSMISSION

Схема запчастей Case IH MAGNUM 220 - (21.105.BL[03]) - VAR- 429326, 729571 - TRANSMISSION LUBRICATION LINES - POWERSHIFT - BSN ZERH08099 (21) - TRANSMISSION
13
38
46
18
24
21
34
8
51
3
1
42
29
30
41
14
34
4
33
32
17
47
15
49
40
16
23
22
9
10
35
43
26
19
2
12
48
20
28
36
6
7
5
37
27
45
35
25
34
31
11
44
50
3
39
3
FIT
1:1
100%

Артикул

Название

Примечание

Количество

1

84554416

HYD TUBE

Lube; Incl 2, 3

1шт.

2

9992298

O-RING,0.07" Thk x 0.489" ID, -14, Cl 6, 90 Duro

3шт.

3

86598101

O-RING,2.2mm Thk x 15.3mm ID, Cl 6, 90 Duro

4шт.

4

47563780

RUN TEE

13/16-16 ORFS-M18X1.5; Incl 2, 3

1шт.

5

84554418

HYD TUBE

Lube

1шт.

6

47131549

FITTING,M12 x 1.5

M12 x 1.25; Incl 7

2шт.

7

5185510

O-RING,1.78mm Thk x 9.25mm ID, 85 Duro

2шт.

8

5183780

SEALING WASHER,9.73mm ID x 18mm OD x 1.5mm Thk

2шт.

9

47433595

PIPE

LH, Brake

1шт.

10

47366080

PIPE

Front Diff Lock

1шт.

11

47433597

PIPE

RH, Brake

1шт.

12

84597316

PIPE

Delivery Remotes

1шт.

13

84597328

PIPE

Manifold Supply

1шт.

14

86579679

HYD CONNECTOR,1"-14 ORFS x M18 x 1.5 ORB

Incl; 3, 37

1шт.

15

47136372

HYD CONNECTOR,M22 x 1.5 x 88.5mm L

M22 x 1.5 x 1-14; Incl 20 - 22

1шт.

16

9840575

CAP,13/16" - 16 ORFS

1шт.

17

84597338

PIPE

Discharge

1шт.

18

5198675

BODY

Valve

1шт.

19

14457080

O-RING,0.103" Thk x 0.487" ID, -112, Cl 5, 75 Duro

1шт.

20

5185512

O-RING,0.07" Thk x 0.614" ID, -16, Cl 6, 90 Duro

1шт.

21

5185510

O-RING,1.78mm Thk x 9.25mm ID, 85 Duro

1шт.

22

14438085

O-RING,19.3mm ID x 2.4mm

1шт.

23

14308924

HEX SOC SCREW,M8 x 1.25 x 60mm, Cl 8.8

1шт.

24

5185424

DUST CAP,11.5mm ID x 81.5 L, Black

Quick Coupling

4шт.

25

5185423

COUPLING

Male, Quick Coupling

4шт.

26

84273815

SOLENOID VALVE,12V DC, 7.3Ohm

1шт.

27

5194826

BRACKET

Valve Solenoid

1шт.

28

14305124

HEX SOC SCREW,M6 x 12mm, Cl 8.8, Full Thd

1шт.

29

5194065

HYD CONNECTOR,M18 x 1.5 x 36mm

M8X1.5 ORB X 13/16-16; Incl 30

1шт.

30

14437885

O-RING,13.30mm ID x 2.40mm

1шт.

31

47582362

HYD TUBE

Inlet Clutch 50 KPH

1шт.

32

47433585

PIPE

LS Steering To Valve

1шт.

33

84431522

ELBOW,90 Degree, 9/16"-18 ORFS x M12 x 1.5 ORB

Incl 34, 35

1шт.

34

9825770

O-RING,0.07" Thk x 0.301" ID, -11, Cl 6, 90 Duro

3шт.

35

86598098

O-RING,2.2mm Thk x 9.3mm ID, Cl 6, 90 Duro

2шт.

36

84597363

PIPE

Delivery Valve

1шт.

37

9992069

O-RING,0.07" Thk x 0.614" ID, -16, Cl 6, 90 Duro

1шт.

38

47126658

90 ELBOW,9/16"-18 ORFS x 7/16"-20

7/16-20 x 9/16-18

1шт.

39

47126655

FILTER STRAINER

w/Filter

1шт.

40

47644326

PIPE

LS Pump

1шт.

41

83961945

TEE,9/16"-18 ORFS x 9/16"-18 Fem Sw Run

Incl 34

1шт.

42

87668376

CAP,9/16"-18 Inch THD

-4 ORFS

1шт.

43

47456482

HYD CONNECTOR

M12 x 1.5 x 9/16-18; Incl 44

1шт.

44

14437685

O-RING,9.30mm ID x 2.40mm

1шт.

45

84270265

FITTING,M12 x 1.5 x 9/16"-18

M12 x 1.5 x 9/16-18; Incl 34, 35

1шт.

46

47563782

FITTING

STR-8 ORFS-M18X1.5; Incl 2, 3

1шт.

47

47491059

BRACKET

Hyd Tube Support

1шт.

48

412159

BOLT,Hex, M10 x 1.25 x 25mm, Cl 8.8, Full Thd

2шт.

49

86624176

WASHER,11mm ID x 20mm OD x 2mm Thk

2шт.

50

86508568

BOLT,Hex, M6 x 1 x 16mm, Cl 8.8

2шт.

51

86588450

WASHER,6.6mm ID x 12mm OD x 1.6mm Thk

2шт.

Выбрано товаров: 51