Запчасти Case IH MAGNUM 225 (14.100.05) - POWER TAKEOFF SHIELDS CAT III, WITH POWERSHIFT TRANSMISSION (14) - MAIN GEARBOX & DRIVE

Схема запчастей Case IH MAGNUM 225 - (14.100.05) - POWER TAKEOFF SHIELDS CAT III, WITH POWERSHIFT TRANSMISSION (14) - MAIN GEARBOX & DRIVE
14.102.04 03
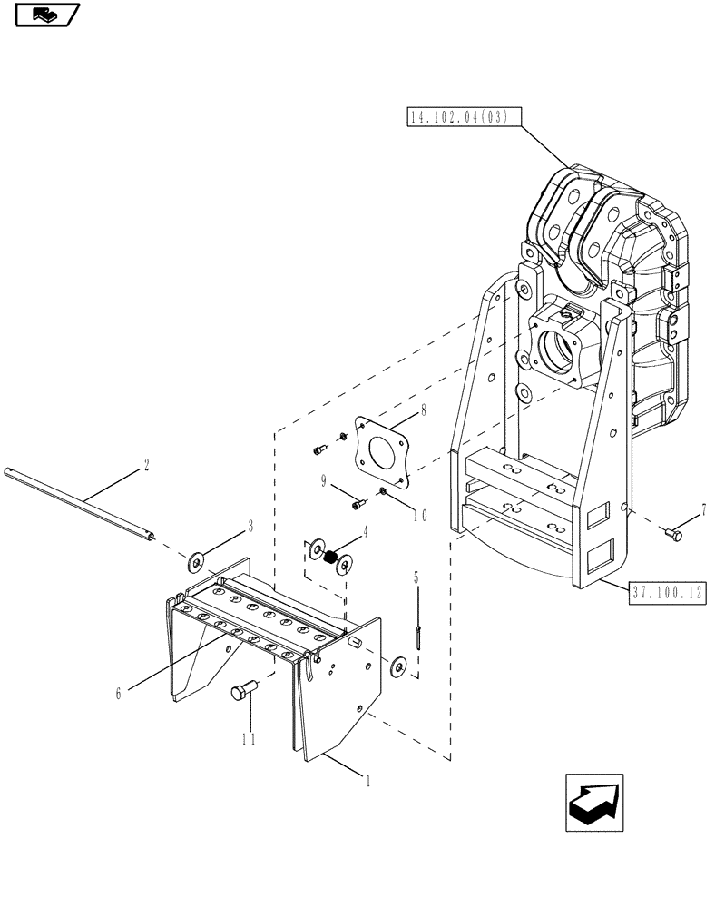
7
9
6
5
4
3
1
8
37.100.12
11
10
2
home
14.102.04(03)
FIT
1:1
100%

Артикул

Название

Примечание

Количество

1

84159131

PLATE

2шт.

2

84266865

ROD

410 mm (16.14 in) Long

1шт.

3

495-21069

WASHER,5/8"

4шт.

4

179657A2

SPRING

1шт.

5

733-5040

COTTER PIN,M5 x 40

2шт.

6

379252A2

SHIELD

1шт.

7

398792

SCREW,Hex, M12 x 25mm, Cl 10.9

4шт.

8

47131825

GUARD

1шт.

9

14306324

HEX SOC SCREW,M8 x 1.25 x 20mm, Cl 8.8, Full Thd

4шт.

10

12601374

WAVE WASHER,Wave, 8.40mm ID x 15.00mm OD x 0.80mm, 3.00mm, CST, DAC

4шт.

11

16220874

BOLT,Hex, M18 x 1.5 x 45mm, Cl 12.9

6шт.

Выбрано товаров: 11