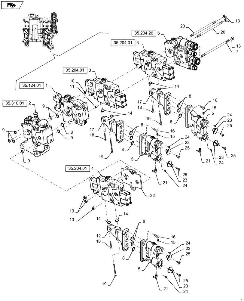
Запчасти Case IH MAGNUM 225 (35.204.23) - REMOTE HYDRAULIC VALVE 3 STACK - ASN ZCRH01492 (35) - HYDRAULIC SYSTEMS

Схема запчастей Case IH MAGNUM 225 - (35.204.23) - REMOTE HYDRAULIC VALVE 3 STACK - ASN ZCRH01492 (35) - HYDRAULIC SYSTEMS
12
24
25
16
14
25
24
13
3
25
home
13
21
35.204.01
18
2
35.204.01
11
23
8
25
19
8
20
19
1
14
24
24
25
15
14
16
17
3
8
4
8
7
23
20
9
16
21
22
23
21
9
23
5
35.124.01
23
15
14
24
8
35.204.26
23
24
35.204.01
13
17
15
10
35.310.01
13
8
6
5
5
8
9
18
9
19
25
18
FIT
1:1
100%

Артикул

Название

Примечание

Количество

1

84536016

VALVE

Assy Hitch

1шт.

2

84535897

MANIFOLD

Assem. In/Out

1шт.

3

84536026

VALVE

Assy Aux. Valve Main

2шт.

4

84536023

VALVE

Assy Aux. Valve Left

1шт.

5

435375A1

VALVE

Assy

3шт.

6

84539951

VALVE

Assy Power Beyond

1шт.

7

87604617

STUD,M12 x 1.75 x 235mm L

M12 x 1.75-6G Length 235

3шт.

8

87635382

O-RING,2.62mm Thk x 20.29mm ID, -117, 80 Duro

28шт.

9

87635380

O-RING,2.62mm Thk x 12.37mm ID, -112, 80 Duro

8шт.

10

87635379

O-RING,2.62mm Thk x 9.19mm ID, -110, 80 Duro

16шт.

11

87635376

O-RING,2.62mm Thk x 3.63mm ID, -105, 80 Duro

6шт.

12

84364079

VALVE

Mach Coupler Deluxe Left

1шт.

13

829-1312

NUT,M12 x 1.75, Cl 10

3шт.

14

87635381

O-RING,2.62mm Thk x 15.54mm ID, -114, 80 Duro

9шт.

15

217-429

PLUG,Hex Soc, 1/8" - 27 NPTF

3шт.

16

628-10025

BOLT,Hex, M10 x 1.5 x 25mm, Cl 10.9, Full Thd

12шт.

17

84534749

VALVE

Mach Coupler Deluxe Right

2шт.

18

864-6045

HEX SOC SCREW,M6 x 45mm, Cl 8.8

6шт.

19

84375319

SCREW

Screw, Soc HD M6 x 85 12.9 Blo

6шт.

20

87687049

STUD

M12 x 1.75-6G Length 195

3шт.

21

1289481C1

ELBOW,1/8" NPT x 1/4" Hose Barb

90 Deg 1/8 Npt Barbed

3шт.

22

84539946

PLATE

1шт.

23

240974A2

DOOR COVER

Dust

6шт.

24

427104A1

CAPSCREW,BTN HD, M5 x 0.8 x 10mm

M5 x 8 Button Head

12шт.

25

240973A2

CAPTIVE WASHER SCREW,Hex Flng, M16 x 1 x 25mm

M6 x 25 (w/sleeve)

6шт.

Выбрано товаров: 25