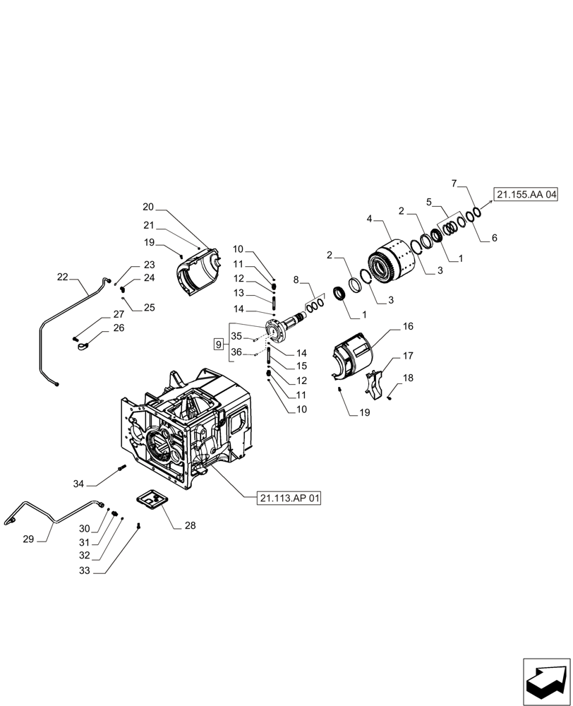
Запчасти Case IH MAGNUM 235 (21.155.AA[03]) - RANGE TRANSMISSION - MFD CLUTCH , PARK AND EMERGENCY BRAKE (21) - TRANSMISSION

Схема запчастей Case IH MAGNUM 235 - (21.155.AA[03]) - RANGE TRANSMISSION - MFD CLUTCH , PARK AND EMERGENCY BRAKE (21) - TRANSMISSION
21.113.ap 01
14
1
29
2
26
14
32
21
10
15
35
19
27
12
24
31
2
7
18
20
8
34
16
30
33
5
19
12
25
10
3
23
22
17
4
3
13
11
1
28
6
36
11
9
21.155.aa 04
FIT
1:1
100%

Артикул

Название

Примечание

Количество

1

630694C1

BEARING CONE,64.98mm ID x 105mm OD x 24mm W

2шт.

2

86577049

TAPERED BEARING,65mm ID x 105mm OD x 24mm W

2шт.

3

101-21412

SNAP RING,#412, 4.430", Int

2шт.

4

87455297

GEAR

1шт.

5

138121A1

SHIM,65mm ID x 80mm OD x 0.2mm Thk

1шт.

5

1997893C1

SHIM,65.5mm ID x 80mm OD x 0.51mm Thk

1шт.

5

1997894C1

SHIM,65.5mm ID x 80mm OD x 0.56mm Thk

1шт.

5

1997895C1

SHIM,65.5mm ID x 80mm OD x 0.64mm Thk

1шт.

6

1277309C1

WASHER,65.25mm ID x 77mm OD x 3mm Thk

1шт.

7

1997891C1

SNAP RING

1шт.

8

445336A1

SEALING RING,Locking, 50.91mm ID x 54.91mm OD x 2.87mm Thk

3шт.

9

87536356

SHAFT

1шт.

9

84476028

SHAFT

Incl 35, 36

1шт.

10

238-6014

O-RING,0.07" Thk x 0.489" ID, -14, Cl 6, 90 Duro

1шт.

11

201-102

HYD CONNECTOR,13/16" - 16 Male ORFS x 3/4" - 16 Male ORB

2шт.

12

237-6008

O-RING,0.087" Thk x 0.644" ID, -908, Cl 6, 90 Duro

1шт.

13

87425392

HYD TUBE,7.5 mm ID x 14.15 mm OD x 132 mm L

1шт.

14

238-6013

O-RING,0.07" Thk x 0.426" ID, -13, Cl 6, 90 Duro

4шт.

15

120514C2

TUBE,7.47 mm ID, 11.85 mm OD

1шт.

16

87337873

SHIELD

1шт.

17

87343231

SHIELD

1шт.

18

87348536

RIVET,6.4mm OD x 22.8mm L

1шт.

19

87331111

HEX SOC SCREW,M8 x 16mm, Cl 8.8

4шт.

20

87337875

SHIELD

1шт.

21

87332637

CLIP

6шт.

22

87307978

TUBE,0.50" OD

1шт.

23

637-63113

O-RING,2.2mm Thk x 11.3mm ID, Cl 6

1шт.

24

700-332

ELBOW,90 Degree Elbow, 13/16" - 16 Male ORFS x M14 x 1.5 Male ORB

1шт.

25

238-6014

O-RING,0.07" Thk x 0.489" ID, -14, Cl 6, 90 Duro

1шт.

26

515-23127

CLAMP,1/2", Insul, 3/8" Bolt

1шт.

27

614-10020

BOLT,Hex, M10 x 1.5 x 20mm, Cl 8.8, Full Thd

1шт.

28

87327182

COVER

1шт.

29

124306A1

TUBE,12.7 mm OD, 469, 181 mm Length

1шт.

30

237-6008

O-RING,0.087" Thk x 0.644" ID, -908, Cl 6, 90 Duro

1шт.

31

87318672

UNION

1шт.

32

238-6014

O-RING,0.07" Thk x 0.489" ID, -14, Cl 6, 90 Duro

1шт.

33

628-10030

BOLT,Hex, M10 x 1.5 x 30mm, Cl 10.9, Full Thd

4шт.

34

828-12050

BOLT,Hex, M12 x 1.75 x 50mm, Cl 10.9

6шт.

35

837-10025

DOWEL,M10 x 25

1шт.

36

87520608

EXPANSION PLUG,8mm

3шт.

Выбрано товаров: 40