Запчасти Case IH MAGNUM 235 (25.100.AD[04]) - FRONT AXLE ASSEMBLY, CLASS V, STANDARD AND SUSPENDED MFD - DANA (25) - FRONT AXLE SYSTEM

Схема запчастей Case IH MAGNUM 235 - (25.100.AD[04]) - FRONT AXLE ASSEMBLY, CLASS V, STANDARD AND SUSPENDED MFD - DANA (25) - FRONT AXLE SYSTEM
25
15
32
17
6
13
14
16
27
23
5
30
31
29
37
33
34
12
28
39
19
7
38
36
40
24
18
25.100.ad 03
35
26
2
10
20
22
9
8
3
4
1
5
14
21
11
FIT
1:1
100%

Артикул

Название

Примечание

Количество

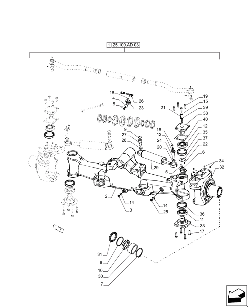
1

87714059

AXLE

Incl 2 - 40

1шт.

2

84327526

BEAM

1шт.

3

87673062

MAGNETIC PLUG

1шт.

4

14458680

O-RING,0.103" Thk x 1.487" ID, -128, Cl 5, 75 Duro

1шт.

5

14453280

O-RING,0.07" Thk x 0.551" ID, -15, Cl 5, 75 Duro

3шт.

6

87674612

SENSOR

1шт.

7

301624

SNAP RING,M65, Ext

2шт.

8

370026

SNAP RING,M100 x 3mm Thk, Internal

2шт.

9

300644

SNAP RING,M40, Internal

2шт.

10

87674587

BALL BEARING

2шт.

11

87674554

BALL BEARING

2шт.

12

87674552

BALL BEARING

2шт.

13

87563868

FITTING,M8 x 1.17mm

4шт.

14

10264560

SEAL,24mm ID x 32mm OD x 1.5mm Thk

2шт.

15

87674608

PLUG

1шт.

16

300388

BOLT,Hex, M12 x 1.75 x 25mm, Cl 8.8

2шт.

17

87672199

BOLT,Hex, M14 x 50mm, Cl 8.8

8шт.

18

378056

BOLT,Hex, M6 x 10mm, Cl 8.8

3шт.

19

87672199

BOLT,Hex, M14 x 50mm, Cl 8.8

8шт.

20

87674624

SPACER

4шт.

21

14305724

HEX SOC SCREW,M6 x 14mm, Cl 8.8, Full Thd

1шт.

22

87675518

HEX SOC SCREW,FLAT, M4 x 0.7 x 35mm, Cl 8.8

2шт.

23

87674585

COVER

1шт.

24

87674623

PIN

2шт.

25

87675519

PLUG

1шт.

26

87674584

HARNESS

1шт.

27

87725296

PIN

2шт.

28

87674619

SPACER

2шт.

29

87674620

STEERING CYLINDER

1шт.

30

87496992

SPACER

2шт.

31

87674586

SEAL

2шт.

32

87674592

STEERING KNUCKLE

1шт.

33

87725290

PIN

2шт.

34

353-77

PLUG,Cap, .576" OD

10шт.

35

87674590

SEAL

2шт.

36

47465070

OIL SEAL,96.82mm ID x 127.33mm OD x 19.15mm Thk

2шт.

37

87674611

COVER

1шт.

38

87674610

SPECIAL PIN

1шт.

39

87674609

PIN

1шт.

40

87681224

SHIM KIT

1шт.

Выбрано товаров: 40