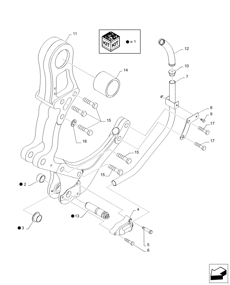
Запчасти Case IH MAGNUM 235 (37.120.AW[03]) - HITCH, DRAFT CONTROL PINS (37) - HITCHES, DRAWBARS & IMPLEMENT COUPLINGS

Схема запчастей Case IH MAGNUM 235 - (37.120.AW[03]) - HITCH, DRAFT CONTROL PINS (37) - HITCHES, DRAWBARS & IMPLEMENT COUPLINGS
1
10
4
9
17
1
15
14
11
1
6
2
1
3
15
5
15
1
17
16
13
8
12
7
7
FIT
1:1
100%

Артикул

Название

Примечание

Количество

1

322022A1

KIT

Incl 2, 3, 13

2шт.

2

1960223C1

BUSHING,37.15mm ID x 43.09mm OD x 24mm L

2шт.

3

303550A1

BUSHING,37.15mm ID x 57.15mm OD x 26mm L

2шт.

4

87365144

COVER

2шт.

5

225643A1

BOLT,Shldr, Hex, M12 x 1.75 x 56mm

2шт.

6

827-12050

BOLT,Hex, M12 x 1.75 x 50mm, Cl 10.9

4шт.

7

236897A2

TUBE

2шт.

8

229904A2

SUPPORT

2шт.

9

614-8020

BOLT,Hex, M8 x 1.25 x 20mm

2шт.

10

1960765C2

GROMMET

2шт.

11

84571456

BRACKET

2шт.

12

326827A1

SLEEVE

1шт.

13

87351611

SENSOR

1шт.

14

222355A1

BUSHING,100.25mm ID x 106.11mm OD x 75mm L

1шт.

15

828-24200

BOLT,Hex, M24 x 3 x 200mm, Cl 10.9

10шт.

16

896-16024

WASHER,26mm ID x 56mm OD x 6mm Thk

4шт.

17

828-24120

BOLT,Hex, M24 x 3 x 120mm, Cl 10.9

2шт.

Выбрано товаров: 17