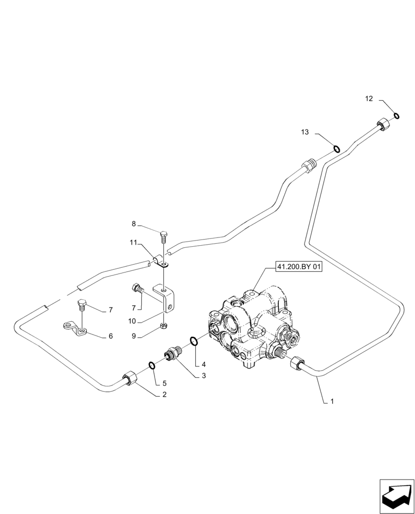
Запчасти Case IH MAGNUM 235 (41.200.AT[02]) - STEERING SYSTEM, MFD (41) - STEERING

Схема запчастей Case IH MAGNUM 235 - (41.200.AT[02]) - STEERING SYSTEM, MFD (41) - STEERING
4
13
3
10
9
11
7
6
41.200.by 01
7
5
12
2
8
1
FIT
1:1
100%

Артикул

Название

Примечание

Количество

1

87367650

HYD TUBE,.375" OD

1шт.

2

433591A1

TUBE

1шт.

3

700-102

HYD CONNECTOR,13/16" - 16 Male ORFS x M18 x 1.5 Male ORB

1шт.

4

637-63153

O-RING,2.2mm Thk x 15.3mm ID, Cl 6, 90 Duro

1шт.

5

238-6014

O-RING,0.07" Thk x 0.489" ID, -14, Cl 6, 90 Duro

1шт.

6

86988840

BRACKET

1шт.

7

614-10016

BOLT,Hex, M10 x 1.5 x 16mm, Cl 8.8, Full Thd

2шт.

8

614-8020

BOLT,Hex, M8 x 1.25 x 20mm

2шт.

9

829-1408

NUT,Hex, M8 x 1.25, Cl 10.9

1шт.

10

86988838

BRACKET

1шт.

11

515-22127

CLAMP,1/2", Insul, 5/16" Bolt

1шт.

12

238-6012

O-RING,0.07" Thk x 0.364" ID, -12, Cl 6, 90 Duro

1шт.

13

238-6014

O-RING,0.07" Thk x 0.489" ID, -14, Cl 6, 90 Duro

1шт.

Выбрано товаров: 13