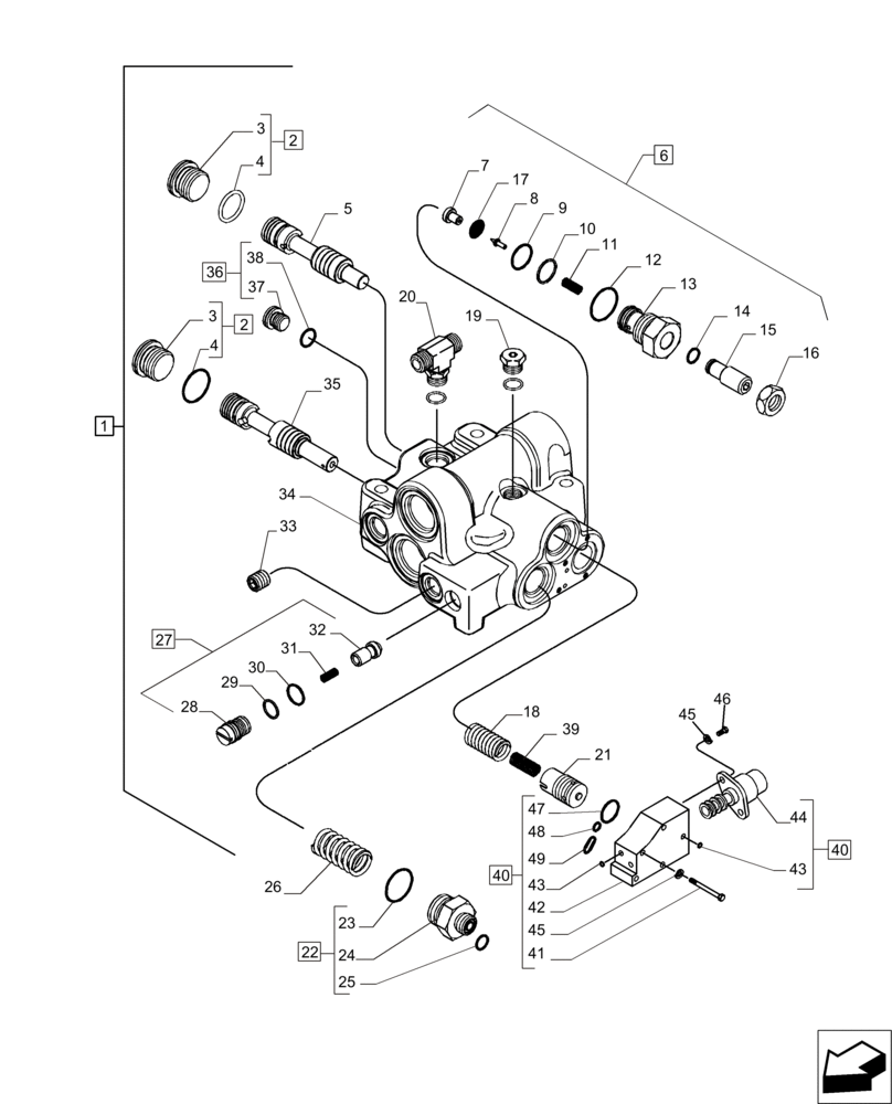
Запчасти Case IH MAGNUM 235 (41.200.BY[02]) - PRIORITY & REGULATOR VALVE ASSEMBLY (41) - STEERING

Схема запчастей Case IH MAGNUM 235 - (41.200.BY[02]) - PRIORITY & REGULATOR VALVE ASSEMBLY (41) - STEERING
30
19
44
48
13
46
45
2
34
38
8
24
33
10
43
6
4
35
3
43
21
7
17
28
29
5
14
40
25
45
2
32
1
26
47
3
18
4
9
27
41
39
20
12
36
37
49
31
16
23
40
15
11
22
42
FIT
1:1
100%

Артикул

Название

Примечание

Количество

1

84340310

VALVE SECTION

Assy, Incl 2 - 49

1шт.

2

221580A1

PLUG,M27 x 2 ORB

Incl 3, 4

4шт.

3

NSS

NOT SOLD SEPARAT

Plug, Incl in 2

1шт.

4

637-64236

O-RING,2.9mm Thk x 23.6mm ID, Cl 6, 90 Duro

1шт.

5

84498440

SPOOL

1шт.

6

130060A2

PILOT VALVE

EF, Incl 7 - 17

1шт.

7

NSS

NOT SOLD SEPARAT

Piston, Incl in 6

1шт.

8

NSS

NOT SOLD SEPARAT

Needle, Incl in 6

1шт.

9

238-6018

O-RING,0.07" Thk x 0.739" ID, -18, Cl 6, 90 Duro

1шт.

10

G35540

BACK-UP RING,19.43mm ID x 22.23mm OD x 1.32mm Thk

1шт.

11

NSS

NOT SOLD SEPARAT

Spring, Incl in 6

1шт.

12

237-6012

O-RING,0.116" Thk x 0.924" ID, -912, Cl 6, 90 Duro

1шт.

13

NSS

NOT SOLD SEPARAT

Plug, Incl in 6

1шт.

14

238-6012

O-RING,0.07" Thk x 0.364" ID, -12, Cl 6, 90 Duro

1шт.

15

NSS

NOT SOLD SEPARAT

Plunger, Incl in 6

1шт.

16

25-1510

JAM NUT,Jam, 5/8"-18, G5

1шт.

17

NSS

NOT SOLD SEPARAT

Disc, Incl in 6

1шт.

18

86983471

VALVE SPRING

1шт.

19

221573A1

PLUG,Hex Soc, M12 x 1.5, ORB

1шт.

20

86579710

TEE,13/16"-16 ORFS x M18 x 1.5 ORB Br

1шт.

21

86983412

PISTON

1шт.

22

313940A1

FITTING

Incl 23 - 24

1шт.

23

237-6012

O-RING,0.116" Thk x 0.924" ID, -912, Cl 6, 90 Duro

1шт.

24

NSS

NOT SOLD SEPARAT

Plug, Incl in 22

1шт.

25

238-6012

O-RING,0.07" Thk x 0.364" ID, -12, Cl 6, 90 Duro

1шт.

26

408447A1

COMPRESSION SPRING

1шт.

27

1542563C1

KIT

Incl 28 - 32

1шт.

28

NSS

NOT SOLD SEPARAT

Plug, Incl in 27

1шт.

29

G108723

RING,14.34mm ID x 16.94mm OD x 1.32mm Thk

1шт.

30

238-6015

O-RING,0.07" Thk x 0.551" ID, -15, Cl 6, 90 Duro

1шт.

31

NSS

NOT SOLD SEPARAT

Spring, Incl in 27

1шт.

32

1543329C1

VALVE POPPET,7mm ID x 13.8mm OD x 27mm L

1шт.

33

87427769

PLUG

1шт.

34

NSS

NOT SOLD SEPARAT

Body, Incl in 1

1шт.

35

87448952

SPOOL

1шт.

36

221576A1

PLUG,Hex Soc, M14 x 1.5, ORB

Incl 37, 38

1шт.

37

NSS

NOT SOLD SEPARAT

Plug, Incl in 36

1шт.

38

14437785

O-RING,11.3mm ID x 2.4mm

1шт.

39

86983472

SPRING

1шт.

40

86983527

BLOCK

Incl 41 - 49

1шт.

41

87384106

BOLT,M4 x 42.92mm, Cl 8.8

4шт.

42

86983526

HOUSING

1шт.

43

282836A1

PLUG,4mm OD x 4mm L

4шт.

44

87354468

SOLENOID VALVE

1шт.

45

892-11004

LOCK WASHER,M4

6шт.

46

864-4016

HEX SOC SCREW,M4 x 16mm, Cl 8.8

2шт.

47

238-5120

O-RING,0.103" Thk x 0.987" ID, -120, Cl 5, 75 Duro

1шт.

48

238-5008

O-RING,0.07" Thk x 0.18" ID, -8, Cl 5, 75 Duro

1шт.

49

238-5012

O-RING,0.07" Thk x 0.364" ID, -12, Cl 5, 75 Duro

1шт.

Выбрано товаров: 0