Качественные детали и логистика
Оригинальные и аналоговые запчасти с доставкой по России, Казахстану и Беларуси
©2022 PartSell ООО "Система" ИНН 2463123282 ОГРН 1212400004838
Центральный офис: г. Красноярск, Академика Киренского, д.87, пом.4
Телефон: 8 (800) 777-65-74 Email: zakaz@partsell.ru
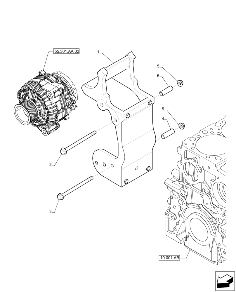
(55.301.AA[03]) - ALTERNATOR, MOUNTING
№
Артикул
Название
Примечание
Количество
1
5801627867
BRACKET, SUPPORTING
1шт.
2
87681213
BOLT,Hex, M10 x 140mm, Cl 10.9
3
864-10120
SCREW,Hex Soc Hd, M10 x 120, 8.8
4
99484032
BUSHING
5
43435
FLANGE NUT,Hex, M10 x 1.5
2шт.
6
47431408
SPACER,10.5mm ID x 22mm OD x 55mm L
Выбрано товаров: 0