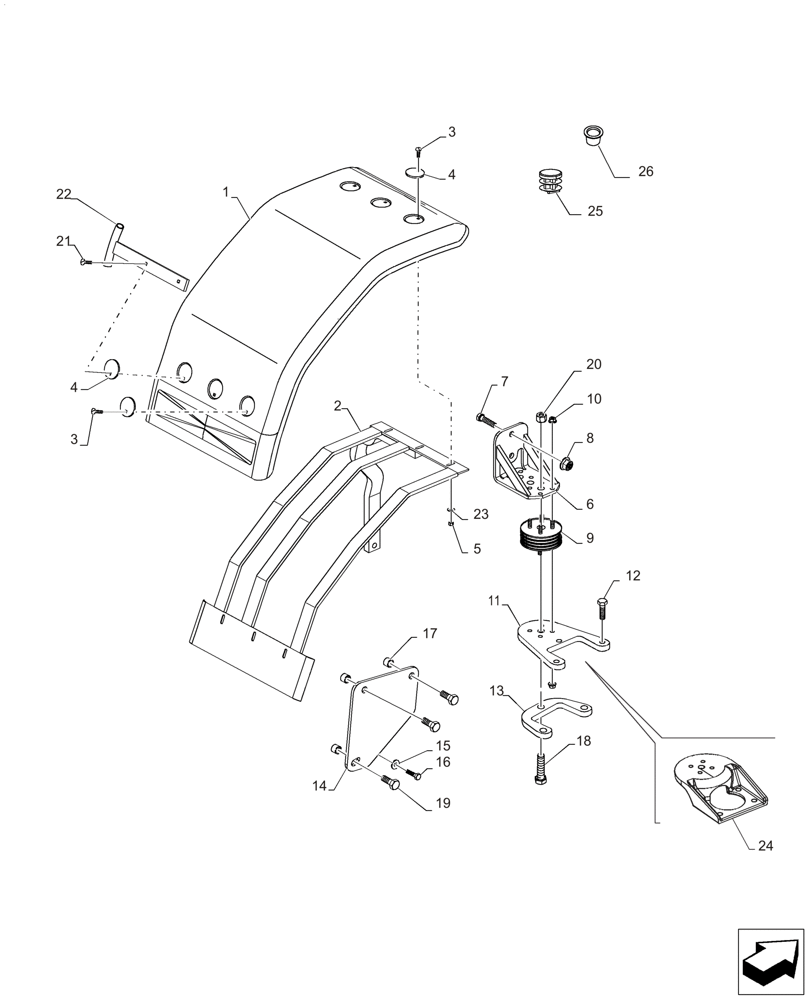
Запчасти Case IH MAGNUM 235 (90.116.AC[01]) - FENDERS, FRONT (90) - PLATFORM, CAB, BODYWORK AND DECALS

Схема запчастей Case IH MAGNUM 235 - (90.116.AC[01]) - FENDERS, FRONT (90) - PLATFORM, CAB, BODYWORK AND DECALS
9
19
17
3
16
21
25
22
6
24
18
13
8
12
10
1
4
20
7
14
15
11
3
4
5
26
2
23
FIT
1:1
100%

Артикул

Название

Примечание

Количество

1

122212A1

FENDER

2шт.

2

244031A3

SUPPORT ASSY.

RH

1шт.

2

244030A3

SUPPORT ASSY.

LH

1шт.

3

612-6

CARRIAGE BOLT,M8 x 30mm, Class 4.6

8шт.

4

1340559C2

SQ HOLE WASHER,8.71mm ID x 63.5mm OD x 4.76mm Thk

12шт.

5

832-10408

NUT,M8 x 1.25, Cl 8.8

12шт.

6

87427813

SUPPORT

2шт.

7

827-16070

BOLT,Hex, M16 x 2 x 70mm, Cl 10.9

4шт.

8

825-51416

FLANGE NUT,Flg, M16, Serr

4шт.

9

226690A2

RUBBER BUMPER

2шт.

10

825-2412

FLANGE NUT,M12 x 1.75, Flg, Cl 8

16шт.

11

87716500

SUPPORT

LH - Lower Fender

2шт.

12

627-16060

BOLT,Hex, M16 x 2 x 60mm, Cl 10.9, Full Thd

6шт.

12

627-16040

BOLT,Hex, M16 x 2 x 40mm, Cl 10.9, Full Thd

8шт.

13

87716498

SUPPORT

2шт.

14

84278543

RUBBER PAD

2шт.

15

495-21050

WASHER,7/16"

2шт.

16

120080

BOLT,Hex, M12 x 45, 8.8

2шт.

17

87036419

SPACER,26.64mm ID x 33.4mm OD x 19.05mm L

6шт.

18

827-20100

BOLT,Hex, M20 x 2.5 x 100mm, Cl 10.9

2шт.

19

614-20035

BOLT,Hex, M20 x 2.5 x 35mm, Cl 8.8, Full Thd

6шт.

20

832-10420

NUT,M20 x 2.5, Cl 8

2шт.

21

612-7

CARRIAGE BOLT,M8 x 40mm, Class 4.6

4шт.

22

84283185

FENDER

2шт.

23

895-25008

WASHER,9mm ID x 24mm OD x 2mm Thk

12шт.

24

87530576

SUPPORT

RH - Lower Fender

2шт.

25

305138A1

PLUG

5шт.

26

353-77

PLUG,Cap, .576" OD

4шт.

Выбрано товаров: 28