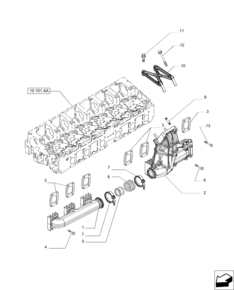
Запчасти Case IH MAGNUM 235 (10.254.AC) - EXHAUST MANIFOLD (10) - ENGINE

Схема запчастей Case IH MAGNUM 235 - (10.254.AC) - EXHAUST MANIFOLD (10) - ENGINE
6
12
8
3
3
10
11
13
5
2
10.101.aa
1
3
7
7
4
9
FIT
1:1
100%

Артикул

Название

Примечание

Количество

1

504289341

EXHAUST MANIFOLD

1шт.

2

504380222

EXHAUST MANIFOLD

1шт.

3

504380076

MANIFOLD GASKET

6шт.

4

99443210

SCREW,M10 x 1.5 x 40

12шт.

5

99440118

RING

1шт.

6

2859383

LOCKING RING

1шт.

7

500305815

CLAMP

2шт.

8

16731370

STUD

2шт.

9

504295619

FLANGE BOLT,M10 x 1.5 x 87mm

12шт.

10

504380913

BRACKET, SUPPORTING

1шт.

11

16587824

BOLT,Hex, M10 x 1.5 x 60mm

2шт.

12

16675134

FLANGE BOLT

2шт.

13

16674635

BOLT

8шт.

Выбрано товаров: 13