Качественные детали и логистика
Оригинальные и аналоговые запчасти с доставкой по России, Казахстану и Беларуси
©2022 PartSell ООО "Система" ИНН 2463123282 ОГРН 1212400004838
Центральный офис: г. Красноярск, Академика Киренского, д.87, пом.4
Телефон: 8 (800) 777-65-74 Email: zakaz@partsell.ru
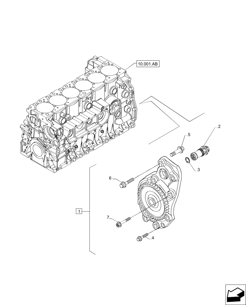
(10.304.AC) - PUMP, ENGINE OIL & RELATED PARTS
№
Артикул
Название
Примечание
Количество
1
504131225
ENGINE OIL PUMP
Incl 2 - 5
1шт.
2
500304389
SAFETY VALVE
3
14457681
O-RING,0.103" Thk x 0.862" ID, -118, Cl 7, 75 Duro
4
16591724
SCREW,M6 x 40mm
5
16585724
BOLT,M6 x 16mm, Cl 8.8
6
500355363
SCREW
5шт.
7
504010370
BOLT
3шт.
Выбрано товаров: 7