Качественные детали и логистика
Оригинальные и аналоговые запчасти с доставкой по России, Казахстану и Беларуси
©2022 PartSell ООО "Система" ИНН 2463123282 ОГРН 1212400004838
Центральный офис: г. Красноярск, Академика Киренского, д.87, пом.4
Телефон: 8 (800) 777-65-74 Email: zakaz@partsell.ru
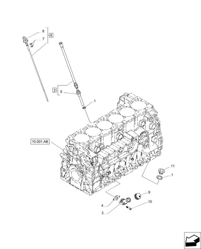
(10.304.AS) - OIL LEVEL CHECK
№
Артикул
Название
Примечание
Количество
1
5167640
SEALING WASHER,14.09mm ID x 26.45mm OD x 1.5mm Thk
2шт.
2
504376866
TUBE
Incl 5
1шт.
3
5801375472
NECK FILLER
4
504314384
GASKET
5
NSS
NOT SOLD SEPARAT
Tube, Incl in 2
6
504376868
DIPSTICK
Incl 7, 8
7
504027969
SEALING RING
8
9
2852136
CAP,48mm ID x 56mm OD x 18mm W
10
16586425
BOLT,M8 x 25mm
11
16992515
PLUG
Выбрано товаров: 0