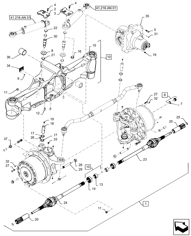
Запчасти Case IH MAGNUM 235 (25.100.AD[06]) - VAR - 420224 CNH FRONT AXLE, CLASS 4.75, NON-SUSPENDED (25) - FRONT AXLE SYSTEM

Схема запчастей Case IH MAGNUM 235 - (25.100.AD[06]) - VAR - 420224 CNH FRONT AXLE, CLASS 4.75, NON-SUSPENDED (25) - FRONT AXLE SYSTEM
41.216.an 01
35
27
8
11
24
33
14
17
19
27
11
17
4
12
26
28
6
32
16
5
15
4
37
23
20
9
10
32
30
20
36
1
7
25
34
31
22
18
29
19
3
10
21
13
2
41.216.an 01
FIT
1:1
100%

Артикул

Название

Примечание

Количество

1

84353155

AXLE

Assy, Front Without Suspension CL 4.75, Incl 2 - 37

1шт.

2

47615228

STOP

Oscillation, LH

1шт.

3

47615227

STOP

Oscillation, RH

1шт.

4

47443987

HEX SOC SCREW,BTN HD, M12 x 30mm, Cl 10.9

M12 x 30 10.9 ZND

4шт.

5

47632825

BOLT,Hex, M12 x 45mm, Cl 10.9

Lock, M12 x 45 Full 10.9 PHC

14шт.

6

221527A1

PLUG,Hex Soc, M33 x 2, ORB

Incl 7

2шт.

7

14438285

O-RING,29.5mm ID x 3.0mm

1шт.

8

47359976

WASHER,41mm ID x 76mm OD x 4.76mm Thk

Steering Cyl Spacer

2шт.

9

301-1434

DRIVE SCREW,Drive, #6 x 1/4"

4шт.

10

84353156

AXLE HOUSING

Assy, CL 4.75 Without Suspension, Incl 11 - 16

1шт.

11

14326211

PLUG,M22 x 1.50, R50, ZND

2шт.

12

5174376

DOWEL,M16 x 30

2шт.

13

84411553

BUSHING,50mm ID x 55mm OD x 30mm L

50 x 55 x 30

2шт.

14

84416409

SEAL,50mm ID x 80mm OD x 27.5mm Thk

50 x 80 x 27

2шт.

15

47385057

HOUSING

Beam Without Suspension

1шт.

16

87554181

SPACER,35.5mm ID x 39.5mm OD x 12.5mm L

Steering Cyl Piston Side

2шт.

17

48040011

SPACER

Steering Cyl Rod Side

4шт.

18

87554183

PIN,34.99mm OD x 115mm L

Steering Cyl Rod Side

2шт.

19

13407211

LUBE NIPPLE,M10 x 1

3шт.

20

84345699

GEAR

Sun, 16T Planetary

2шт.

21

800-2140

SNAP RING,M40, Int

2шт.

22

84315411

COVER

Pin Steering Cyl Inboard

2шт.

23

84415814

SHAFT

Cardan Long, CL 4.75

1шт.

24

84415815

SHAFT

Cardan Short, CL 4.75

1шт.

25

197297

SNAP RING,#98, Ext

2шт.

26

628-10025

BOLT,Hex, M10 x 1.5 x 25mm, Cl 10.9, Full Thd

2шт.

27

828-12045

BOLT,Hex, M12 x 1.75 x 45mm, Cl 10.9, Full Thd

24шт.

28

829-1424

NUT,M24, Cl 10

2шт.

29

84530771

ADJUSTMENT SCREW,M24 x 3 x 154mm L

Steering Stop Short

2шт.

30

47384884

PIN,39.73mm OD x 123.2mm L

Steering Cyl Piston Side

2шт.

31

353-401

PLUG,Dome, .312" hole, Nylon

2шт.

32

353-402

PLUG,Dome, .375" hole, Nylon

4шт.

33

353-77

PLUG,Cap, .576" OD

8шт.

34

NSS

NOT SOLD SEPARAT

ID PLATE, Incl in 1

1шт.

35

84415794

PINION

Assy, With Differential

1шт.

36

87433501

BUSHING,60.46mm ID x 74.97mm OD x 75.78mm L

MFD Axle Pivot Pin

2шт.

37

253212A1

NUT,M20 x 1.5, Class 10

Hex Flange M20-1.5 CL 10 ZND

24шт.

Выбрано товаров: 37