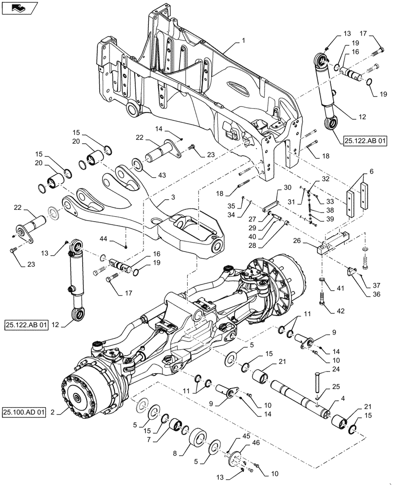
Запчасти Case IH MAGNUM 235 (25.100.BB[04]) - VAR - 420228 CNH FRONT AXLE SUSPENSION, CLASS 4.75 (25) - FRONT AXLE SYSTEM

Схема запчастей Case IH MAGNUM 235 - (25.100.BB[04]) - VAR - 420228 CNH FRONT AXLE SUSPENSION, CLASS 4.75 (25) - FRONT AXLE SYSTEM
25.122.ab 01
21
10
11
21
45
2
14
9
12
5
5
7
19
27
11
10
13
12
14
28
29
23
35
4
23
15
31
22
16
20
15
34
22
26
16
36
15
13
37
41
19
10
40
39
46
33
14
17
18
8
43
44
38
25
13
42
32
18
30
1
9
15
3
19
15
24
5
17
6
20
25.100.ad 01
25.122.ab 01
FIT
1:1
100%

Артикул

Название

Примечание

Количество

1

84569902

FRAME

Front Main Saddle Suspension

1шт.

2

84357980

AXLE

Assy, Front Saddle Suspension CL 4.75

1шт.

3

84465127

SUPPORT

Saddle Suspension

1шт.

4

84154325

PIN,60.26mm OD x 528.5mm L

Suspension, High

1шт.

5

86990303

THRUST WASHER,60.8mm ID x 112mm OD x 4.65mm Thk

Pivot Pin

4шт.

6

84154322

PLATE

Roller Guide

2шт.

7

87696370

BUSHING

Saddle Roller

1шт.

8

87696369

ROLLER

High Pin

1шт.

9

87696365

PIN,45mm OD x 118mm L

Suspension Cylinder

2шт.

10

627-12025

BOLT,Hex, M12 x 1.75 x 25mm, Cl 10.9, Full Thd

4шт.

11

87696368

SPACER

Suspension Cylinder Rod Pin

4шт.

12

84365647

HYDRAULIC CYLINDER,Double Acting, 55mm Rod, 219mm Stroke

Saddle Suspension

2шт.

13

716472R91

LUBE NIPPLE,90 Degree, M10 x 1

4шт.

14

933781R1

LUBE NIPPLE,M10 x 1

4шт.

15

87400202

SEAL

Pivot Pin Dirt Excluder

8шт.

16

87695275

PIN

Upper Cyl Mount

2шт.

17

827-20080

BOLT,Hex, M20 x 2.5 x 80mm, Cl 10.9

4шт.

18

863-12100

HEX SOC SCREW,M12 x 100mm, Cl 12.9

4шт.

19

101-11177

SNAP RING,#177, 1.657", Ext

4шт.

20

87696363

BUSHING

Suspended Axle

2шт.

21

87433501

BUSHING,60.46mm ID x 74.97mm OD x 75.78mm L

MFD Axle Pivot Pin

2шт.

22

87681720

PIN,60.26mm OD x 222mm L

Saddle Suspension

2шт.

23

627-12035

BOLT,Hex, M12 x 1.75 x 35mm, Cl 10.9, Full Thd

2шт.

24

87694639

HEADED PIN

High Pin Retainer

1шт.

25

800-4520

SNAP RING,M20, Ext

1шт.

26

84308092

PLATE

Saddle Retainer

1шт.

27

638-62160

O-RING,16mm ID x 1.8mm Width

1шт.

28

87696373

BUSHING

Sensor

1шт.

29

47399110

PIN

Sensor Extension

1шт.

30

87696374

ARM

Plate Sensor

1шт.

31

495-81102

WASHER,.266" x 1/2" x .060"

4шт.

32

431039A1

BALL JOINT HEAD,1/4" - 28

End; 1/4 Adjustable

2шт.

33

413-416

BOLT,Hex, 1/4" - 20 x 1", Gr 5

2шт.

34

10519604

WASHER,8.15mm ID x 17mm OD x 2mm Thk

1шт.

35

832-46408

NUT,M8 x 1.25, Cl 8

1шт.

36

429690A1

SENSOR

Axle Position

1шт.

37

864-4012

HEX SOC SCREW,M4 x 12mm, Cl 8.8

2шт.

38

87696375

ROD

Saddle Position Linkage

1шт.

39

86976064

JAM NUT,Jam, 1/4"-28, G5

2шт.

40

877-1046

SET SCREW,M4 x 6mm

1шт.

41

896-11020

WASHER,22mm ID x 37mm OD x 4mm Thk

2шт.

42

9846949

BOLT,Hex, M20 x 2.5 x 80mm, Cl 10.9

2шт.

43

87696364

THRUST WASHER

Saddle Pivot

2шт.

44

86511841

BOLT,Flng, M8 x 1.25 x 16mm, Full Thd, Cl 8.8

1шт.

45

238-5015

O-RING,0.07" Thk x 0.551" ID, -15, Cl 5, 75 Duro

2шт.

46

87484805

RETAINER

High Pin Axle Pivot

1шт.

Выбрано товаров: 46