Запчасти Case IH MAGNUM 235 (25.108.AB[01]) - VAR - 429286 PLANETARY FINAL DRIVE AND HUB, CLASS 4.5 (25) - FRONT AXLE SYSTEM

Схема запчастей Case IH MAGNUM 235 - (25.108.AB[01]) - VAR - 429286 PLANETARY FINAL DRIVE AND HUB, CLASS 4.5 (25) - FRONT AXLE SYSTEM
25.108.aa 01
6
4
27
26
11
11
13
11
17
15
25.102.ad 01
7
10
11
7
16
11
11
14
18
20
2
5
11
11
28
1
22
13
12
25.102.ad 01
11
25
23
3
19
9
8
24
29
2
21
11
FIT
1:1
100%

Артикул

Название

Примечание

Количество

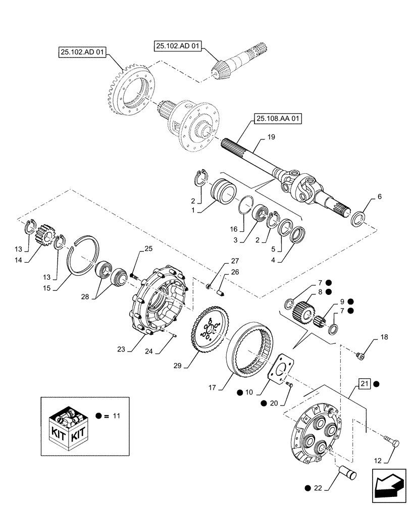
1

84181579

BUSHING,60mm ID x 95mm OD x 52mm L

Incl 2 - 29, Continued on Fig. 25.108.AB 01

2шт.

Quantities listed are the total for RH and LH

1шт.

2

11061376

SNAP RING,M68, Int

4шт.

Quantities listed are the total for RH and LH

1шт.

3

28042480

BALL BEARING,40.00mm x 68.00mm x 15.00mm

2шт.

Quantities listed are the total for RH and LH

1шт.

4

5109311

SEAL PROTECTION,45.2mm ID x 68mm OD x 1mm Thk

2шт.

Quantities listed are the total for RH and LH

1шт.

5

84166622

SEAL,43.1mm ID x 60mm OD x 17.2mm Thk

45 x 60 x 16

2шт.

Quantities listed are the total for RH and LH

1шт.

6

84166643

SEAL,45mm ID x 65mm OD x 27mm Thk

2шт.

Quantities listed are the total for RH and LH

1шт.

7

87576870

THRUST WASHER

16шт.

Quantities listed are the total for RH and LH

1шт.

8

87576871

IDLER PINION

8шт.

Quantities listed are the total for RH and LH

1шт.

9

87576874

ROLLER BEARING,38.2mm ID x 48.2mm OD x 35.5mm W

Pkg Qty 27

8шт.

Quantities listed are the total for RH and LH

1шт.

10

87576876

PLATE

2шт.

Quantities listed are the total for RH and LH

1шт.

11

87576872

PLANETARY REDUCER

Assembly, Incl 7 - 10, 20 - 22

2шт.

Quantities listed are the total for RH and LH

1шт.

12

14274834

BOLT,Hex, M12 x 1.25 x 45mm, Cl 10.9

24шт.

Quantities listed are the total for RH and LH

1шт.

13

5123651

SNAP RING,36mm, External

4шт.

Quantities listed are the total for RH and LH

1шт.

14

84262815

PLANETARY GEAR

2шт.

Quantities listed are the total for RH and LH

1шт.

15

4986355

CIRCLIP

2шт.

Quantities listed are the total for RH and LH

1шт.

16

14465680

O-RING,0.139" Thk x 3.484" ID, -238, Cl 5, 75 Duro

2шт.

Quantities listed are the total for RH and LH

1шт.

17

5102130

RING GEAR

2шт.

Quantities listed are the total for RH and LH

1шт.

18

14326211

PLUG,M22 x 1.50, R50, ZND

M22 x 1

2шт.

Quantities listed are the total for RH and LH

1шт.

19

84184133

AXLE-SHAFT, ARTICULA

RH This Application

1шт.

19

84184130

AXLE-SHAFT, ARTICULA

LH This Application

1шт.

20

14274424

LOCK BOLT,Hex, M12 x 1.25 x 25mm, Cl 8.8, Full Thd

8шт.

Quantities listed are the total for RH and LH

1шт.

21

87576873

SUPPORT

Planetary Carrier Assembly, Incl 22

2шт.

Quantities listed are the total for RH and LH

1шт.

22

87576864

PIN

8шт.

Quantities listed are the total for RH and LH

1шт.

23

84262561

HUB

2шт.

Quantities listed are the total for RH and LH

1шт.

24

4985063

DOWEL,12mm OD x 20mm L

4шт.

Quantities listed are the total for RH and LH

1шт.

25

84295460

WHEEL BOLT

24шт.

Quantities listed are the total for RH and LH

1шт.

26

84262643

PROTECTIVE SLEEVE,4.8mm ID x 19mm OD x 50.8mm L

24шт.

Quantities listed are the total for RH and LH

1шт.

27

253212A1

NUT,M20 x 1.5, Class 10

24шт.

Quantities listed are the total for RH and LH

1шт.

28

87303827

TAPERED BEARING,120mm ID x 170mm OD x 27mm W

4шт.

Quantities listed are the total for RH and LH

1шт.

29

84262814

GEAR

Ring

2шт.

Quantities listed are the total for RH and LH

1шт.

Выбрано товаров: 58