Запчасти Case IH MAGNUM 235 (10.202.BD[01]) - AIR INTAKE (10) - ENGINE

Схема запчастей Case IH MAGNUM 235 - (10.202.BD[01]) - AIR INTAKE (10) - ENGINE
10.202.bd 04
19
8
5
2
14
28
27
30
21
15
32
1
17
22
5
24
13
5
27
11
16
22
5
25
8
18
9
12
31
4
10
20
23
3
17
7
29
13
6
26
10.202.bd 03
10.202.bd 02
FIT
1:1
100%

Артикул

Название

Примечание

Количество

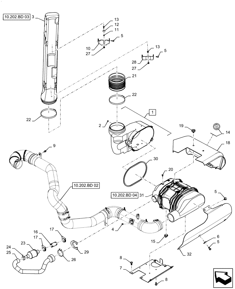
1

84350150

DUCT

Air Assy; Incl 2

1шт.

2

87301355

RIVET,Pop, 3/16" x .575"

3шт.

3

84541199

AIR DUCT

Dirty Air Assy

1шт.

4

844-8012

BOLT,M8 x 1.25 x 20.1mm, Cl 8.8

2шт.

5

844-10020

BOLT,Hvy Hex, M10 x 20mm, Cl 8.8

4шт.

6

495-81148

WASHER,7/16" x 1 1/4" x .134"

2шт.

7

47376137

BRACKET

Air Cleaner

1шт.

8

844-8020

BOLT,Hvy Hex, M8 x 20mm, Cl 8.8

6шт.

9

844-10025

BOLT,Hex, M10 x 25mm, Cl 8.8

4шт.

10

47441420

BRACKET

Upper Intake Duct Support

1шт.

11

87026609

SPACER,8.48mm ID x 12.7mm OD x 9.53mm L

1шт.

12

86549853

WASHER,8.4mm ID x 28mm OD x 3mm Thk

1шт.

13

84188431

SCREW,Pan HD, M8 x 25mm, Cl 8.8

M8 x 25 PHD 8.8

1шт.

14

84432904

DECAL

No Step

1шт.

15

84272402

VALVE

Vacuator

1шт.

16

84390693

TUBE

Aspirator

1шт.

17

84245881

HOSE CLAMP,28.4mm - 48mm

2шт.

18

84383304

COVER

Air Cleaner

1шт.

19

84325019

KNOB

Air Filter Cover

2шт.

20

844-8016

BOLT,Hex, M8 x 16mm, Cl 8.8

5шт.

21

84238813

INTAKE AIR HOSE,174mm ID x 160mm L

Air Duct

1шт.

22

84246771

CLAMP,7-1/4" - 8-1/8", Worm Gear

Hose 8.125/7.25

2шт.

23

284427A1

VALVE

Aspirator Check

1шт.

24

214-3232

HOSE CLAMP,1-1/4" - 2-1/8", HD Worm, W/ Liner

1шт.

25

84291516

HOSE

Assy, Aspirator

1шт.

26

87040758

HOSE CLAMP,71.4mm - 95.2mm

52 Wormgear F 3.75 x 2.81 SST

1шт.

27

P35448

RIVET

M8 Long

2шт.

28

84548636

BRACKET, SUPPORTING

Lower Intake Duct Support

1шт.

29

84539499

FOAM

Seal Aspirator

1шт.

30

84539506

FOAM

Seal Air Duct

1шт.

31

47396028

AIR CLEANER

Assy

1шт.

32

84499482

GUARD

Air Filter

1шт.

Выбрано товаров: 0