Запчасти Case IH MAGNUM 235 (55.100.AC[05]) - HARNESS, CHASSIS ASSY - CVT (55) - ELECTRICAL SYSTEMS

Схема запчастей Case IH MAGNUM 235 - (55.100.AC[05]) - HARNESS, CHASSIS ASSY - CVT (55) - ELECTRICAL SYSTEMS
21
6
18
22
18
3
5
2
18
home
10
1
15
11
14
6
17
12
5
19
16
8
4
13
18
20
9
5
7
23
FIT
1:1
100%

Артикул

Название

Примечание

Количество

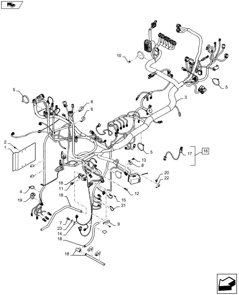
1

47429796

GUARD

Chassis Harness

1шт.

2

9804256

BOLT,Hex, M6 x 1 x 20mm, Full Thd, Cl 8.8

4шт.

3

47403210

WIRE HARNESS

Chassis, CVT

1шт.

4

14596187

CABLE TIE,270mm L

270 x 8 mm Nylon, Black

5шт.

5

86991007

CABLE TIE,509mm L

20 x 28" Nylon, Black

6шт.

6

229357A1

CLAMP

2шт.

7

864-10020

HEX SOC SCREW,M10 x 20mm, Cl 8.8

1шт.

8

515-23317

CLAMP,31.75mm ID, 10.3mm Bolt Hole, P Type

1шт.

9

600427

CLAMP,25.4mm, Coat, 8.7mm Bolt Hole, P Type

Closed 25.4 mm

1шт.

10

515-22190

CLAMP,3/4", Insul, 5/16" Bolt

1шт.

11

844-12025

BOLT,Hvy Hex, M12 x 25mm, Cl 8.8

3шт.

12

844-6020

BOLT,Hvy Hex, M6 x 20mm, Cl 8.8

1шт.

13

844-8020

BOLT,Hvy Hex, M8 x 20mm, Cl 8.8

2шт.

14

84370849

CLAMP

Closed 7.9 mm

1шт.

15

864-5012

HEX SOC SCREW,M5 x 12mm, Cl 8.8

2шт.

16

87479401

HARNESS

Trans Internal, CVT; Incl 17

1шт.

17

87695582

ELEC CONNECTOR,Female, 2 Pole

X-925 To Hydro Speed Sensor

1шт.

17

87695582

ELEC CONNECTOR,Female, 2 Pole

X-926 To Chassis Bulkhead 'RPM'

1шт.

18

84564344

NEG BATTERY CABLE

4/0 Battery To Chassis

1шт.

19

86991000

CLAMP

Dual Tie

1шт.

20

844-10016

BOLT,Hex, M10 x 16mm, Cl 8.8, Full Thd

1шт.

21

L11541

CABLE TIE,203.2mm L, Nylon

1шт.

22

516-23158

CLAMP,J, 11/16" Insul, 3/8" Bolt

1шт.

23

895-11010

WASHER,11mm ID x 20mm OD x 2mm Thk

1шт.

Выбрано товаров: 24