Запчасти Case IH MAGNUM 255 (02-04) - AIR INDUCTION SYSTEM - STANDARD DUTY (02) - ENGINE

Схема запчастей Case IH MAGNUM 255 - (02-04) - AIR INDUCTION SYSTEM - STANDARD DUTY (02) - ENGINE
6
24
24
5
27
4
14
7
1
29
12
13
9
21
32
17
16
28
23
22
5
15
10
31
8
18
26
20
11
21
19
25
21
14
30
3
FIT
1:1
100%

Артикул

Название

Примечание

Количество

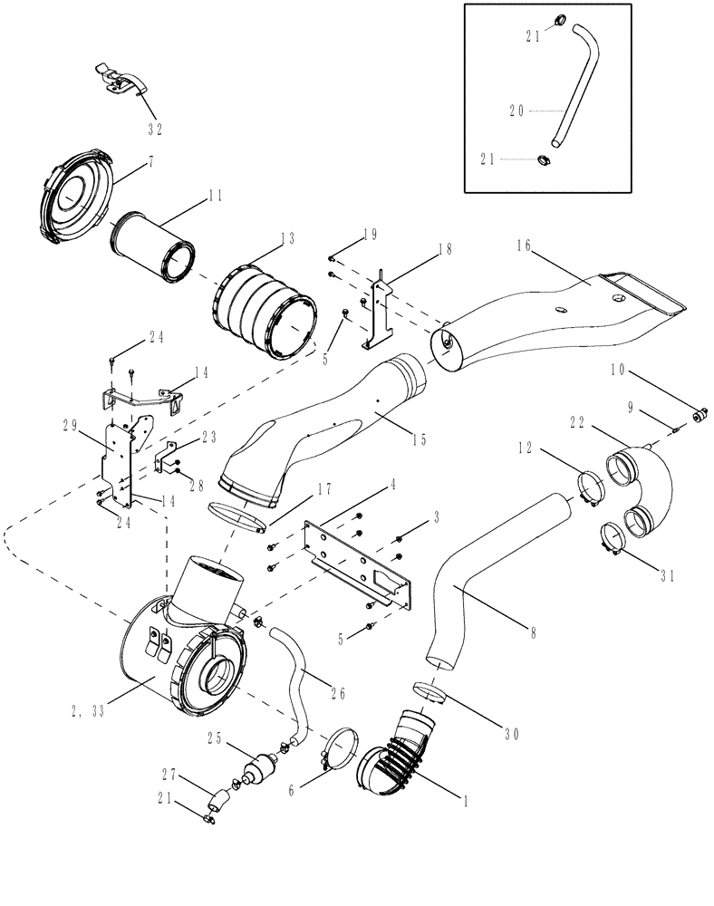
1

87384983

AIR DUCT

1шт.

2

87307974

AIR CLEANER

Assy, Serial Range: -Z8RZ03733

1шт.

2

87741548

AIR CLEANER

Assy, Inc. 7, 11, 13, 33, Start Serial: Z8RZ03733

1шт.

3

829-2410

FLANGE NUT,M10 x 1.5, Flg, Cl 10

4шт.

4

84129982

BRACKET

1шт.

5

844-10020

BOLT,Hvy Hex, M10 x 20mm, Cl 8.8

9шт.

6

87656134

HOSE CLAMP,6.38" - 6.69"

1шт.

7

87749710

COVER

, Start Serial: Z8RZ03733

1шт.

8

87357981

AIR INTAKE TUBE,4.50" OD

, Serial Range: -Z6RZ05420

1шт.

8

87547220

AIR INTAKE TUBE,4.5" OD

, Start Serial: Z6RZ05420

1шт.

9

217-1079

HYD CONNECTOR,1/8" - 27 NPTF

1шт.

10

279492A1

RESTRICTION SWITCH

1шт.

11

87409407

AIR FILTER

Secondary, Serial Range: -Z8RZ03733

1шт.

11

87741569

AIR FILTER

Secondary, Start Serial: Z8RZ03733

1шт.

12

87652892

CLAMP,4.87" - 5.18"

1шт.

13

87409371

AIR FILTER

Primary, Serial Range: -Z8RZ03733

1шт.

13

87741560

AIR FILTER

Primary, Start Serial: Z8RZ03733

1шт.

14

84129987

BRACKET

Deaeration Bottle, Upper

1шт.

15

87335608

AIR INTAKE TUBE,170 mm OD x 1006, 270 mm L

1шт.

16

84566782

AIR DUCT

Assy

1шт.

17

87562289

CLAMP,8.75" - 9.62", Worm Gear

1шт.

18

87441640

BRACKET

1шт.

19

844-8020

BOLT,Hvy Hex, M8 x 20mm, Cl 8.8

2шт.

20

87443700

HOSE,38.1mm ID x 825mm L

, Serial Range: -Z6RZ03563

1шт.

21

214-1424

HOSE CLAMP,#24, 1.06" - 2", Type F Worm

, Serial Range: -Z6RZ03563

2шт.

21

214-1424

HOSE CLAMP,#24, 1.06" - 2", Type F Worm

, Start Serial: Z6RZ03563

4шт.

22

87357621

HOSE

Air Cleaner to Turbo, Serial Range: -Z7RZ03901

1шт.

22

87651295

INTAKE AIR HOSE,101.60 mm ID, 114.30 mm ID x 228.60 mm

Air Cleaner to Turbo, Start Serial: Z7RZ03901

1шт.

22

87651299

INTAKE AIR HOSE,101.60 mm ID, 114.30 mm ID x 228.60 mm

Air Cleaner to Turbo With Air Brakes, Start Serial: Z7RZ03901

1шт.

23

87746903

BRACKET

Deaeration Bottle, Lower

1шт.

24

9804258

BOLT,Hex, M8 x 1.25 x 20mm, Cl 8.8

4шт.

25

284427A1

VALVE

Aspirator Check, Start Serial: Z6RZ03563

1шт.

26

414194A1

HOSE

Aspirator, Upper, Start Serial: Z6RZ03563

1шт.

27

87525734

HOSE,38.1mm ID x 590mm L

Aspirator, Lower, Start Serial: Z6RZ03563

1шт.

28

825-2408

FLANGE NUT,M8 x 1.25, Flg, Cl 8

2шт.

29

84129984

BRACKET

1шт.

30

87656133

HOSE CLAMP,4.94" - 5.25"

1шт.

31

87652891

CLAMP,4.44" - 4.75"

1шт.

32

87493669

LATCH

Air Cleaner, Cover

1шт.

33

87741565

AIR CLEANER

Housing, Start Serial: Z8RZ03733

1шт.

Выбрано товаров: 40