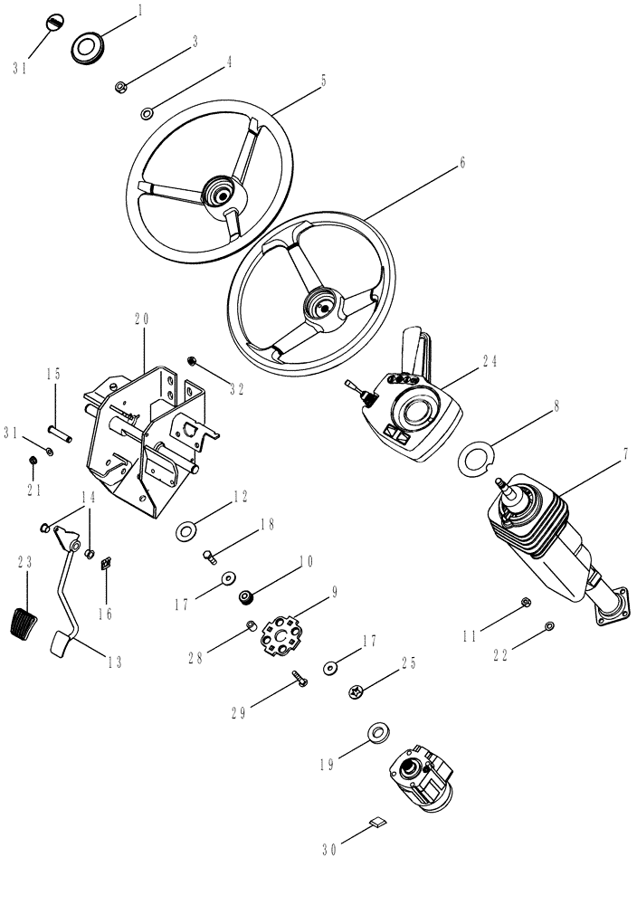
Запчасти Case IH MAGNUM 255 (05-01) - STEERING WHEEL AND COLUMN (05) - STEERING

Схема запчастей Case IH MAGNUM 255 - (05-01) - STEERING WHEEL AND COLUMN (05) - STEERING
32
16
31
8
5
20
22
14
12
24
6
19
23
13
9
7
17
28
29
4
30
1
18
31
10
11
21
3
25
17
15
FIT
1:1
100%

Артикул

Название

Примечание

Количество

1

361024A3

CAP

1шт.

3

86639148

NUT,M14 x 1.5, Cl 8

1шт.

4

895-11014

WASHER,M14 x 28 x 2.5

1шт.

5

224818A3

STEERING WHEEL

Standard, If used

1шт.

6

301200A1

STEERING WHEEL

Deluxe, If used

1шт.

7

406697A2

STEERING COLUMN

1шт.

See Figure 05-02

1шт.

8

1977448C2

WASHER

1шт.

9

366073A1

PLATE

1шт.

10

434177A1

ISOLATOR

4шт.

11

412141

NUT,M10 x 1.5, Cl 8

4шт.

12

307559A1

SEAL,25mm ID x 48mm OD x 2mm Thk

1шт.

13

295191A3

PEDAL

1шт.

14

1533540C1

BUSHING,12mm ID x 14mm OD x 12mm L

2шт.

15

295192A1

PIN,12mm OD x 62.5mm L

1шт.

16

277059A1

CLIP

1шт.

17

86636827

WASHER,0.41" ID x 1.25" OD x 0.13" Thk

8шт.

18

9706704

BOLT,Hex, M10 x 1.5 x 41.58mm, Cl 8.8

4шт.

19

296775A2

SEAL

1шт.

20

401251A5

BRACKET

1шт.

21

825-2408

FLANGE NUT,M8 x 1.25, Flg, Cl 8

4шт.

22

895-11010

WASHER,11mm ID x 20mm OD x 2mm Thk

4шт.

23

323657A1

PAD

1шт.

24

86993721

CONSOLE

1шт.

See Figure 06-27

1шт.

25

329677A1

RETAINER,9.09mm ID x 19.87mm OD x 0.38mm Thk

8шт.

28

295478A1

SPACER

4шт.

29

370105A2

BOLT

4шт.

30

P741441

SPACER

4шт.

31

87613502

INSERT

1шт.

32

825-2408

FLANGE NUT,M8 x 1.25, Flg, Cl 8

4шт.

Выбрано товаров: 0