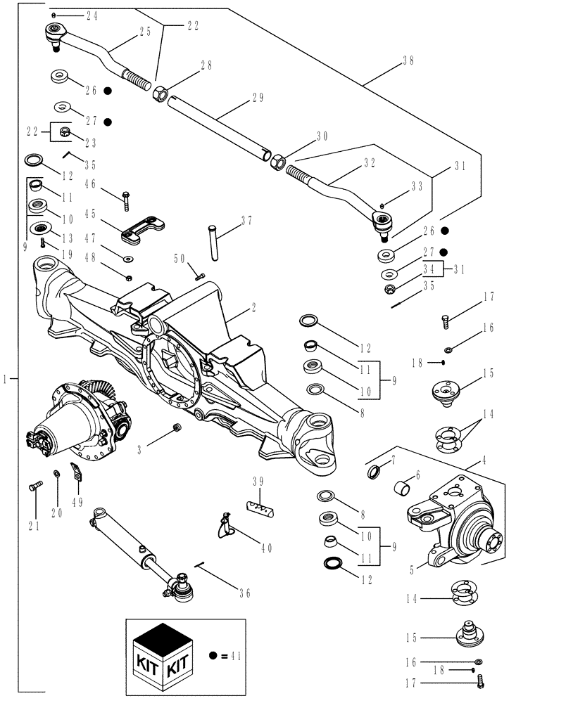
Запчасти Case IH MAGNUM 255 (05-05) - MFD AXLE HOUSING ASSEMBLY - STANDARD WITH 10 BOLT HUB, WITHOUT DIFFERENTIAL LOCK (05) - STEERING

Схема запчастей Case IH MAGNUM 255 - (05-05) - MFD AXLE HOUSING ASSEMBLY - STANDARD WITH 10 BOLT HUB, WITHOUT DIFFERENTIAL LOCK (05) - STEERING
36
23
11
22
10
49
21
1
41
41
19
26
39
37
41
41
11
34
31
31
46
25
24
12
35
13
41
12
38
6
33
10
28
20
45
26
29
9
48
18
8
35
16
14
17
14
11
4
8
9
50
10
27
32
16
47
7
3
22
18
5
30
40
41
15
9
27
12
2
15
17
FIT
1:1
100%

Артикул

Название

Примечание

Количество

1

87307643

AXLE

Complete With Differential And Planetaries, Inc. 2 - 53

1шт.

Axle BSN Z7RZ02024

1шт.

1

87588819

AXLE

Complete With Differential And Planetaries, Inc. 2 - 53

1шт.

Axle ASN Z7RZ02024

1шт.

1

87588819R

REMAN-AXLE

Remanufactured Axle

1шт.

1

87588819C

CORE-AXLE

Return number

1шт.

3

221-887

PLUG

3/4

2шт.

4

295163A2

STEERING KNUCKLE

Right Hand, Inc. 5 - 7

1шт.

4

295162A2

STEERING KNUCKLE

Left Hand, Inc. 5 - 7

1шт.

5

NSS

NOT SOLD SEPARAT

Knuckle, Housing

1шт.

6

235628A1

BUSHING

1шт.

7

128647A1

OIL SEAL

1шт.

8

382635A1

RETAINER,32mm ID x 67.31mm OD

3шт.

9

377919A1

SPH ROLLER BEARING,34.92mm ID x 68.27mm OD x 21.43mm W

Inc. 10, 11

4шт.

10

NSS

NOT SOLD SEPARAT

Ring, Inner

1шт.

11

NSS

NOT SOLD SEPARAT

Ring, Outer

1шт.

12

1277270C1

OIL SEAL

4шт.

13

87440524

RETAINER

If Equipped (Shown)

1шт.

14

310960A1

SHIM KIT

Inc. 14

4шт.

14

NSS

NOT SOLD SEPARAT

Shim .005

5шт.

14

NSS

NOT SOLD SEPARAT

Shim .007

5шт.

14

NSS

NOT SOLD SEPARAT

Shim .010

5шт.

14

NSS

NOT SOLD SEPARAT

Shim .015

5шт.

14

NSS

NOT SOLD SEPARAT

Shim .030

5шт.

14

NSS

NOT SOLD SEPARAT

Shim .060

5шт.

15

378409A1

CAP

4шт.

16

896-11014

WASHER,15.5mm ID x 28mm OD x 3mm Thk

12шт.

17

627-14045

BOLT,Hex, M14 x 2 x 45mm, Cl 10.9, Full Thd

12шт.

18

219-1

LUBE NIPPLE,1/8" - 27 NPTF

4шт.

19

615-6012

BOLT,Hex, M6 x 1 x 12mm, Cl 8.8, Full Thd

If Equipped

1шт.

20

896-11014

WASHER,15.5mm ID x 28mm OD x 3mm Thk

16шт.

21

627-14045

BOLT,Hex, M14 x 2 x 45mm, Cl 10.9, Full Thd

16шт.

22

87455778

BALL JOINT

Left Hand Threads, Inc. 23 - 25

1шт.

23

87455806

NUT

M22

1шт.

24

87455807

FITTING

Grease

1шт.

25

NSS

NOT SOLD SEPARAT

Ball Joint Left Hand

1шт.

26

NSS

NOT SOLD SEPARAT

BOOT

1шт.

27

NSS

NOT SOLD SEPARAT

SAMPLE

1шт.

28

87455777

NUT

M36, Left Hand Threads

1шт.

29

87455775

TUBE

1шт.

30

87455776

NUT

M36, Right Hand Threads

1шт.

31

87455779

BALL JOINT

Right Hand Threads, Inc. 32 - 34

1шт.

32

NSS

NOT SOLD SEPARAT

Ball Joint Right Hand

1шт.

33

87455807

FITTING

Grease

1шт.

34

87455806

NUT

M22

1шт.

35

432-820

COTTER PIN,1/8" x 1 1/4"

2шт.

36

432-820

COTTER PIN,1/8" x 1 1/4"

2шт.

37

292565A1

PIN,22.25mm OD x 155mm L

2шт.

38

87455736

STEERING ASSY

Tie Rod, Inc. 22, 24 - 25, 28 - 33

1шт.

39

281914A1

ROD

ADJUSTMENT, (3 Hole) Steering Stop, Length 113 mm, If Used (Shown)

2шт.

39

451995A1

ADJUSTMENT ROD

(4 Hole) Steering Stop, Length 171 mm, If Used

2шт.

39

87368673

ADJUSTMENT ROD

(5 Hole) Steering Stop, Length 171 mm, If Used

2шт.

40

87404993

AXLE PIN

2шт.

41

87455748

KIT

Inc. 26, 27

1шт.

45

297333A2

BLOCK ASSY.

2шт.

46

844-12070

BOLT,Hvy Hex, M12 x 70mm, Cl 8.8

4шт.

47

80299

WASHER,0.69" ID x 1.75" OD x 0.13" Thk

4шт.

48

829-1412

NUT,M12, Cl 10.9

4шт.

49

352782A1

STRAP

1шт.

50

863-8020

HEX SOC SCREW,M8 x 20mm, Cl 12.9

2шт.

52

87433501

BUSHING,60.46mm ID x 74.97mm OD x 75.78mm L

(Not Shown)

2шт.

53

353-77

PLUG,Cap, .576" OD

(Not Shown)

8шт.

Выбрано товаров: 0