Запчасти Case IH MAGNUM 260 (25.100.BB[01]) - VAR - 420228 DANA FRONT AXLE PIVOT, CLASS 4.75, SUSPENDED (25) - FRONT AXLE SYSTEM

Схема запчастей Case IH MAGNUM 260 - (25.100.BB[01]) - VAR - 420228 DANA FRONT AXLE PIVOT, CLASS 4.75, SUSPENDED (25) - FRONT AXLE SYSTEM
4
9
2
5
9
2
10
10
9
7
home
3
2
1
9
10
10
3
10
9
8
2
10
39.100.ay 01
9
2
2
9
6
2
7
10
FIT
1:1
100%

Артикул

Название

Примечание

Количество

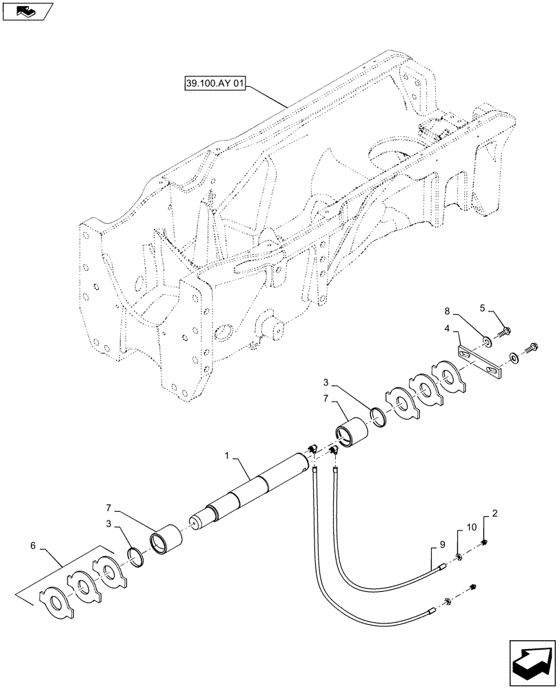
1

84372521

PIN,60.26mm OD x 510mm L

1шт.

2

219-8

LUBE NIPPLE,1/4" - 28 NPTF

Grease

2шт.

3

87400202

SEAL

2шт.

4

84409103

PLATE

Slotted, length 90 mm (3.5 in)

1шт.

4

87677299

PLATE

Slotted, Length 130 mm (5.1 in)

1шт.

5

857-12035

BOLT,Hvy Hex, M12 x 35mm, Cl 10.9

2шт.

6

87309060

THRUST WASHER,60.8mm ID x 112mm OD x 7.75mm Thk

5.75 / 7.75 mm

1шт.

6

87309061

THRUST WASHER,6.25mm Thk

6.25 / 8.25 mm

1шт.

6

87309062

THRUST WASHER,7mm Thk

7.0 / 9.0 mm

1шт.

6

87309063

THRUST WASHER,7.5mm Thk

7.5 / 9.5 mm

1шт.

6

87369711

THRUST WASHER,60.8mm ID x 112mm OD x 8mm Thk

8.0 / 10.0 mm

1шт.

7

87433501

BUSHING,60.46mm ID x 74.97mm OD x 75.78mm L

2шт.

8

896-16012

WASHER,13.5mm ID x 28mm OD x 4mm Thk

2шт.

9

L114211

HOSE,4.83mm ID x 549mm L

Grease

2шт.

10

F53473

LOCK NUT,1/8-27 NPSM

2шт.

Выбрано товаров: 15