Запчасти Case IH MAGNUM 260 (25.102.AD[01]) - VAR - 429286 DIFFERENTIAL, CLASS 4.5 (25) - FRONT AXLE SYSTEM

Схема запчастей Case IH MAGNUM 260 - (25.102.AD[01]) - VAR - 429286 DIFFERENTIAL, CLASS 4.5 (25) - FRONT AXLE SYSTEM
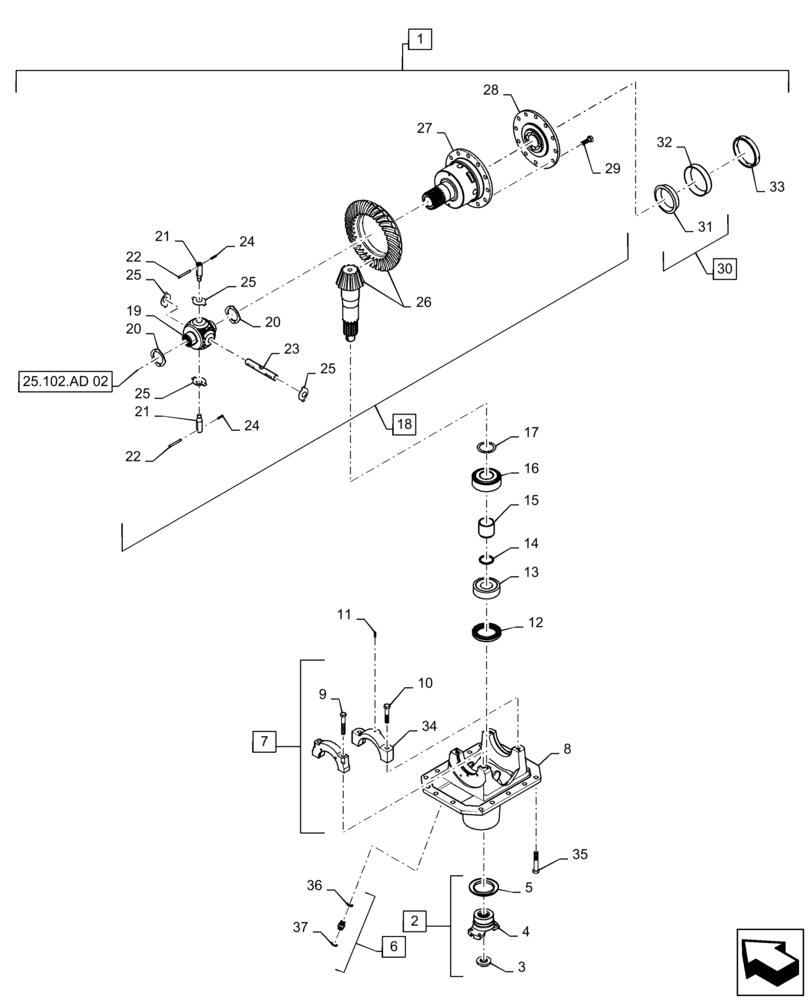
1
5
8
20
25
11
24
23
27
25
12
22
29
25.102.ad 02
37
24
30
21
32
25
21
4
26
28
10
17
33
6
15
34
3
36
25
14
9
20
13
35
22
7
18
31
2
16
19
FIT
1:1
100%

Артикул

Название

Примечание

Количество

1

84270588

DIFFERENTIAL

Assy, Standard Axle, Incl 2 - 37

1шт.

2

84468382

YOKE

Assy, MFD Input 5C; Incl 4 - 5

1шт.

3

5111953

NUT,M24 x 1.5

Ring, M24x20

1шт.

4

84468381

YOKE

Differential Housing

1шт.

5

84379387

SHIELD

Input Yoke

1шт.

6

86579672

HYD CONNECTOR,11/16"-16 ORFS x M16 x 1.5 ORB

Incl 36 - 37

1шт.

7

84259906

CARRIER

Assy, Differential Housing; Incl 8 - 10, 34

1шт.

8

84259905

CARRIER

Differential

1шт.

9

14255734

SCREW,Hex, M14 x 1.5 x 90mm, Cl 10.9

M14x1.5x90 10.9 ZND

2шт.

10

14255334

SCREW,Hex, M14 x 1.5 x 75mm, Cl 10.9

M14x1.5x75 10.9 ZND

2шт.

11

13798231

SET SCREW,Hex Skt, M6 x 25mm, Cl 10.9, Full Thd, Cone Pt

Hex Soc. M6x25 10.9 ZND

1шт.

12

84296500

OIL SEAL,74.86mm ID x 107.97mm OD x 12mm Thk

Axle Input

1шт.

13

5141714

TAPERED BEARING,45mm ID x 85mm OD x 20mm W

Tapered, 45x100x38.25

1шт.

14

84260325

SHIM,45.5mm ID x 54.5mm OD x 3.00mm Thk

1шт.

14

84260669

SHIM,45.5mm ID x 54.5mm OD x 3.05mm Thk

1шт.

14

84260670

SHIM,45.5mm ID x 54.5mm OD x 3.10mm Thk

1шт.

14

84260671

SHIM,45.5mm ID x 54.5mm OD x 3.15mm Thk

1шт.

14

84260672

SHIM,45.5mm ID x 54.5mm OD x 3.20mm Thk

1шт.

14

84260673

SHIM,45.5mm ID x 54.5mm OD x 3.25mm Thk

1шт.

14

84260674

SHIM,45.5mm ID x 54.5mm OD x 3.30mm Thk

1шт.

14

84260675

SHIM,45.5mm ID x 54.5mm OD x 3.35mm Thk

1шт.

14

84260676

SHIM,45.5mm ID x 54.5mm OD x 3.40mm Thk

1шт.

14

84260677

SHIM,45.5mm ID x 54.5mm OD x 3.45mm Thk

1шт.

14

84260678

SHIM,45.5mm ID x 54.5mm OD x 3.50mm Thk

1шт.

14

84260679

SHIM,45.5mm ID x 54.5mm OD x 3.55mm Thk

1шт.

14

84260680

SHIM,45.5mm ID x 54.5mm OD x 3.60mm Thk

1шт.

14

84260681

SHIM,45.5mm ID x 54.5mm OD x 3.65mm Thk

1шт.

14

84260682

SHIM,45.5mm ID x 54.5mm OD x 3.70mm Thk

1шт.

14

84260683

SHIM,45.5mm ID x 54.5mm OD x 3.75mm Thk

1шт.

14

84260684

SHIM,45.5mm ID x 54.5mm OD x 3.80mm Thk

1шт.

14

84260685

SHIM,45.5mm ID x 54.5mm OD x 3.85mm Thk

1шт.

14

84260686

SHIM,45.5mm ID x 54.5mm OD x 3.90mm Thk

1шт.

14

84260687

SHIM,45.5mm ID x 54.5mm OD x 3.95mm Thk

1шт.

15

84269117

SPACER

Pinion Shaft

1шт.

16

84265047

BEARING,50mm ID x 110mm OD x 42.25mm W

Taper Roller

1шт.

17

84341970

SHIM

0.1 mm

1шт.

17

84341971

SHIM

0.2 mm

1шт.

17

84341972

SHIM

0.3 mm

1шт.

17

84341973

SHIM

0.4 mm

1шт.

17

84341974

SHIM

0.5 mm

1шт.

17

84341975

SHIM

0.6 mm

1шт.

17

84341976

SHIM

0.7 mm

1шт.

17

84341977

SHIM

0.8 mm

1шт.

17

84341978

SHIM

0.9 mm

1шт.

17

84341979

SHIM

1.0 mm

1шт.

18

84270591

DIFFERENTIAL

Casing Assy, Standard Axle; Incl 19 - 29

1шт.

19

84270597

DIFFERENTIAL GEAR

Set

1шт.

20

84268845

THRUST WASHER

Differential Side, Gear

2шт.

21

84269852

PIN

Differential Short

2шт.

22

5173242

ROLL PIN,6.5mm OD x 61mm L

2шт.

23

87553920

PIN,21.96mm OD x 153mm L

Differential Long

1шт.

24

13807870

SET SCREW,Hex Soc, M8 x 14mm, Flat Pt

1шт.

25

84266205

THRUST WASHER,22mm ID x 49mm OD x 1.5mm Thk

Differential

4шт.

26

84259440

SET

CL4.5 Ring and Pinion

1шт.

27

84259973

CASE

Differential

1шт.

28

84259971

COVER

Differential

1шт.

29

84265312

BOLT,Hex, M14 x 1.5 x 40mm, Cl 10.9

M14X1.5X40 10.9 PHC

12шт.

30

84271167

BEARING,75mm ID x 120mm OD x 31mm W

Assy, 120x75x31; Incl 31 - 32

1шт.

31

87555202

BEARING CONE

75.0X29.5

1шт.

32

87555203

CUP

120 OD X 25.0 W

1шт.

33

87544772

RING NUT,M124

M124

1шт.

34

84270063

CAP

Differential Bearing Assy

1шт.

35

14254734

LOCK BOLT,Hex, M14 x 1.5 x 45mm, Cl 10.9

14шт.

36

86598100

O-RING,2.2mm Thk x 13.3mm ID, Cl 6, 90 Duro

1шт.

37

9993141

O-RING,0.07" Thk x 0.364" ID, -12, Cl 6, 90 Duro

1шт.

Выбрано товаров: 65