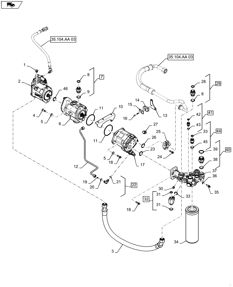
Запчасти Case IH MAGNUM 260 (35.000.AA[02]) - POWERSHIFT - HYDRAULIC SYSTEM, PISTON PUMP & FILTER, TWIN MEGA FLOW CAPACITY (35) - HYDRAULIC SYSTEMS

Схема запчастей Case IH MAGNUM 260 - (35.000.AA[02]) - POWERSHIFT - HYDRAULIC SYSTEM, PISTON PUMP & FILTER, TWIN MEGA FLOW CAPACITY (35) - HYDRAULIC SYSTEMS
46
12
23
29
43
28
13
19
home
5
21
33
5
35
39
24
17
10
35.104.aa 03
38
32
25
33
44
7
45
18
27
41
2
18
11
26
20
11
37
6
22
14
30
9
1
3
4
31
8
15
8
35.104.aa 03
31
42
40
34
16
36
FIT
1:1
100%

Артикул

Название

Примечание

Количество

1

87526196

PLUG

M18 x 1.5

1шт.

2

87538170

HYDRAULIC PUMP,111.5 LPM (29.5 GPM)

1шт.

2

87538170R

REMAN-HYD PUMP,45 CC

1шт.

2

87538170C

CORE-HYDRAULIC PUMP

Return Number

1шт.

3

405503A1

HOSE ASSY.,25.4mm ID x 1150mm L

Pump Inlet

1шт.

4

615-12035

BOLT,Hex, M12 x 1.75 x 35mm, Cl 8.8, Full Thd

2шт.

5

896-16012

WASHER,13.5mm ID x 28mm OD x 4mm Thk

6шт.

6

84347575

PUMP

Charge

1шт.

7

700-164

HYD CONNECTOR,1-3/16" - 12 Male ORFS x M33 x 2 Male ORB

Incl 8, 9

1шт.

8

637-64296

O-RING,2.9mm Thk x 29.6mm ID, Cl 6, 90 Duro

1шт.

9

238-6018

O-RING,0.07" Thk x 0.739" ID, -18, Cl 6, 90 Duro

2шт.

10

451054A1

BRACKET

Tube Clamp

1шт.

11

238-5345

O-RING,0.21" Thk x 3.975" ID, -345, Cl 5, 75 Duro

2шт.

12

451209A1

HYD TUBE

Load Sense, Serial Range: -ZCRC08725

1шт.

12

47413295

HOSE,9.53mm ID x 615mm L, SAE 100R17

Load Sense, Start Serial: ZCRC08726

1шт.

13

451211A1

PLATE

Clamp Mounting, Serial Range: -ZCRC08725

1шт.

13

86988840

BRACKET

Supply Tube Clamp, Start Serial: ZCRC08726

1шт.

14

1546024C1

CLAMP

Twin Tube, Serial Range: -ZCRC08725

1шт.

14

515-2395

CLAMP,3/8", Insul, 3/8" Bolt

, Start Serial: ZCRC08726

1шт.

15

384870A1

PLATE

Hose Clamp Cover, Serial Range: -ZCRC08725

1шт.

15

515-23175

CLAMP,11/16", Insul, 3/8" Bolt

, Start Serial: ZCRC08726

1шт.

16

814-8050

BOLT,Hex, M8 x 1.25 x 50mm, Cl 8.8

, Serial Range: -ZCRC08725

1шт.

16

614-8025

BOLT,Hex, M8 x 1.25 x 25mm, Cl 8.8, Full Thd

, Start Serial: ZCRC08726

1шт.

17

87538174

PUMP,156 LPM (41.3 GPM)

63cc

1шт.

17

87538174R

REMAN-HYD PUMP

63cc

1шт.

17

87538174C

CORE-HYDRAULIC PUMP

Return Number

1шт.

18

868-12035

12 PT SCREW,M12 x 35mm, Cl 12.9

8шт.

19

133519C1

SCREEN

1шт.

20

238-6012

O-RING,0.07" Thk x 0.364" ID, -12, Cl 6, 90 Duro

1шт.

21

637-63093

O-RING,2.2mm Thk x 9.3mm ID, Cl 6, 90 Duro

1шт.

22

451226A1

90 ELBOW

Incl 20, 21

1шт.

22

86994121

TEE

7/16 ORB x 11/16 ORF; Incl 20, 21

1шт.

USE TEE INSTEAD OF ELBOW IF UNIT HAS SUSPENDED FRONT AXLE

1шт.

23

238-5225

O-RING,0.139" Thk x 1.859" ID, -225, Cl 5, 75 Duro

1шт.

24

868-10030

12 PT SCREW,M10 x 30mm, Cl 12.9

4шт.

25

86980728

COLLAR CLAMP

1шт.

26

238-6219

O-RING,0.139" Thk x 1.296" ID, -219, Cl 6, 90 Duro

1шт.

27

218-5157

PLUG,Hex Hd, 7/8"-14 ORB

1шт.

28

238-6021

O-RING,15/16 X 1 - 1/16, Cl 6

1шт.

29

700-105

HYD CONNECTOR,1-7/16" - 12 Male ORFS x M33 x 2 Male ORB

Incl 8, 28

1шт.

30

221576A1

PLUG,Hex Soc, M14 x 1.5, ORB

1шт.

31

9991976

O-RING,0.07" Thk x 0.739" ID, -18, Cl 6, 90 Duro

2шт.

32

86579712

TEE,M27 x 2 x 55.5mm

Incl 31, 33

1шт.

33

86598103

O-RING,2.9mm Thk x 23.6mm ID, Cl 6, 90 Duro

2шт.

34

84487937

HYDRAULIC OIL FILTER,Spin On, 14.48" OAL

Hydraulic Oil Charge/Lube

1шт.

35

1957801C1

PRESSURE SWITCH

Hydraulic Filter, Incl 36

1шт.

36

237-6006

O-RING,0.078" Thk x 0.468" ID, -906, Cl 6, 90 Duro

1шт.

37

84355445

HEAD

Hydraulic Filter

1шт.

38

637-64296

O-RING,2.9mm Thk x 29.6mm ID, Cl 6, 90 Duro

1шт.

39

238-6025

O-RING,0.07" Thk x 1.176" ID, -25, Cl 6, 90 Duro

1шт.

40

700-134

HYD CONNECTOR,1-11/16" - 12 Male ORFS x M33 x 2 Male ORB

Incl 38, 39

1шт.

41

700-102

HYD CONNECTOR,13/16" - 16 Male ORFS x M18 x 1.5 Male ORB

Incl 42, 43

1шт.

42

238-6014

O-RING,0.07" Thk x 0.489" ID, -14, Cl 6, 90 Duro

1шт.

43

637-63153

O-RING,2.2mm Thk x 15.3mm ID, Cl 6, 90 Duro

1шт.

44

86597760

HYD CONNECTOR,1"-14 ORFS x M2 x 2.0 ORB

Incl 33, 45

1шт.

45

9992069

O-RING,0.07" Thk x 0.614" ID, -16, Cl 6, 90 Duro

1шт.

46

238-5243

O-RING,0.139" Thk x 4.11" ID, -243, Cl 5, 75 Duro

1шт.

Выбрано товаров: 57