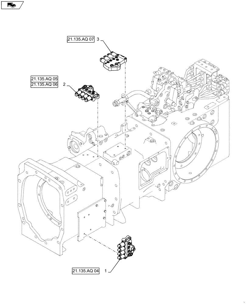
Запчасти Case IH MAGNUM 260 (21.135.AQ[02]) - POWERSHIFT- TRANSMISSION CONTROL VALVE LOCATION (21) - TRANSMISSION

Схема запчастей Case IH MAGNUM 260 - (21.135.AQ[02]) - POWERSHIFT- TRANSMISSION CONTROL VALVE LOCATION (21) - TRANSMISSION
21.135.aq 06
3
21.135.aq 04
home
2
1
21.135.aq 07
21.135.aq 05
FIT
1:1
100%

Артикул

Название

Примечание

Количество

1

450729A2

VALVE

Speed

1шт.

2

450724A2

VALVE

Odd/Even

1шт.

Without Creep or 19 Speed/Without 50 KPH

1шт.

2

450728A2

VALVE

Odd/Even

1шт.

With Creep or 19 Speed/With 50 KPH

1шт.

3

87323842

VALVE

MFD, PWM, Range

1шт.

Выбрано товаров: 6