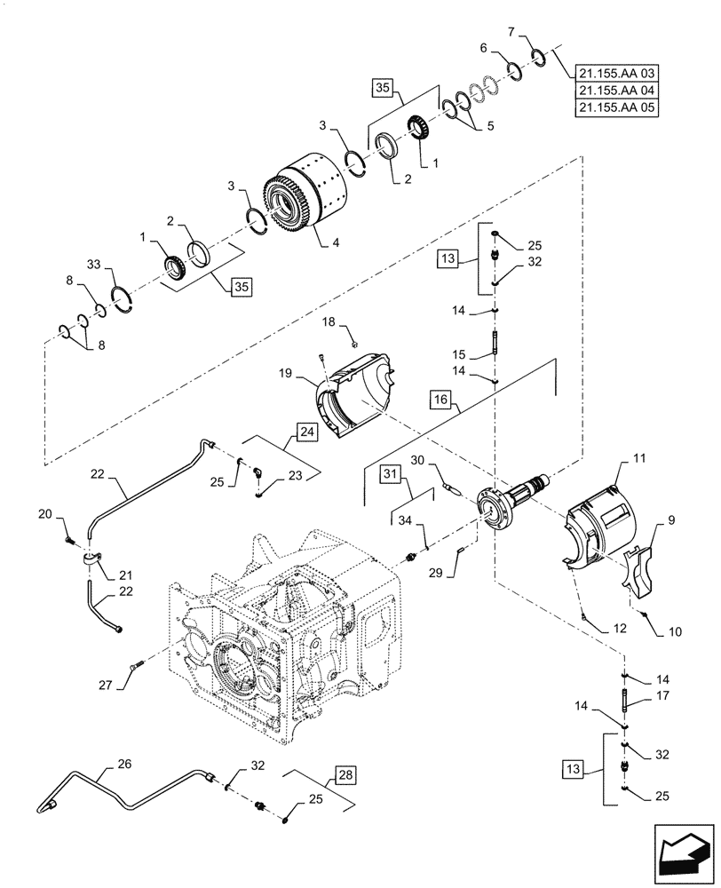
Запчасти Case IH MAGNUM 260 (21.155.AA[01]) - POWERSHIFT - RANGE TRANSMISSION - MFD CLUTCH AND PARKING BRAKE - BSN ZDRD04268 (21) - TRANSMISSION

Схема запчастей Case IH MAGNUM 260 - (21.155.AA[01]) - POWERSHIFT - RANGE TRANSMISSION - MFD CLUTCH AND PARKING BRAKE - BSN ZDRD04268 (21) - TRANSMISSION
21.155.aa 05
7
3
14
8
14
5
20
1
14
15
14
27
17
13
32
25
22
32
3
1
16
31
30
2
25
32
33
34
4
21
26
29
13
28
9
10
2
22
12
35
19
23
11
24
8
35
18
6
25
25
21.155.aa 04
21.155.aa 03
FIT
1:1
100%

Артикул

Название

Примечание

Количество

1

630694C1

BEARING CONE,64.98mm ID x 105mm OD x 24mm W

Cone

2шт.

2

630695C1

BEARING CUP,65mm ID x 105mm OD x 24mm W

Cup

2шт.

3

101-21412

SNAP RING,#412, 4.430", Int

2шт.

4

87455297

GEAR

MFD Park Brake

1шт.

5

138121A1

SHIM,65mm ID x 80mm OD x 0.2mm Thk

1шт.

5

1997893C1

SHIM,65.5mm ID x 80mm OD x 0.51mm Thk

1шт.

5

1997894C1

SHIM,65.5mm ID x 80mm OD x 0.56mm Thk

1шт.

5

1997895C1

SHIM,65.5mm ID x 80mm OD x 0.64mm Thk

1шт.

6

1277309C1

WASHER,65.25mm ID x 77mm OD x 3mm Thk

1шт.

7

1997891C1

SNAP RING

External

1шт.

8

445336A1

SEALING RING,Locking, 50.91mm ID x 54.91mm OD x 2.87mm Thk

P/B & MFD Pressure

3шт.

9

87343231

SHIELD

Constant Mesh Gear

1шт.

10

87348536

RIVET,6.4mm OD x 22.8mm L

1шт.

11

87337873

SHIELD

Upper Half

1шт.

12

87331111

HEX SOC SCREW,M8 x 16mm, Cl 8.8

4шт.

13

201-102

HYD CONNECTOR,13/16" - 16 Male ORFS x 3/4" - 16 Male ORB

Incl 25, 32

2шт.

14

238-6013

O-RING,0.07" Thk x 0.426" ID, -13, Cl 6, 90 Duro

4шт.

15

120514C2

TUBE,7.47 mm ID, 11.85 mm OD

1шт.

16

87536356

SHAFT

Brake, Assy; Incl 29, 30, 31

1шт.

17

87425392

HYD TUBE,7.5 mm ID x 14.15 mm OD x 132 mm L

1шт.

18

87332637

CLIP

Park Brake MFD Shield

6шт.

19

87337875

SHIELD

Lower Half

1шт.

20

614-10020

BOLT,Hex, M10 x 1.5 x 20mm, Cl 8.8, Full Thd

1шт.

21

515-23127

CLAMP,1/2", Insul, 3/8" Bolt

1шт.

22

87307978

TUBE,0.50" OD

1шт.

23

637-63113

O-RING,2.2mm Thk x 11.3mm ID, Cl 6

1шт.

24

700-332

ELBOW,90 Degree Elbow, 13/16" - 16 Male ORFS x M14 x 1.5 Male ORB

Incl 23, 25

1шт.

25

238-6014

O-RING,0.07" Thk x 0.489" ID, -14, Cl 6, 90 Duro

4шт.

26

124306A1

TUBE,12.7 mm OD, 469, 181 mm Length

1шт.

27

828-12050

BOLT,Hex, M12 x 1.75 x 50mm, Cl 10.9

6шт.

28

87318672

UNION

Creep, Lube; Incl 25

1шт.

29

837-10025

DOWEL,M10 x 25

2шт.

30

87520608

EXPANSION PLUG,8mm

3шт.

31

218-5351

HYD CONNECTOR,3/4"-16, 37 Degree x 9/16"-18, O-Ring

Incl 34

1шт.

32

237-6008

O-RING,0.087" Thk x 0.644" ID, -908, Cl 6, 90 Duro

3шт.

33

101-11225

SNAP RING,#225, Ext

1шт.

34

237-6006

O-RING,0.078" Thk x 0.468" ID, -906, Cl 6, 90 Duro

1шт.

35

86577049

TAPERED BEARING,65mm ID x 105mm OD x 24mm W

2шт.

Выбрано товаров: 38