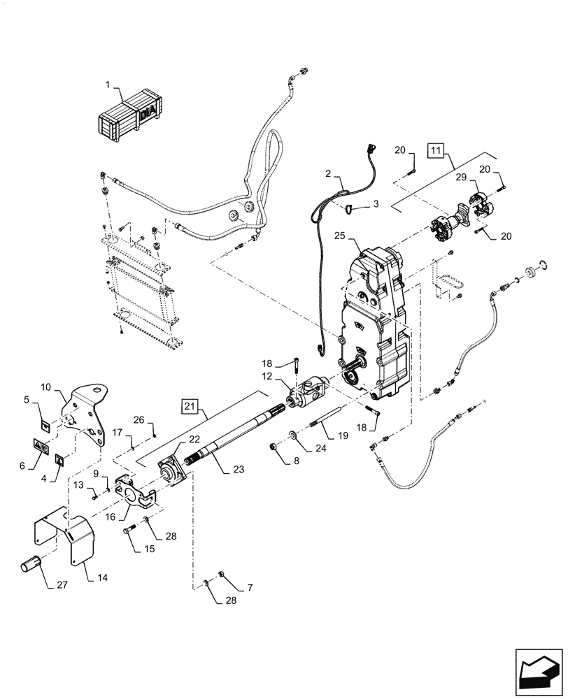
Запчасти Case IH MAGNUM 2654 (31.146.AS[01]) - VAR - 330847 - FPTO HITCH NA CIH, TYPE 2 CW (31) - IMPLEMENT POWER TAKE OFF

Схема запчастей Case IH MAGNUM 2654 - (31.146.AS[01]) - VAR - 330847 - FPTO HITCH NA CIH, TYPE 2 CW (31) - IMPLEMENT POWER TAKE OFF
28
3
21
22
27
18
4
5
20
20
18
12
16
28
2
25
24
23
6
13
26
17
10
1
11
8
14
29
9
15
7
20
19
FIT
1:1
100%

Артикул

Название

Примечание

Количество

1

47641977

DIA KIT, TRACTOR

Front PTO Completion, Clockwise, Incl 2 - 29

1шт.

2

84395692

HARNESS

Front PTO

1шт.

3

L11541

CABLE TIE,203.2mm L, Nylon

1шт.

4

296042A1

DECAL

PTO, 1000 RPM

1шт.

5

84270894

DECAL

Entanglement Hazard

1шт.

6

84512338

DECAL

200 hp / 147kW MAX

1шт.

7

12577311

LOCK NUT,Prevailing Torque, M14 x 2.0 x 16.6mm, Cl8, ZND

4шт.

8

11703221

NUT

4шт.

9

12646701

WASHER,8.15mm ID x 20mm OD x 2mm Thk

2шт.

10

47390846

BRACKET

Accumulator and Front Electrical Connector

1шт.

11

84230345

PTO SHAFT

Front PTO Upper, Incl 20, 29

1шт.

12

84251789

UNIVERSAL JOINT

Front PTO Output Shaft

1шт.

13

84123843

BOLT,Hex, M8 x 20mm, Cl 8.8, Full Thd

2шт.

14

47390845

GUARD

Front PTO Master Shield

1шт.

15

440419

BOLT,Hex, M14 x 2 x 55mm, Cl 8.8, Full Thd

4шт.

16

47390844

BRACKET

Front PTO Master Shield

1шт.

17

14496501

WASHER,8.4mm ID x 17mm OD x 1.6mm Thk

2шт.

18

86512143

HEX SOC SCREW,M12 x 1.75 x 70mm, Cl 12.9, Full Thd

2шт.

19

84425464

STUD

Front PTO Gearbox Mounting

4шт.

20

863-8040

HEX SOC SCREW,M8 x 40mm, Cl 12.9

16шт.

21

84517473

PTO SHAFT

Incl 22, 23

1шт.

22

84251787

FLANGE

Front PTO Output Shaft Bearing

1шт.

23

84517475

PTO SHAFT

Front PTO Type 2 Output

1шт.

24

86629891

WASHER,19.8mm ID x 41.5mm OD x 5mm Thk

4шт.

25

47641933

GEARBOX

Front PTO Output, Dropbox, Clockwise, CW

1шт.

26

9706690

NUT,M8 x 1.25, Cl 8

2шт.

27

87515212

PROTECTIVE COVER

Front PTO Shaft

1шт.

28

87016615

WASHER,15.3mm ID x 28.5mm OD x 3mm Thk

8шт.

29

84545942

CROSS

Front PTO Upper Drive Shaft

2шт.

Выбрано товаров: 29