Запчасти Case IH MAGNUM 2654 (37.110.AQ[01]) - ROCKSHAFT, REAR (37) - HITCHES, DRAWBARS & IMPLEMENT COUPLINGS

Схема запчастей Case IH MAGNUM 2654 - (37.110.AQ[01]) - ROCKSHAFT, REAR (37) - HITCHES, DRAWBARS & IMPLEMENT COUPLINGS
2
11
1
6
3
9
5
6
5
7
8
4
12
4
13
10
FIT
1:1
100%

Артикул

Название

Примечание

Количество

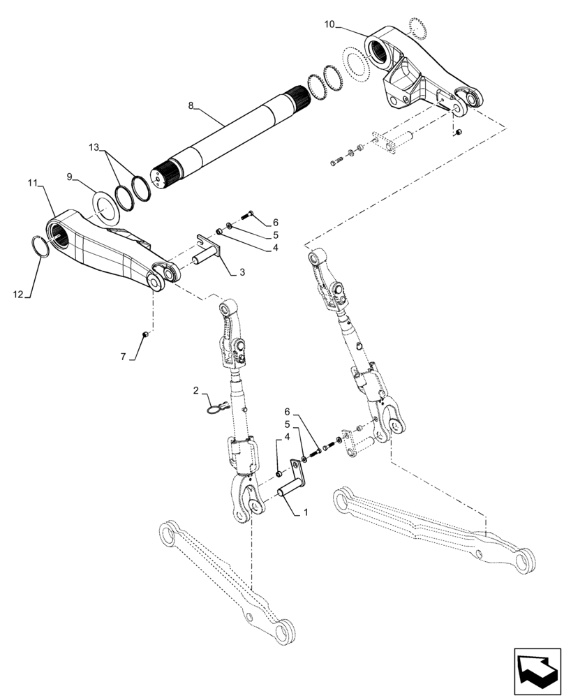
1

414696A1

PIN ASSY.,34.91mm OD x 140mm L

Flag

2шт.

2

433205A2

SPRING

Spreader Bar Retainer

1шт.

3

321367A3

PIN ASSY.,34.91mm OD x 133mm L

Flag

2шт.

4

321365A1

SPACER,13.5mm ID x 22.23mm OD x 12.5mm L

4шт.

5

896-15012

WASHER,13.5mm ID x 28mm OD x 4mm Thk

4шт.

6

827-12050

BOLT,Hex, M12 x 1.75 x 50mm, Cl 10.9

4шт.

7

832-10412

NUT,M12 x 1.75, Cl 8

2шт.

8

84420449

ROCKSHAFT

3PT Hitch

1шт.

9

87572476

WASHER

Rocker Arm

2шт.

10

84275822

ARM

Right Hand

1шт.

11

84275823

ARM

Left Hand

1шт.

12

101-11350

SNAP RING,#350, Ext

2шт.

13

222354A1

SEAL

Rocker Pivot Pin

4шт.

Выбрано товаров: 0