Запчасти Case IH MAGNUM 280 (10.414.AC[01]) - FAN, ENGINE (10) - ENGINE

Схема запчастей Case IH MAGNUM 280 - (10.414.AC[01]) - FAN, ENGINE (10) - ENGINE
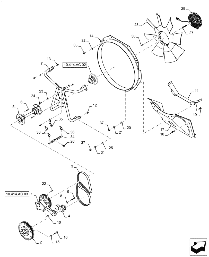
29
30
5
32
35
8
21
2
28
36
36
19
13
37
11
22
10.414.ac 02
16
18
10
33
25
6
20
34
15
23
12
10.414.ac 03
24
4
3
1
9
31
7
37
14
26
17
27
FIT
1:1
100%

Артикул

Название

Примечание

Количество

1

47595625

SUPPORT

Fan Bearing Assy, Serial Range: -ZERH08099

1шт.

1

47746634

SUPPORT

Fan Bearing Assy, Start Serial: ZERH08100

1шт.

2

84195787

PULLEY,286mm OD

Fan Belt

1шт.

3

84257945

BELT

Fan Drive, 1936mm, 8 Rib

1шт.

4

87345929

BELT TENSIONER

1шт.

5

84424389

SHAFT

Cooling Fan

1шт.

6

84388504

SCREW,M8 x 25mm, Cl 12.9

8mm x 25mm

12шт.

7

84289375

SUPPORT

WA Fan

1шт.

8

895-15010

WASHER,11mm ID x 24mm OD x 2mm Thk

1шт.

9

47640107

BOLT,M10X80 10.9

1шт.

10

84465305

BOLT,Hex, M10 x 25mm, Cl 10.9

10mm x 25mm

2шт.

11

84289380

SUPPORT

Shroud

1шт.

12

84238738

SPACER,10.34mm ID x 15.88mm OD x 12mm L

5/8" Tube

4шт.

13

87342153

SPACER,10.34mm ID x 15.88mm OD x 6.3mm L

5/8" Tube

4шт.

14

84546910

SHROUD

Fan

1шт.

15

86625255

WASHER,13.3mm ID x 24.5mm OD x 3mm Thk

6шт.

16

337476

BOLT,Hex, M12 x 1.75 x 50mm, Cl 10.9

6шт.

17

84563486

TROUGH

1шт.

18

844-8020

BOLT,Hvy Hex, M8 x 20mm, Cl 8.8

13шт.

19

811-8030

CARRIAGE BOLT,Sht Sq Nk, M8 x 1.25 x 30mm, Cl 8.8

2шт.

20

895-25008

WASHER,9mm ID x 24mm OD x 2mm Thk

4шт.

21

825-2408

FLANGE NUT,M8 x 1.25, Flg, Cl 8

4шт.

22

84465306

BOLT,Hex, M10 x 35mm, Cl 10.9

10mm x 35mm

2шт.

23

87015284

WASHER,8.8mm ID x 21.5mm OD x 2.5mm Thk

6шт.

24

864-8020

HEX SOC SCREW,M8 x 20mm, Cl 8.8

6шт.

25

895-15008

WASHER,9mm ID x 20mm OD x 1.6mm Thk

14шт.

26

844-10025

BOLT,Hex, M10 x 25mm, Cl 8.8

2шт.

27

863-12080

HEX SOC SCREW,M12 x 80mm, Cl 12.9

1шт.

28

84278713

FAN

Cooling Module

1шт.

29

84416324

DRIVE

Electronic, Drive

1шт.

30

627-8020

BOLT,Hex, M8 x 1.25 x 20mm, Cl 10.9, Full Thd

6шт.

31

829-1408

NUT,Hex, M8 x 1.25, Cl 10.9

8шт.

32

87613211

WASHER,0.41" ID x 1" OD x 0.12" Thk

0.406mm x 1mm x 0.12mm

2шт.

33

825-2410

FLANGE NUT,M10 x 1.5, Flg, Cl 8

2шт.

34

47610288

BRACKET

Harness Support

1шт.

35

47617674

BRACKET

Harness Support

1шт.

36

84292754

CLIP,Cable Tie W/ Fir Tree, 5mm OD x 203mm OAL

4шт.

37

48052841

CAP

Nut, M8

6шт.

Выбрано товаров: 38