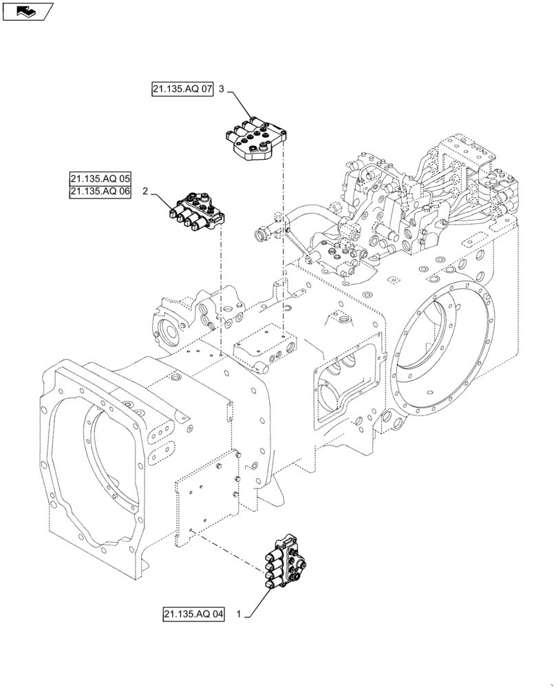
Запчасти Case IH MAGNUM 280 (21.135.AQ[02]) - VAR - 429330, 429331, 429332, 429333 - POWERSHIFT- TRANSMISSION CONTROL VALVE LOCATION (21) - TRANSMISSION

Схема запчастей Case IH MAGNUM 280 - (21.135.AQ[02]) - VAR - 429330, 429331, 429332, 429333 - POWERSHIFT- TRANSMISSION CONTROL VALVE LOCATION (21) - TRANSMISSION
2
21.135.aq 07
21.135.aq 06
3
home
21.135.aq 05
1
21.135.aq 04
FIT
1:1
100%

Артикул

Название

Примечание

Количество

1

450729A2

VALVE

Speed

1шт.

2

450724A2

VALVE

Odd Even, W/O Creep, W/O 50 KPH

1шт.

2

450728A2

VALVE

Odd Even, W/ Creep, W/ 50 KPH

1шт.

3

87323842

VALVE

MFD, PWM, Range

1шт.

Выбрано товаров: 4