Запчасти Case IH MAGNUM 280 (41.216.AV[02]) - SUSPENDED FRONT AXLE, HYDR LINES - ASN ZERF08100 (41) - STEERING

Схема запчастей Case IH MAGNUM 280 - (41.216.AV[02]) - SUSPENDED FRONT AXLE, HYDR LINES - ASN ZERF08100 (41) - STEERING
10
8
4
16
20
4
2
1
16
11
14
13
17
9
19
5
7
15
18
6
3
1
17
12
1
15
FIT
1:1
100%

Артикул

Название

Примечание

Количество

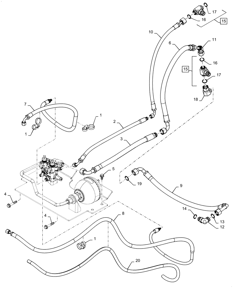
1

86991000

CLAMP

Clamp, Dual Tie

4шт.

2

47751616

HYDRAULIC HOSE

Hose Assy, Susp Axle Valve, A Port

1шт.

3

47751619

HYDRAULIC HOSE

Hose Assy, Susp Axle Valve, B Port

1шт.

4

844-12070

BOLT,Hvy Hex, M12 x 70mm, Cl 8.8

2шт.

5

844-12025

BOLT,Hvy Hex, M12 x 25mm, Cl 8.8

3шт.

6

47724247

HYDRAULIC HOSE

Hose Assy, Susp Axle Valve, B Port

1шт.

7

47665350

HOSE

Hose Assy, Susp Axle Valve Return, Powershift

1шт.

8

47666548

HOSE

Hose Assy, Susp Axle Valve Supply, Powershift

1шт.

9

47724255

HYDRAULIC HOSE

Hose Assy, Susp Axle Valve, B Port

1шт.

10

47726726

HYDRAULIC HOSE

Hose Assy, Susp Axle Valve, A Port

1шт.

11

84214051

45 ELBOW,1-3/16"-12 ORFS x 14mm

20mm ORFS-ORFS

1шт.

12

86579697

ELBOW,90 Degree, 1-3/16"-12 ORFS x M27 x 2.0 ORB

1шт.

13

86598103

O-RING,2.9mm Thk x 23.6mm ID, Cl 6, 90 Duro

1шт.

14

9991976

O-RING,0.07" Thk x 0.739" ID, -18, Cl 6, 90 Duro

1шт.

15

86579712

TEE,M27 x 2 x 55.5mm

Tee, -12 ORFS X M27 X 2 Adj Branch ORB Incl 16, 17

2шт.

16

86598103

O-RING,2.9mm Thk x 23.6mm ID, Cl 6, 90 Duro

2шт.

17

9991976

O-RING,0.07" Thk x 0.739" ID, -18, Cl 6, 90 Duro

4шт.

18

84989412

ELBOW,90 Degree, 1-3/16-12 ORFS x 1-3/16"-12 Fem Sw

1шт.

19

9991976

O-RING,0.07" Thk x 0.739" ID, -18, Cl 6, 90 Duro

1шт.

20

87403388

CONDUIT

Susp Axle Valve Supply Hose, Powershift

1шт.

Выбрано товаров: 20