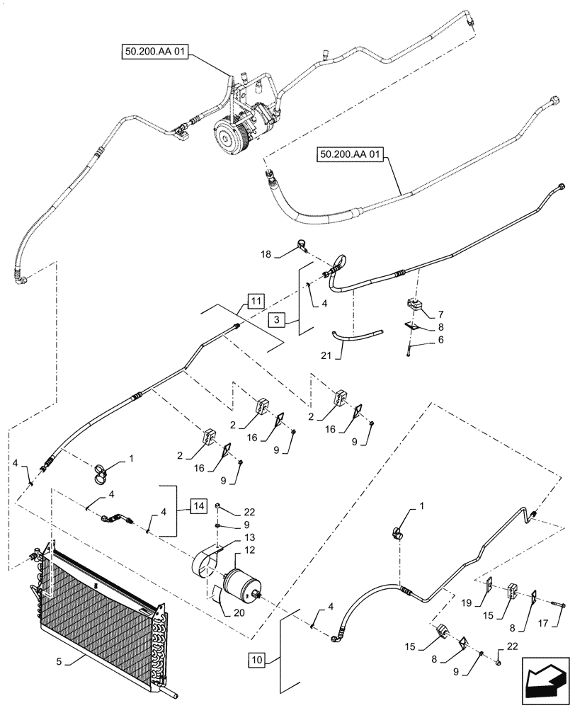
Запчасти Case IH MAGNUM 280 (50.200.AK[01]) - AIR CONDITIONING, CONDENSER (50) - CAB CLIMATE CONTROL

Схема запчастей Case IH MAGNUM 280 - (50.200.AK[01]) - AIR CONDITIONING, CONDENSER (50) - CAB CLIMATE CONTROL
4
12
20
16
8
8
21
11
18
6
22
16
1
22
1
9
4
9
9
5
15
10
9
3
17
2
13
2
15
16
8
19
4
14
50.200.aa 01
50.200.aa 01
2
7
4
4
9
FIT
1:1
100%

Артикул

Название

Примечание

Количество

1

86991000

CLAMP

Dual Tie

2шт.

2

47472040

CLAMP

Twin Hole 9.52mm

3шт.

3

84581518

A/C HOSE

Liquid, Chassis, Incl 4

1шт.

4

128483A1

O-RING,1.78mm Thk x 7.65mm ID, 70 Duro

5шт.

5

84345653

COOLER

Combination Fuel Cooler and Air Conditioning Condenser

1шт.

6

779-14645

SELF-TAP SCREW,Hex, M6.3 x 1.8 x 45mm

1шт.

7

428385A1

SPECIAL CLAMP

1шт.

8

384870A1

PLATE

Hose Clamp Cover

3шт.

9

825-2408

FLANGE NUT,M8 x 1.25, Flg, Cl 8

6шт.

10

47572050

A/C HOSE

Liquid, Front, Incl 4

1шт.

11

47359216

A/C HOSE

Liquid, Chassis, Incl 4

1шт.

12

295006A1

RECEIVER-DRYER

1шт.

13

87361944

CLAMP

Receiver-Dryer

1шт.

14

84242790

HOSE

A/C Condenser to Receiver-Dryer, Incl 4

1шт.

15

1546024C1

CLAMP

Twin 3 - 8"

2шт.

16

1347127C1

PLATE

Tube Clamp Cover

3шт.

17

844-8050

BOLT,M8 x 1.25 x 50mm, Cl 8.8

1шт.

18

87032428

CLAMP,22.2mm, Coat, 10.3mm Bolt Hole, J Type

1шт.

19

384871A1

PLATE

Tube Clamp Cover

1шт.

20

321663A1

SLIDING PAD

Velcro, Receiver-Dryer Anti Rotation

1шт.

21

84223651

CONDUIT

1шт.

22

48052841

CAP

Nut, M8

2шт.

Выбрано товаров: 22