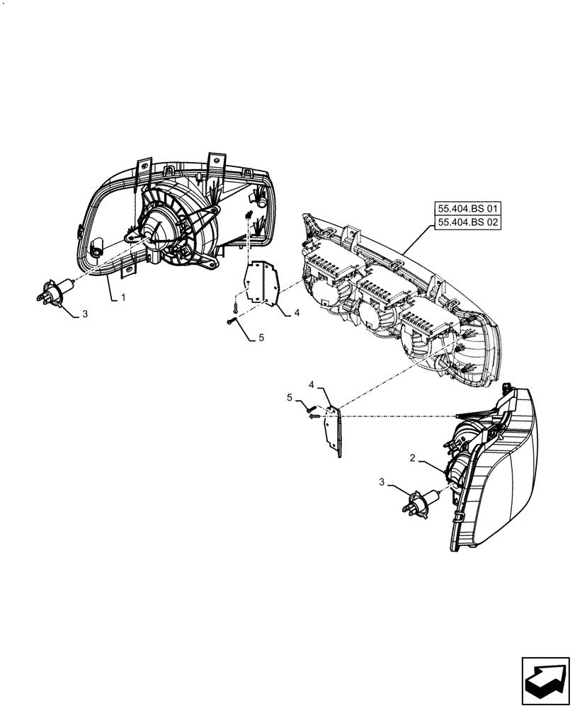
Запчасти Case IH MAGNUM 280 (55.404.AQ[02]) - VAR- 420704, 420719, 420722, 420784 - HEADLIGHT - U.K., AUSTRALIA, NEW ZEALAND, SOUTH AFRICA, JAPAN (55) - ELECTRICAL SYSTEMS

Схема запчастей Case IH MAGNUM 280 - (55.404.AQ[02]) - VAR- 420704, 420719, 420722, 420784 - HEADLIGHT - U.K., AUSTRALIA, NEW ZEALAND, SOUTH AFRICA, JAPAN (55) - ELECTRICAL SYSTEMS
55.404.bs 02
3
4
5
4
2
3
1
5
55.404.bs 01
FIT
1:1
100%

Артикул

Название

Примечание

Количество

1

87455673

LH HEADLAMP

LH Dip

1шт.

2

87455672

RH HEADLAMP

LH Dip

1шт.

3

87283179

BULB,H4, 12V, 60/55W

H4

2шт.

4

87520630

BRACKET

2шт.

5

87316148

SELF-TAP SCREW

12шт.

Выбрано товаров: 5