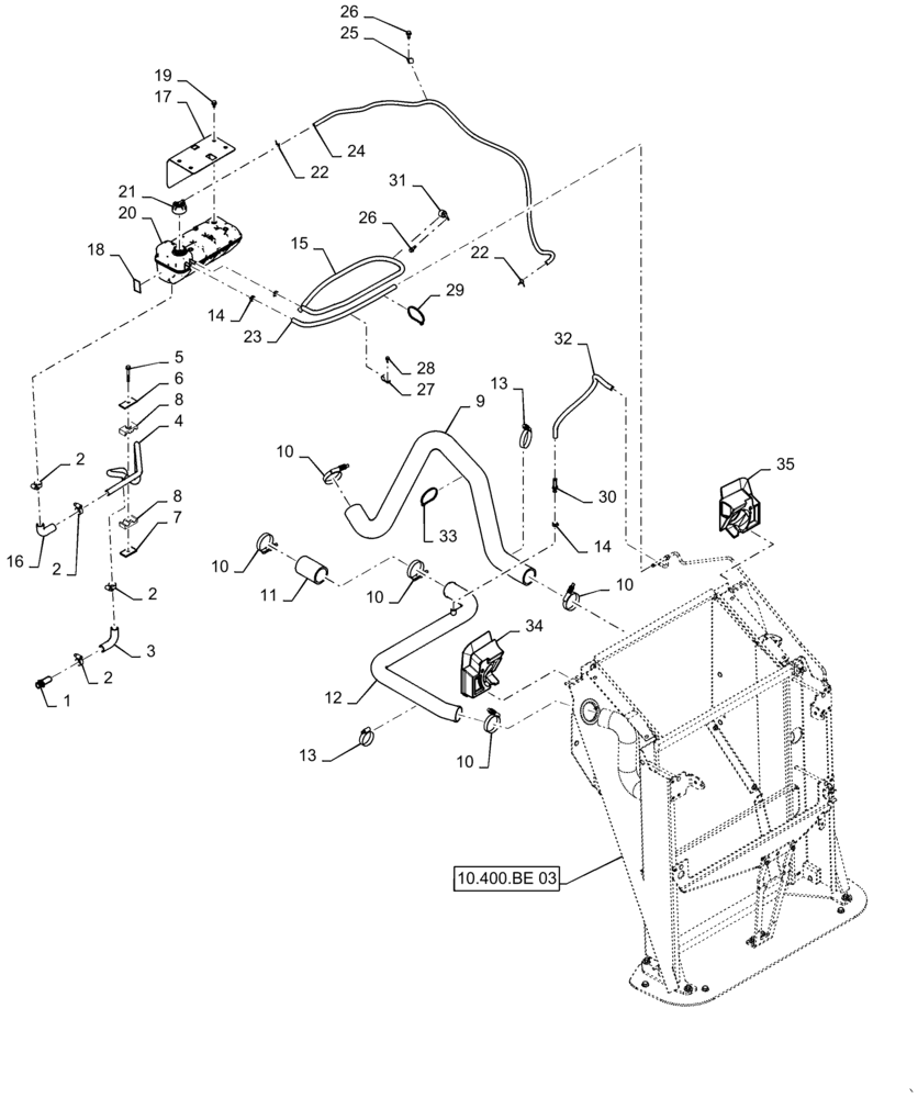
Запчасти Case IH MAGNUM 280 (10.400.BE[04]) - RADIATOR & RELATED PARTS, HIGH PRESSURE (10) - ENGINE

Схема запчастей Case IH MAGNUM 280 - (10.400.BE[04]) - RADIATOR & RELATED PARTS, HIGH PRESSURE (10) - ENGINE
1
15
8
10
2
8
21
13
25
14
32
24
12
6
19
10
10
20
2
18
2
22
23
34
16
7
28
10
10.400.be 03
30
10
4
26
35
9
26
17
13
27
14
33
11
29
2
5
31
3
22
FIT
1:1
100%

Артикул

Название

Примечание

Количество

1

217-398

FITTING,3/4" Hose Barb x 7/8" - 14 Male ORB

1шт.

2

214-1412

HOSE CLAMP,#12, 0.69" - 1.25", Type F Worm

4шт.

3

84293591

RADIATOR HOSE

Lower Deaeration Tank

1шт.

4

47579447

TUBE

Lower Deaeration To Engine

1шт.

5

844-8060

BOLT,Hex Flng, M8 x 1.25 x 60mm, Cl 8.8

1шт.

6

1347127C1

PLATE

Tube Clamp

1шт.

7

384871A1

PLATE

Hose Clamp

1шт.

8

87000140

CLAMP,Tube, 19.05mm

2 Hole 19.05-19.05mm Dia Ribbed

1шт.

9

84362319

RADIATOR HOSE

Outlet

1шт.

10

L115548

CLAMP,57.15mm - 79.38mm

Hose, 2.250/3.125 Constant Torque

3шт.

11

433405A1

RADIATOR HOSE,56.40 mm ID x 100.00, SAE J20 or SAE 20R4 CLASS D1

Engine Outlet

1шт.

12

47547467

TUBE

Upper Radiator

1шт.

13

214-3248

HOSE CLAMP,57mm - 79mm

1шт.

14

1348264C1

HOSE CLAMP

Spring Steel

6шт.

15

47670269

HOSE

Fuel

1шт.

16

84178842

RADIATOR HOSE

Lower Deaeration Tank

1шт.

17

84595284

HEAT SHIELD

Coolant Expansion Reservoir

1шт.

18

47488993

DECAL

Coolant - Actifull OT

2шт.

19

844-8016

BOLT,Hex, M8 x 16mm, Cl 8.8

4шт.

20

47427055

RESERVOIR, COOLANT E

1шт.

21

84172565

CAP

Degas Bottle 1.2 Bar

1шт.

22

214-1308

HOSE CLAMP,#8, 1/2", Spring

2шт.

23

84131323

HOSE,9.52mm ID x 15.88mm OD x 528mm L

Tank to Drain

1шт.

24

87442539

HOSE,6.35 mm ID x 1490.00 mm, SAE 30R7

Deaeartion Tank To Tube

1шт.

25

516-22127

CLAMP,12.7mm ID, 8.7mm Bolt Hole, J Type

1шт.

26

844-8020

BOLT,Hvy Hex, M8 x 20mm, Cl 8.8

2шт.

27

87532034

CLAMP,15.9mm, Coat, 7.1mm Bolt Hole, P Type

15.9mm

4шт.

28

844-6016

BOLT,Hvy Hex, M6 x 16mm, Cl 8.8

4шт.

29

A169433

CABLE TIE,304.8mm L

11.8 x .18", Nylon Natural

2шт.

30

217-151

FITTING,3/8" Hose Barb x 1/4" Male NPTF

1шт.

31

516-22190

CLAMP,J, 13/16" Insul, 3/8" Bolt

1шт.

32

84178005

HOSE,9.52mm OD x 15.88mm OD x 430mm L

1шт.

33

86991007

CABLE TIE,509mm L

20 x .28:, Nylon Black

1шт.

34

84302509

SEAL

LH

1шт.

35

84302508

SEAL

RH

1шт.

Выбрано товаров: 35