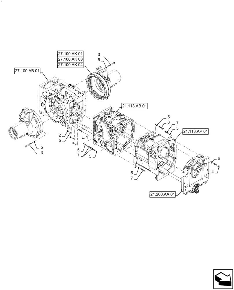
Запчасти Case IH MAGNUM 280 (21.113.AD[01]) - VAR - 429330, 429331, 429332, 429333 - BOLTS, TRANSMISSION HOUSING, POWERSHIFT (21) - TRANSMISSION

Схема запчастей Case IH MAGNUM 280 - (21.113.AD[01]) - VAR - 429330, 429331, 429332, 429333 - BOLTS, TRANSMISSION HOUSING, POWERSHIFT (21) - TRANSMISSION
27.100.ak 01
3
7
2
7
5
5
27.100.ak 04
3
1
4
27.100.ak 03
5
21.113.ap 01
5
8
21.200.aa 01
7
5
5
5
6
5
21.113.ab 01
27.100.ab 01
FIT
1:1
100%

Артикул

Название

Примечание

Количество

1

47819480

STUD,M16 x 2 x 105mm, Cl 10.9

3шт.

2

829-1316

NUT,M16, Cl 10

3шт.

3

828-16150

BOLT,Hex, M16 x 2 x 150mm, Cl 10.9

36шт.

4

828-20120

BOLT,Hex, M20 x 2.5 x 120mm, Cl 10.9

8шт.

5

896-12016

WASHER,17.5mm ID x 30mm OD x 4mm Thk

75шт.

6

896-12020

WASHER,22mm ID x 37mm OD x 4mm Thk

8шт.

7

47682458

BOLT,M16 x 2 x 70mm, Cl 12.9

31шт.

8

47682595

BOLT,M16 x 2 x 90mm, Cl 12.9

5шт.

Выбрано товаров: 8