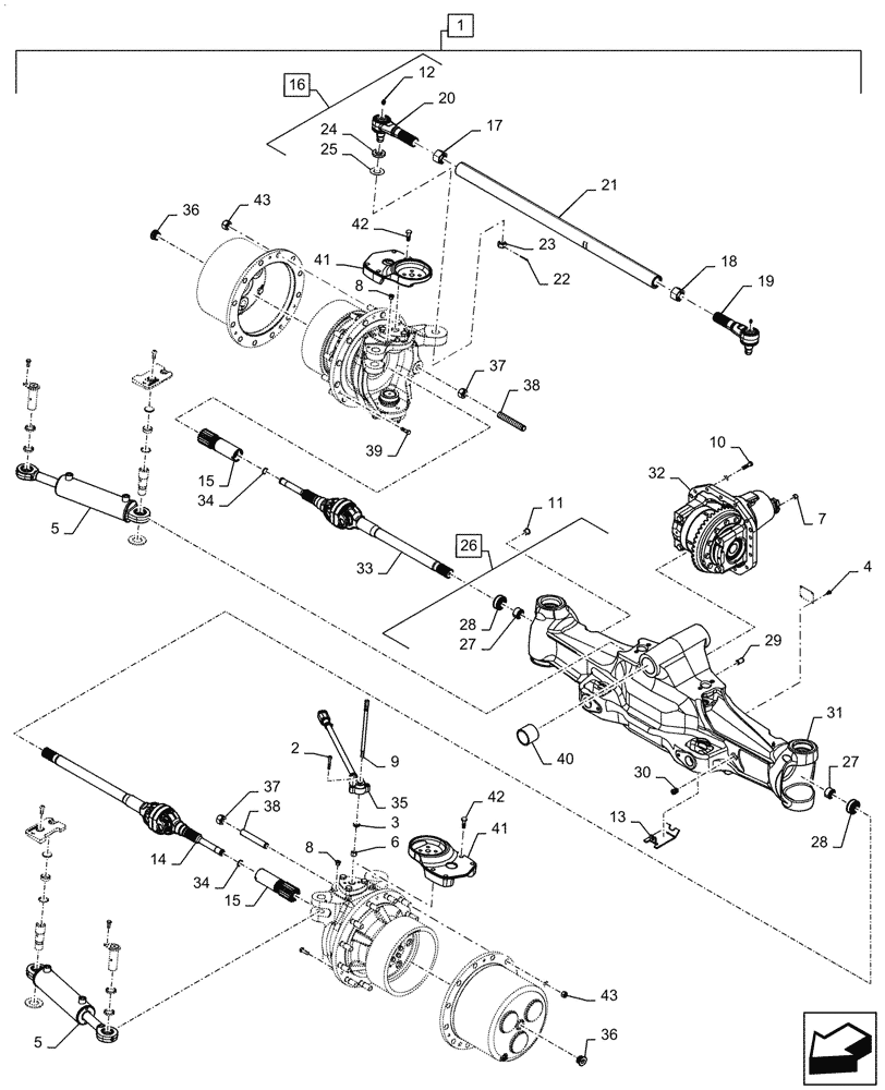
Запчасти Case IH MAGNUM 310 (25.100.AD[02]) - VAR - 429379, 429380 - FRONT AXLE, WIDE CL-5 (25) - FRONT AXLE SYSTEM

Схема запчастей Case IH MAGNUM 310 - (25.100.AD[02]) - VAR - 429379, 429380 - FRONT AXLE, WIDE CL-5 (25) - FRONT AXLE SYSTEM
24
36
32
38
34
3
20
8
43
25
18
41
8
7
30
21
34
29
16
10
38
37
42
15
17
5
40
9
27
11
1
42
28
5
14
4
41
19
33
12
2
23
6
31
37
15
39
36
27
26
28
35
13
43
22
FIT
1:1
100%

Артикул

Название

Примечание

Количество

1

47453000

4WD AXLE ASSY

Front Class 5 Wide, Incl 2 - 39

1шт.

2

864-5030

HEX SOC SCREW,M5 x 30mm, Cl 8.8

2шт.

3

238-5008

O-RING,0.07" Thk x 0.18" ID, -8, Cl 5, 75 Duro

1шт.

4

301-1434

DRIVE SCREW,Drive, #6 x 1/4"

4шт.

5

84336641

STEERING CYLINDER,36mm Rod, 246mm Stroke

2шт.

6

832-10406

NUT,M6 x 1, Cl 8

1шт.

7

353-401

PLUG,Dome, .312" hole, Nylon

2шт.

8

353-77

PLUG,Cap, .576" OD

8шт.

9

47485431

SHAFT

Autoguidance

1шт.

10

47632825

BOLT,Hex, M12 x 45mm, Cl 10.9

14шт.

11

353-14

PLUG,Cap, .787" OD

2шт.

12

13407211

LUBE NIPPLE,M10 x 1

4шт.

13

47468806

SHIELD

Steering Shield

1шт.

14

47452996

DRIVE SHAFT

Cardan Short CL5 Wide

1шт.

15

47452997

SHAFT

Sun -12T Planetary

2шт.

16

47527032

TIE-ROD

Tie Rod Assy, Class 4 Wide, Incl 12, 17 - 25

1шт.

17

47566064

NUT

M45 x 1.5 Left Hand Thread

1шт.

18

47566062

NUT

M45 x 1.5 Right Hand Thread

1шт.

19

47527033

BALL JOINT

LH Tie Rod End

1шт.

20

47730782

BALL JOINT

RH Tie Rod End

1шт.

21

NSS

NOT SOLD SEPARAT

ROD, Tie Rod Center Shaft, Incl in 16

1шт.

22

80752

COTTER PIN,1/4" x 2 1/2"

2шт.

23

47825021

SLOTTED NUT,M30 x 1.5, CL 8.8

Tie Rod

2шт.

24

47485427

SEAL

Dust

2шт.

25

47485428

WASHER

2шт.

26

47453003

BEAM

Beam Assy CL5 Wide - Suspended, Incl 27 - 31

1шт.

27

84411553

BUSHING,50mm ID x 55mm OD x 30mm L

2шт.

28

84416409

SEAL,50mm ID x 80mm OD x 27.5mm Thk

2шт.

29

837-16030

DOWEL,16mm OD x 30mm L

2шт.

30

14326211

PLUG,M22 x 1.50, R50, ZND

2шт.

31

47453001

AXLE HOUSING

Beam, Wide Suspended Axle

1шт.

32

84415795

PINION

Assy W/ Differential

1шт.

33

47452995

DRIVE SHAFT

Cardan Long CL5 Wide

1шт.

34

197297

SNAP RING,#98, Ext

2шт.

35

87524642

SENSOR

Steering Angle Position

1шт.

36

221527A1

PLUG,Hex Soc, M33 x 2, ORB

2шт.

37

829-1424

NUT,M24, Cl 10

2шт.

38

84530771

ADJUSTMENT SCREW,M24 x 3 x 154mm L

Steer Stop Short, M24 x 146

2шт.

39

628-12035

BOLT,Hex, M12 x 1.75 x 35mm, Cl 10.9, Full Thd

6шт.

40

87433501

BUSHING,60.46mm ID x 74.97mm OD x 75.78mm L

MFD Axle Pivot Pin

2шт.

41

47452984

BRACKET

Lower Fender Bracket

2шт.

42

827-16070

BOLT,Hex, M16 x 2 x 70mm, Cl 10.9

8шт.

43

253212A1

NUT,M20 x 1.5, Class 10

Wheel Lug

24шт.

Выбрано товаров: 43