Запчасти Case IH MAGNUM 310 (35.104.AA[13]) - HYDRAULIC SYSTEM, LINES (35) - HYDRAULIC SYSTEMS

Схема запчастей Case IH MAGNUM 310 - (35.104.AA[13]) - HYDRAULIC SYSTEM, LINES (35) - HYDRAULIC SYSTEMS
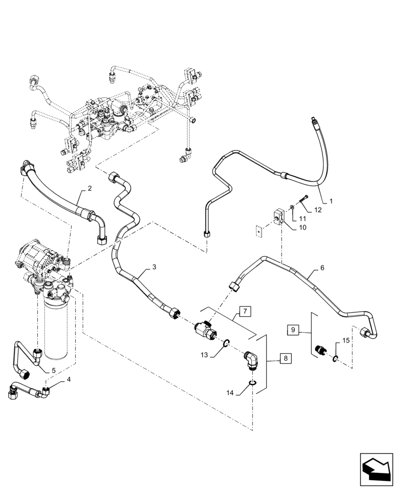
2
3
13
10
11
8
12
1
5
6
4
7
9
14
15
FIT
1:1
100%

Артикул

Название

Примечание

Количество

1

84559832

HYD TUBE

Steering Return To Filter

1шт.

2

87625540

HOSE,25.4mm ID x 640mm L, SAE 100R16

Charge Pump to Filter

1шт.

3

84593576

TUBE

Lube Supply

1шт.

4

84190488

FLEXIBLE HOSE,15.88mm ID x 460mm L, SAE 100R16

Filter Head To Lube Relief

1шт.

5

84297637

TUBE

Filter Head to CVT Regulator Valve

1шт.

6

47715786

HYD TUBE

Front Cover Lube

1шт.

7

86641295

TEE,1-7/16"-12 ORFS to Swivel

Incl 13

1шт.

8

86580180

90 ELBOW,90 Degree, 1-7/16"-12 ORFS x M33 x 2.0 ORB

Incl 14

1шт.

9

86579682

HYD CONNECTOR,1-3/16" - 12 ORFS x M27 x 2 ORB

Incl 15

1шт.

10

87000153

CLAMP,2 Hole, 19.05 - 12.70 mm Dia Ribbed, 37mm H x 67mm L

1шт.

11

895-15008

WASHER,9mm ID x 20mm OD x 1.6mm Thk

1шт.

12

814-8050

BOLT,Hex, M8 x 1.25 x 50mm, Cl 8.8

1шт.

13

14454480

O-RING,1.301" ID x 0.07" Width

Incl in 7

1шт.

14

86598104

O-RING,2.9mm Thk x 29.6mm ID, Cl 6, 90 Duro

Incl in 8

1шт.

15

86598103

O-RING,2.9mm Thk x 23.6mm ID, Cl 6, 90 Duro

Incl in 9

1шт.

Выбрано товаров: 15