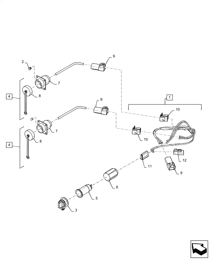
Запчасти Case IH MAGNUM 310 (55.510.BM[02]) - POWER OUTLETS, HEADLINER (55) - ELECTRICAL SYSTEMS

Схема запчастей Case IH MAGNUM 310 - (55.510.BM[02]) - POWER OUTLETS, HEADLINER (55) - ELECTRICAL SYSTEMS
2
4
6
9
7
11
8
10
4
1
8
3
12
5
9
9
10
7
FIT
1:1
100%

Артикул

Название

Примечание

Количество

1

87414960

HARNESS

Aux Power Outlets, Headliner

1шт.

2

151-543

RIVET,Pop, 3.17mm OD x 10.16mm L

8шт.

3

190812A1

COVER

Aux Power 3

1шт.

4

227739A2

POWER SOCKET

Aux Power 1 and 2, Incl 7 - 9

2шт.

5

308904A1

CIGARETTE LIGHTER

Aux Power 3

1шт.

6

308905A1

CIGARETTE LIGHTER

Retainer

1шт.

7

225164C1

ELEC CONNECTOR

AMP CPC Series 3-way

2шт.

8

225162C1

PLUG

Aux Power 1 and 2

2шт.

9

227729A1

CONNECTOR, ELEC

91M, To Roof Harness

3шт.

10

227728A1

CONNECTION,ELECTRIC

167, 168; Aux Power 1 and 2

2шт.

11

301908A1

PACKAGE

169, Aux Power 3

1шт.

12

225295C1

ELEC CONNECTOR,Female, 3 Pin

170, Map Light

1шт.

Выбрано товаров: 12