Запчасти Case IH MAGNUM 310 (39.100.AY[02]) - FRONT FRAME AND FRAME EXTENSION - SUSPENDED AXLES (39) - FRAMES AND BALLASTING

Схема запчастей Case IH MAGNUM 310 - (39.100.AY[02]) - FRONT FRAME AND FRAME EXTENSION - SUSPENDED AXLES (39) - FRAMES AND BALLASTING
5
7
8
2
1
3
8
4
9
6
FIT
1:1
100%

Артикул

Название

Примечание

Количество

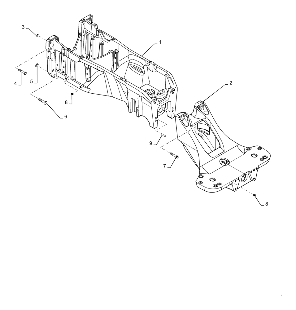
1

84569902

FRAME

CL 4.75 and CL 5 Saddle Suspended Axle

1шт.

2

84575697

FRAME

Extension

1шт.

3

896-12020

WASHER,22mm ID x 37mm OD x 4mm Thk

8шт.

4

828-20100

BOLT,Hex, M20 x 2.5 x 100mm, Cl 10.9

8шт.

5

896-12024

WASHER,26mm ID x 44mm OD x 5mm Thk

6шт.

6

828-24100

BOLT,Hex, M24 x 3 x 100mm, Cl 10.9

6шт.

7

87301555

HEX SOC SCREW,M20 x 80mm, Cl 12.9

10шт.

8

305138A1

PLUG

Plastic

28шт.

9

87742360

DOWEL,M20 x 50mm, HDN

2шт.

Выбрано товаров: 0