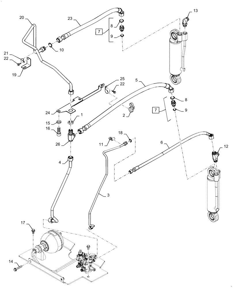
Запчасти Case IH MAGNUM 310 (41.200.AT[10]) - SADDLE, SUSPENSION, HYD. LINE (41) - STEERING

Схема запчастей Case IH MAGNUM 310 - (41.200.AT[10]) - SADDLE, SUSPENSION, HYD. LINE (41) - STEERING
4
17
21
5
22
26
1
9
7
18
8
16
3
11
20
15
12
25
8
13
9
6
7
19
23
22
10
24
14
2
FIT
1:1
100%

Артикул

Название

Примечание

Количество

1

701-1249

BHD LOCK NUT,1-3/16" - 12

1шт.

2

86991000

CLAMP

Dual Tie

1шт.

3

84257242

TUBE

Suspended Axle Valve Port A

1шт.

4

84257243

TUBE

Suspended Axle Valve Port B

1шт.

5

84257239

HOSE ASSY.

Suspended Axle Cylinder Rod Supply

1шт.

6

84257241

HOSE ASSY.

Suspended Axle Cylinder Head Supply

1шт.

7

86579681

HYD CONNECTOR,1-3/16"-12 ORFS x M22 x 1.5 ORB

Incl 8, 9

2шт.

8

86598102

O-RING,2.2mm Thk x 19.3mm ID, Cl 6, 90 Duro

2шт.

9

9991976

O-RING,0.07" Thk x 0.739" ID, -18, Cl 6, 90 Duro

2шт.

10

238-6018

O-RING,0.07" Thk x 0.739" ID, -18, Cl 6, 90 Duro

1шт.

11

515-25127

CLAMP,1/2", Insul, 1/2" Bolt

1шт.

12

84141301

TEE

ORFS 20 mm - M27 - 20 mm

1шт.

13

84141379

ELBOW

90 Adj 20 mm ORFS x M27 ORB

1шт.

14

844-12070

BOLT,Hvy Hex, M12 x 70mm, Cl 8.8

2шт.

15

896-11020

WASHER,22mm ID x 37mm OD x 4mm Thk

4шт.

16

87733367

HEX SOC SCREW,M20 x 50mm, Cl 12.9, Full Thd

4шт.

17

844-12025

BOLT,Hvy Hex, M12 x 25mm, Cl 8.8

3шт.

18

238-6014

O-RING,0.07" Thk x 0.489" ID, -14, Cl 6, 90 Duro

1шт.

19

84354840

BRACKET

Tube Clamp

1шт.

20

84349580

TUBE

Suspended Axle Port B Upper

1шт.

21

515-22190

CLAMP,3/4", Insul, 5/16" Bolt

1шт.

22

844-8025

BOLT,Hvy Hex, M8 x 25mm, Cl 8.8

2шт.

23

84354841

HOSE

Suspended Axle Cylinder Rod LH

1шт.

24

47667977

BRACKET

5.0 Axle Tube Clamp

1шт.

25

515-23317

CLAMP,31.75mm ID, 10.3mm Bolt Hole, P Type

1шт.

26

87017595

UNION TEE

ORFS 20 mm

1шт.

Выбрано товаров: 26