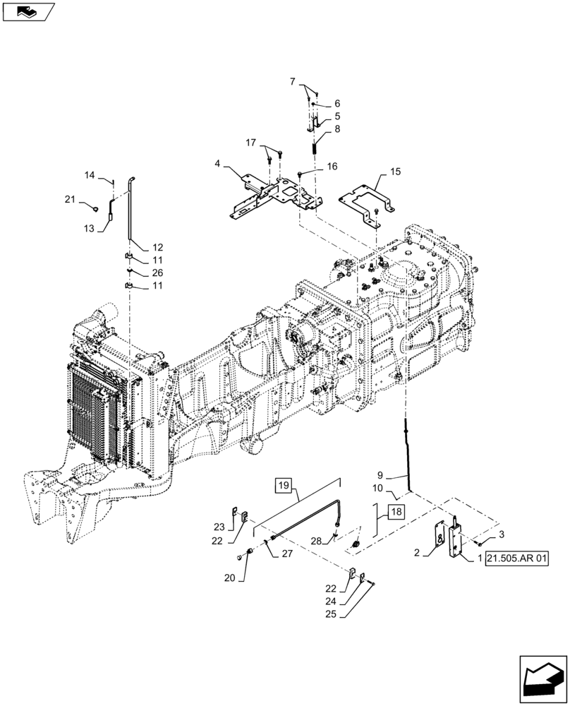
Запчасти Case IH MAGNUM 310 (21.505.AQ[05]) - VAR - 429334, 429335 - TRANSMISSION - CVT - HAND BRAKE VALVE ASSY (21) - TRANSMISSION

Схема запчастей Case IH MAGNUM 310 - (21.505.AQ[05]) - VAR - 429334, 429335 - TRANSMISSION - CVT - HAND BRAKE VALVE ASSY (21) - TRANSMISSION
26
22
12
13
21
4
27
10
23
21.505.ar 01
8
2
19
17
22
3
18
14
25
11
6
24
9
20
28
11
16
7
5
home
1
15
FIT
1:1
100%

Артикул

Название

Примечание

Количество

1

47475853

BRAKE VALVE

Hand Brake

1шт.

2

84146558

GASKET,0.92mm Thk

Hand Brake Valve

1шт.

3

844-10050

BOLT,Hvy Hex, M10 x 50mm, Cl 8.8

4шт.

4

47434205

BRACKET

CVT Top Cover Routing

1шт.

5

282624A1

SUPPORT

Spring Holder

1шт.

6

248-2164

GROMMET,1/4" ID x 7/16" Groove Dia

2шт.

7

627-8020

BOLT,Hex, M8 x 1.25 x 20mm, Cl 10.9, Full Thd

2шт.

8

282456A1

SPRING,21mm OD x 104mm L

Park Brake Release

1шт.

9

47429969

ROD

Park Brake Release

1шт.

10

432-48

COTTER PIN,1/16" x 1/2"

1шт.

11

169850C2

CABLE CLIP

Harness

2шт.

12

279763A2

BRAKE LEVER

Release Arm

1шт.

13

84170688

ROD

Park Brake Release

1шт.

14

136-159

HAIR PIN COTTER,Int, 3/16 x .080"

1шт.

15

47434213

BRACKET

CVT Top Cover Routing

1шт.

16

87343550

FLANGE BOLT,Hex, M12 x 25mm

4шт.

17

87695413

BOLT,M12 x 51.8mm, Cl 10.9

2шт.

18

700-304

ELBOW,90 Degree Elbow, 11/16" - 16 Male ORFS x M14 x 1.5 Male ORB

Incl 28

1шт.

19

47604058

HOSE,9.53mm ID x 860mm L, SAE 100R1

Hand Brake Sensor; Incl 27, 28

1шт.

20

322529A1

COUPLING

1/8 Male Test - 1/2 ORFS

1шт.

21

L11541

CABLE TIE,203.2mm L, Nylon

7 - 8 In Black

1шт.

22

118577A1

CLAMP

2 Hole

1шт.

23

384871A1

PLATE

Hose Clamp

1шт.

24

1347127C1

PLATE

Tube Clamp

1шт.

25

86511481

FLANGE BOLT,Hex, M8 x 1.25 x 50mm, Cl 8.8

1шт.

26

638-53160

O-RING,2.65mm Thk x 16mm ID, Cl 5, 75 Duro

1шт.

27

238-6012

O-RING,0.07" Thk x 0.364" ID, -12, Cl 6, 90 Duro

1шт.

28

238-6014

O-RING,0.07" Thk x 0.489" ID, -14, Cl 6, 90 Duro

1шт.

Выбрано товаров: 28