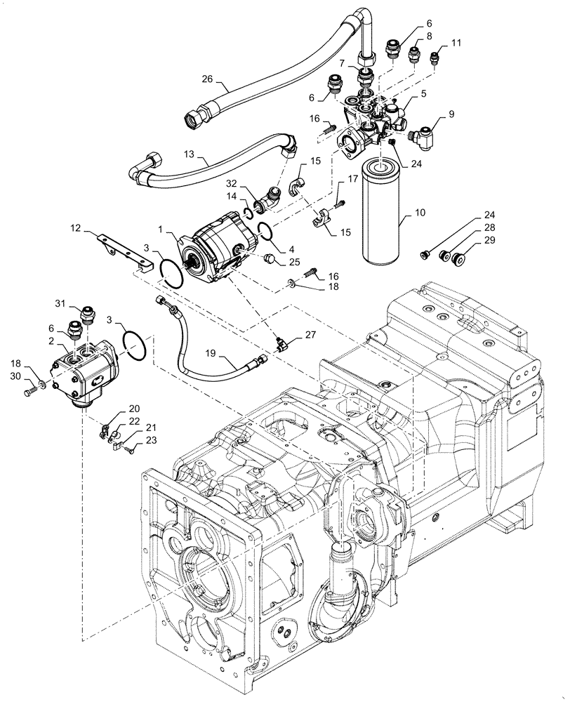
Запчасти Case IH MAGNUM 340 (35.106.AD[01]) - VAR- 420301, 420302 - POWERSHIFT - HYDRAULIC SYSTEM, PISTON PUMP & FILTER, STANDARD & HIGH CAPACITY (35) - HYDRAULIC SYSTEMS

Схема запчастей Case IH MAGNUM 340 - (35.106.AD[01]) - VAR- 420301, 420302 - POWERSHIFT - HYDRAULIC SYSTEM, PISTON PUMP & FILTER, STANDARD & HIGH CAPACITY (35) - HYDRAULIC SYSTEMS
8
14
24
6
31
12
1
20
21
16
27
15
30
15
6
3
17
11
29
28
6
23
16
7
25
22
5
2
18
10
3
13
9
19
32
24
18
26
4
FIT
1:1
100%

Артикул

Название

Примечание

Количество

1

87538174

PUMP,156 LPM (41.3 GPM)

Main Hydraulic

1шт.

Standard Flow Hydraulic Pump (Var - 420301)

1шт.

1

47473854

HYDRAULIC PUMP,211 LPM (55.6 GPM)

Main

1шт.

High Capacity Hydraulic Pump (Var - 420302)

1шт.

2

84347565

PUMP,37.4 CC

Charge Lube STD High Flow

1шт.

3

238-5345

O-RING,0.21" Thk x 3.975" ID, -345, Cl 5, 75 Duro

2шт.

4

238-5225

O-RING,0.139" Thk x 1.859" ID, -225, Cl 5, 75 Duro

1шт.

Standard Flow Hydraulic Pump (Var - 420301)

1шт.

4

238-5228

O-RING,0.139" Thk x 2.234" ID, -228, Cl 5, 75 Duro

1шт.

High Capacity Hydraulic Pump (Var - 420302)

1шт.

5

47608783

FILTER HEAD

Hydraulic

1шт.

Standard Flow Hydraulic Pump (Var - 420301)

1шт.

Standard Flow Hydraulic Pump (Var - 420301)

1шт.

5

47768618

FILTER HEAD

Hydraulic

1шт.

High Capacity Hydraulic Pump (Var - 420302)

1шт.

High Capacity Hydraulic Pump (Var - 420302)

1шт.

6

700-105

HYD CONNECTOR,1-7/16" - 12 Male ORFS x M33 x 2 Male ORB

3шт.

7

700-134

HYD CONNECTOR,1-11/16" - 12 Male ORFS x M33 x 2 Male ORB

1шт.

8

86597760

HYD CONNECTOR,1"-14 ORFS x M2 x 2.0 ORB

1шт.

9

86579712

TEE,M27 x 2 x 55.5mm

-12 ORFS X M27 X 2mm ORB

1шт.

10

84356072

HYDRAULIC OIL FILTER

Hydraulic-Lube/Charge

1шт.

11

700-102

HYD CONNECTOR,13/16" - 16 Male ORFS x M18 x 1.5 Male ORB

1шт.

12

451054A1

BRACKET

HYD Tube Clamp

1шт.

13

47671564

HYDRAULIC HOSE

PFC Pump Out

1шт.

14

238-6219

O-RING,0.139" Thk x 1.296" ID, -219, Cl 6, 90 Duro

1шт.

15

86980728

COLLAR CLAMP

Split Flange

2шт.

16

868-12035

12 PT SCREW,M12 x 35mm, Cl 12.9

6шт.

17

868-10030

12 PT SCREW,M10 x 30mm, Cl 12.9

4шт.

18

896-16012

WASHER,13.5mm ID x 28mm OD x 4mm Thk

4шт.

19

47413295

HOSE,9.53mm ID x 615mm L, SAE 100R17

Pump Load Sense

1шт.

20

86988840

BRACKET

Steering Supply Tube Clamp, Rear

1шт.

21

515-2395

CLAMP,3/8", Insul, 3/8" Bolt

1шт.

22

515-23175

CLAMP,11/16", Insul, 3/8" Bolt

1шт.

23

614-8025

BOLT,Hex, M8 x 1.25 x 25mm, Cl 8.8, Full Thd

1шт.

24

221576A1

PLUG,Hex Soc, M14 x 1.5, ORB

2шт.

25

218-5157

PLUG,Hex Hd, 7/8"-14 ORB

1шт.

26

87385538

HOSE

Aux Manifold Return

1шт.

27

451226A1

90 ELBOW

Use With Non-Suspended MFD Axle

1шт.

27

86994121

TEE

Use With Suspended MFD Axle, Not Illustrated

1шт.

28

221580A1

PLUG,M27 x 2 ORB

Plug, Hex Socket, Orb M27X2 Znd

1шт.

29

221527A1

PLUG,Hex Soc, M33 x 2, ORB

Plug, Hex Socket, Orb M33X2 Znd

1шт.

30

615-12035

BOLT,Hex, M12 x 1.75 x 35mm, Cl 8.8, Full Thd

2шт.

31

700-164

HYD CONNECTOR,1-3/16" - 12 Male ORFS x M33 x 2 Male ORB

1шт.

32

87677649

90 ELBOW

Elbow, 90 Deg Split Flange

1шт.

Выбрано товаров: 44