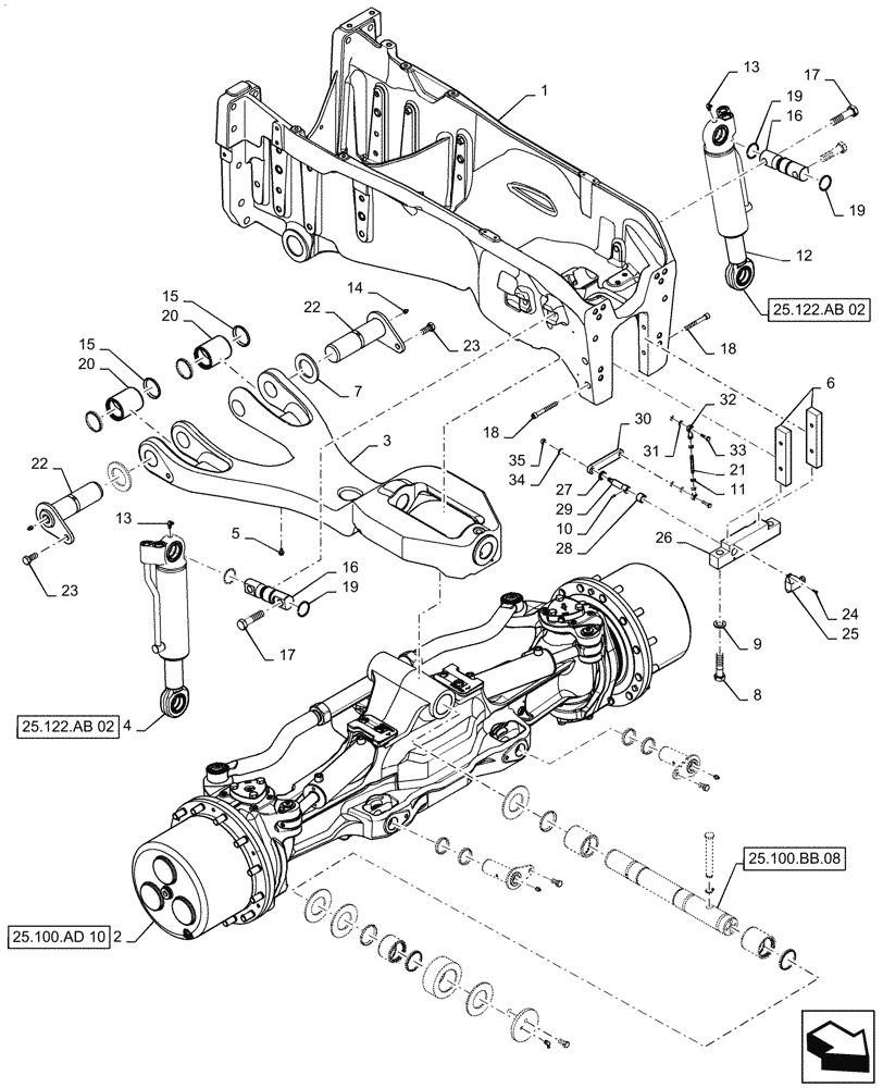
Запчасти Case IH MAGNUM 340 (25.100.BB[07]) - VAR - 429199 CNH FRONT AXLE SUSPENSION, CLASS 5 (25) - FRONT AXLE SYSTEM

Схема запчастей Case IH MAGNUM 340 - (25.100.BB[07]) - VAR - 429199 CNH FRONT AXLE SUSPENSION, CLASS 5 (25) - FRONT AXLE SYSTEM
25.100.bb.08
28
9
35
1
18
29
17
24
27
16
34
3
26
20
17
12
13
19
18
25
19
15
23
7
14
33
15
21
2
22
10
20
23
32
16
5
31
30
11
13
4
6
22
19
8
25.100.ad 10
25.122.ab 02
25.122.ab 02
FIT
1:1
100%

Артикул

Название

Примечание

Количество

1

84569902

FRAME

Front Main Saddle Suspension

1шт.

2

84327626

AXLE

Assy, Front Saddle Suspension CL 5

1шт.

3

84465127

SUPPORT

Saddle Suspension

1шт.

4

87696280

CYLINDER

Suspension RH

1шт.

5

86511841

BOLT,Flng, M8 x 1.25 x 16mm, Full Thd, Cl 8.8

1шт.

6

84154322

PLATE

Roller Guide

2шт.

7

87696364

THRUST WASHER

Saddle Pivot

2шт.

8

9846949

BOLT,Hex, M20 x 2.5 x 80mm, Cl 10.9

2шт.

9

896-11020

WASHER,22mm ID x 37mm OD x 4mm Thk

2шт.

10

877-1046

SET SCREW,M4 x 6mm

1шт.

11

86976064

JAM NUT,Jam, 1/4"-28, G5

2шт.

12

87696281

CYLINDER,Double Acting, 63mm Rod, 219mm Stroke

Suspension LH

1шт.

12

87696281R

REMAN-HYD CYLINDER

Suspension LH

1шт.

12

87696281C

CORE-HYD CYLINDER

Return Number

1шт.

13

13408411

LUBE NIPPLE,90 Degree , M10 x1

2шт.

14

933781R1

LUBE NIPPLE,M10 x 1

2шт.

15

87400202

SEAL

Pivot Pin Dirt Excluder

4шт.

16

87695275

PIN

Upper Cyl Mount

2шт.

17

827-20080

BOLT,Hex, M20 x 2.5 x 80mm, Cl 10.9

4шт.

18

863-12100

HEX SOC SCREW,M12 x 100mm, Cl 12.9

4шт.

19

101-11177

SNAP RING,#177, 1.657", Ext

4шт.

20

87696363

BUSHING

Suspended Axle

2шт.

21

87696375

ROD

Saddle Position Linkage

1шт.

22

87681720

PIN,60.26mm OD x 222mm L

Saddle Suspension

2шт.

23

627-12035

BOLT,Hex, M12 x 1.75 x 35mm, Cl 10.9, Full Thd

2шт.

24

864-4012

HEX SOC SCREW,M4 x 12mm, Cl 8.8

2шт.

25

429690A1

SENSOR

Axle Position

1шт.

26

84308092

PLATE

Saddle Retainer

1шт.

27

638-62160

O-RING,16mm ID x 1.8mm Width

1шт.

28

87696373

BUSHING

Sensor

1шт.

29

47399110

PIN

Sensor Extension

1шт.

30

87696374

ARM

Plate Sensor

1шт.

31

495-81102

WASHER,.266" x 1/2" x .060"

4шт.

32

431039A1

BALL JOINT HEAD,1/4" - 28

Adjustable

2шт.

33

413-416

BOLT,Hex, 1/4" - 20 x 1", Gr 5

2шт.

34

10519604

WASHER,8.15mm ID x 17mm OD x 2mm Thk

1шт.

35

832-46408

NUT,M8 x 1.25, Cl 8

1шт.

Выбрано товаров: 0