Запчасти Case IH MAGNUM 370 (35.114.AF[01]) - VALVE ASSY, HITCH (35) - HYDRAULIC SYSTEMS

Схема запчастей Case IH MAGNUM 370 - (35.114.AF[01]) - VALVE ASSY, HITCH (35) - HYDRAULIC SYSTEMS
34
16
23
17
4
26
21
14
32
22
home
33
18
11
13
15
29
7
5
24
31
12
32
31
10
1
25
6
9
20
2
8
36
28
35
3
19
30
27
FIT
1:1
100%

Артикул

Название

Примечание

Количество

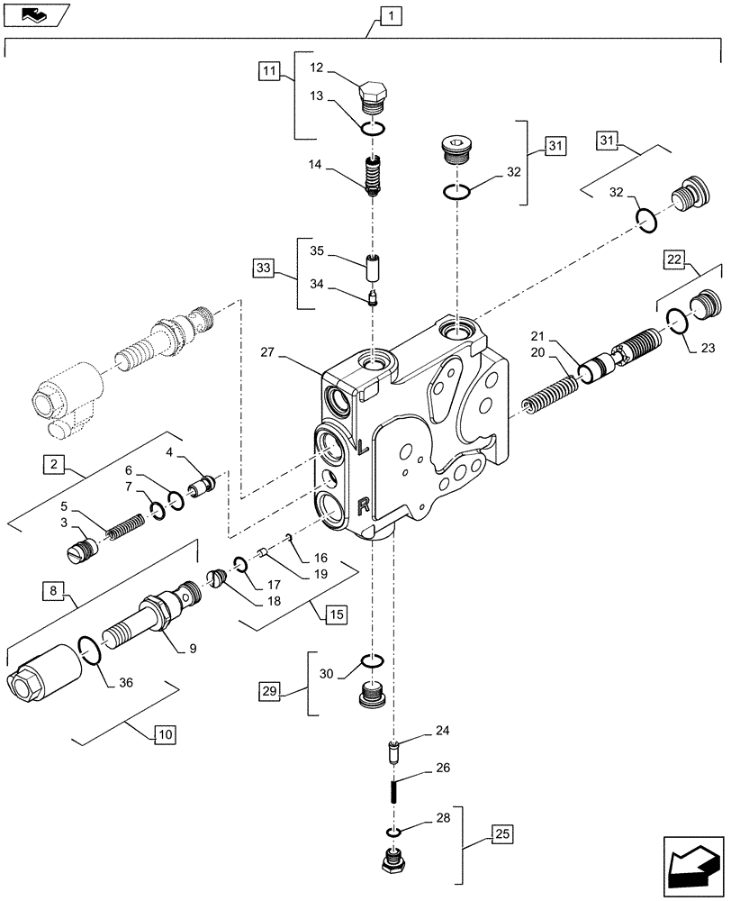
1

47434190

HYD VALVE SECTION

ASSY, Hitch, Incl 2 - 36

1шт.

1

47434190R

REMAN-HYD VALVE

Reman For New P/N 47434190

1шт.

1

47434190C

CORE-VALVE HYD

Return Number

1шт.

2

1542563C1

KIT

Incl 3 - 7

1шт.

3

1994580C1

PLUG

Logic Check

1шт.

4

1543329C1

VALVE POPPET,7mm ID x 13.8mm OD x 27mm L

Logic Check

1шт.

5

1994581C1

SPRING,6.1mm OD x 31.1mm L

Logic Check

1шт.

6

238-6015

O-RING,0.07" Thk x 0.551" ID, -15, Cl 6, 90 Duro

1шт.

7

G108723

RING,14.34mm ID x 16.94mm OD x 1.32mm Thk

Back-Up

1шт.

8

47379783

SOLENOID,1.8 Ohm, 100 Hz

Incl 9 - 10

2шт.

9

47379782

SOLENOID,M19 x 1 x 115mm L

Cartridge Flow Control; Incl 36

2шт.

10

87608473

COIL

Proportional Flow Control

1шт.

11

385520A1

PLUG,Hex, 13.05mm ID x 22.23mm OD x 23.5mm L

Incl 12 - 13

1шт.

12

385521A1

PLUG

1шт.

13

237-6008

O-RING,0.087" Thk x 0.644" ID, -908, Cl 6, 90 Duro

1шт.

14

337425A3

VALVE, PRESSURE RELI

EF 3200 PSI Cartridge

1шт.

15

87619813

CHECK VALVE,1/2" - 20

Incl 16 - 19

1шт.

16

100-2125

SNAP RING,M25, Int

1шт.

17

237-6005

O-RING,0.072" Thk x 0.414" ID, -905, Cl 6, 90 Duro

1шт.

18

NSS

NOT SOLD SEPARAT

VALVE, Check

1шт.

19

NSS

NOT SOLD SEPARAT

POPPET

1шт.

20

436854A1

SPRING,15.11mm OD x 63.35mm L

1шт.

21

84187247

SPOOL,15.9mm ID x 19.32mm OD x 96mm L

1шт.

22

218-5211

PLUG,Hex Soc, 7/8"-14 ORB

Incl 23

1шт.

23

237-6010

O-RING,0.097" Thk x 0.755" ID, -910, Cl 6, 90 Duro

1шт.

24

87648631

PIN,8mm OD x 19mm L

1шт.

25

87648607

PLUG,M12 x 1.5 ORB

Load Sense, Incl 28

1шт.

26

87648596

SPRING,3.81mm OD x 23.19mm L

Load Sense

1шт.

27

NSS

NOT SOLD SEPARAT

VALVE BODY; Incl in 1

1шт.

28

637-63093

O-RING,2.2mm Thk x 9.3mm ID, Cl 6, 90 Duro

1шт.

29

221578A1

PLUG,M18 x 1.5 ORB

Incl 30

1шт.

30

637-63153

O-RING,2.2mm Thk x 15.3mm ID, Cl 6, 90 Duro

1шт.

31

221579A1

PLUG,M22 x 1.5 ORB

Incl 32

2шт.

32

637-63193

O-RING,2.2mm Thk x 19.3mm ID, Cl 6, 90 Duro

2шт.

33

87518992

PLUG

Incl 34 - 35

1шт.

34

133519C1

SCREEN

1шт.

35

NSS

NOT SOLD SEPARAT

PLUG, Orifice; Incl in 33

1шт.

36

86637739

O-RING,0.116" Thk x 0.924" ID, -912, Cl 8, 90 Duro

2шт.

Выбрано товаров: 0