Запчасти Case IH MAGNUM 370 (21.135.AX[01]) - VALVE, PTO, DIFFERENTIAL LOCK - 340 HEAVY DUTY REAR AXLE, 370 (21) - TRANSMISSION

Схема запчастей Case IH MAGNUM 370 - (21.135.AX[01]) - VALVE, PTO, DIFFERENTIAL LOCK - 340 HEAVY DUTY REAR AXLE, 370 (21) - TRANSMISSION
4
6
3
4
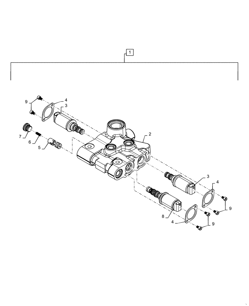
1
4
9
2
7
9
5
3
8
9
FIT
1:1
100%

Артикул

Название

Примечание

Количество

1

84492006

CONTROL VALVE

PTO/Differential Lock, Incl 2 - 9

1шт.

2

NSS

NOT SOLD SEPARAT

BODY, Incl in 1

1шт.

3

84273815

SOLENOID VALVE,12V DC, 7.3Ohm

2шт.

4

87416968

COVER

3шт.

5

84494781

SPOOL

Brake Lube

1шт.

6

84494782

BRAKE SPRING

Brake Lube

1шт.

7

221578A1

PLUG,M18 x 1.5 ORB

1шт.

8

84173878

SOLENOID

PWM

1шт.

9

864-6010

HEX SOC SCREW,M6 x 10mm, Cl 8.8

6шт.

Выбрано товаров: 9