Запчасти Case IH MAGNUM 370 (21.504.AN[01]) - TRANSMISSION - CVT - FILLER/DIPSTICK ASSY (21) - TRANSMISSION

Схема запчастей Case IH MAGNUM 370 - (21.504.AN[01]) - TRANSMISSION - CVT - FILLER/DIPSTICK ASSY (21) - TRANSMISSION
9
4
11
6
8
10
1
13
2
3
6
5
7
12
FIT
1:1
100%

Артикул

Название

Примечание

Количество

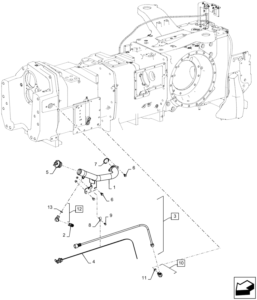
1

47574172

NECK FILLER

Transmision Oil

1шт.

2

47574161

COUPLING, QUICK, FEM

1шт.

3

84491772

DIPSTICK,1065.2mm L

Transmission Fill, CVT Incl 4

1шт.

4

84491774

DIPSTICK,1065mm L

Transmission Oil, CVT

1шт.

5

A77424

FILLER CAP

Transmission Oil

1шт.

6

844-10020

BOLT,Hvy Hex, M10 x 20mm, Cl 8.8

4шт.

7

238-5226

O-RING,0.139" Thk x 1.984" ID, -226, Cl 5, 75 Duro

1шт.

8

515-22127

CLAMP,1/2", Insul, 5/16" Bolt

1шт.

9

614-8020

BOLT,Hex, M8 x 1.25 x 20mm

1шт.

10

700-305

ELBOW,90 Degree Elbow, 13/16" - 16 Male ORFS x M18 x 1.5 Male ORB

Incl 11

1шт.

11

238-6014

O-RING,0.07" Thk x 0.489" ID, -14, Cl 6, 90 Duro

1шт.

12

84989392

ELBOW,90 Degree, 11/16"-16 ORFS x 11/16"-16 Fem Sw

Incl 13

1шт.

13

238-6012

O-RING,0.07" Thk x 0.364" ID, -12, Cl 6, 90 Duro

1шт.

Выбрано товаров: 13