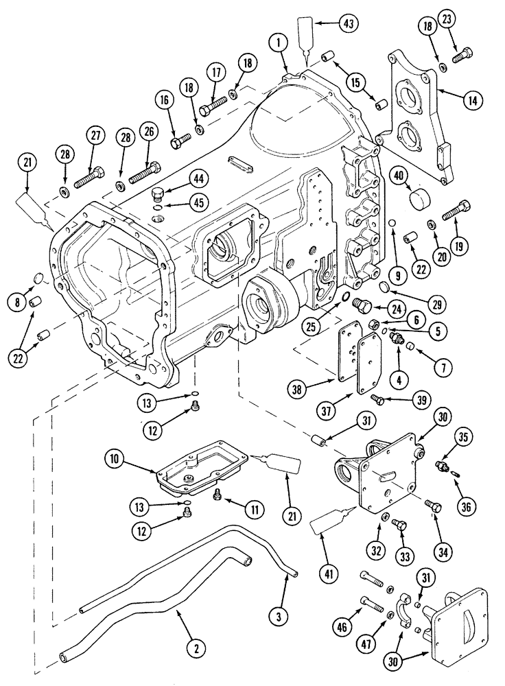
Запчасти Case IH 5120 (6-002) - TRANSMISSION, HOUSING AND FRONT BEARING CARRIER (06) - POWER TRAIN

Схема запчастей Case IH 5120 - (6-002) - TRANSMISSION, HOUSING AND FRONT BEARING CARRIER (06) - POWER TRAIN
37
35
19
40
31
41
17
6
31
27
21
16
2
7
12
22
30
18
14
23
24
5
46
29
25
1
32
8
43
26
13
38
18
9
20
21
11
22
3
10
15
47
34
45
36
44
39
18
13
33
4
28
30
28
12
FIT
1:1
100%

Артикул

Название

Примечание

Количество

1

1341268C6

HOUSING ASSY.

HOUSING - assembly, with tubes, Includes: Ref. 2 - 9

1шт.

2

A188229

TUBE

- charge, Serial Range: pump-filter

1шт.

O-Ring for Ref. 2 is 239-5129

1шт.

3

A188230

TUBE

- lube, power shuttle

1шт.

O-Ring for Ref. 3 is 239-5117

1шт.

4

1995465C1

UNION

- 3.72mm

1шт.

4

A188713

UNION

- 2.95 mm

1шт.

5

237-6008

O-RING,0.087" Thk x 0.644" ID, -908, Cl 6, 90 Duro

8-1, 90 Duro, .644" ID x .087" Thk

1шт.

6

218-1255

BHD LOCK NUT,Blkhd, 3/4"-16

NUT, LOCK, Blkhd, 3/4"-16

1шт.

7

353-364

CAP,13/16"-16

- threaded, 13/16 inch

1шт.

8

41-1036

PLUG,Cup, 2 1/4"

- expansion, 2-1/4" OD

1шт.

9

1345888C1

PLUG

- expansion

2шт.

10

A188493

COVER

- bottom

1шт.

11

628-10025

BOLT,Hex, M10 x 1.5 x 25mm, Cl 10.9, Full Thd

6шт.

12

71100209

PLUG,Hex Soc, 3/4"-16 ORB

Incl Ref 13 Hex Soc, 3/4"-16 ORB

2шт.

13

237-6008

O-RING,0.087" Thk x 0.644" ID, -908, Cl 6, 90 Duro

8-1, 90 Duro, .644" ID x .087" Thk

1шт.

14

A188664

BEARING CARRIER

CARRIER - front bearing (Version with Synchro Shift)

1шт.

14

A188642

CARRIER

- front bearing (Version with Power Shift)

1шт.

15

A188330

SLEEVE

- dowel

3шт.

16

828-12055

BOLT,Hex, M12 x 1.75 x 55mm, Cl 10.9

- hex, 12 - 1.75 x 55 mm

3шт.

17

828-12100

BOLT,Hex, M12 x 1.75 x 100mm, Cl 10.9

- hex, 12 - 1.75 x 100 mm, class 10.9

1шт.

18

896-12012

WASHER,13.5mm ID x 24mm OD x 3mm Thk

8шт.

19

828-16080

BOLT,Hex, M16 x 2 x 80mm, Cl 10.9

Flywheel to Xms’n housing Hex, M16 x 80, 10.9

5шт.

19

828-16090

BOLT,Hex, M16 x 2 x 90mm, Cl 10.9

- hex, 16 - 2.0 x 90 mm, class 10.9 (Flywheel to Xms’n housing)

1шт.

20

896-12016

WASHER,17.5mm ID x 30mm OD x 4mm Thk

- flat, 17.5 x 30 x 4 mm, hardened

6шт.

21

B17501

LOCTITE

SEALANT - Gasket Eliminator No. 515, 6 ml tube

1шт.

21

B17555

LOCTITE

SEALANT - Gasket Eliminator No. 515, 50 ml tube

1шт.

21

B17556

LOCTITE

SEALANT - Gasket Eliminator No. 515, 300 ml tube

1шт.

22

A175944

DOWEL,22.1mm OD x 13.5mm L

SLEEVE - dowel

3шт.

23

828-12060

BOLT,Hex, M12 x 1.75 x 60mm, Cl 10.9

- hex, 12 - 1.75 x 60 mm

4шт.

24

218-5158

PLUG,Hex Hd, 1 1/16"-12 ORB

(Version with Power Shift), Includes: Ref. 25 Hex Hd, 1 1/16"-12 ORB

2шт.

25

237-6012

O-RING,0.116" Thk x 0.924" ID, -912, Cl 6, 90 Duro

12-1, 90 Duro, .924 ID x .116" Thk

1шт.

26

828-16130

BOLT,Hex, M16 x 2 x 130mm, Cl 10.9

- hex, 16 - 2 x 130 mm, class 10.9

2шт.

27

828-16110

BOLT,Hex, M16 x 2 x 110mm, Cl 10.9

- hex, 16 - 2.0 x 110 mm, class 10.9

9шт.

28

96-31066

WASHER,0.66" ID x 1.31" OD x 0.19" Thk

11шт.

29

A175414

PLUG

- cup

1шт.

30

A190246

COVER

- plate (Version without creeper)

1шт.

30

1345884C1

COVER ASSY

COVER - creeper (Hi-Clear tractor use with 46, 47)

1шт.

REF

INSTRUCTION

KIT - Synchro-Creeper, Field (See also Figures 6-16, 6-46, 6-48), Includes: Ref. 30 - 33

1шт.

30

A190245

COVER

- plate

1шт.

31

A188330

SLEEVE

- dowel

2шт.

32

896-12010

WASHER,11mm ID x 21mm OD x 2.5mm Thk

- flat, 11 x 21 x 2.5 mm, hardened

8шт.

33

628-10035

BOLT,Hex, M10 x 1.5 x 35mm, Cl 10.9, Full Thd

6шт.

33

628-10030

BOLT,Hex, M10 x 1.5 x 30mm, Cl 10.9, Full Thd

(Version without creeper) Hex, M10 x 30, 10.9, Full Thd

8шт.

34

828-10045

BOLT,Hex, M10 x 1.5 x 45mm, Cl 10.9

2шт.

35

A178306

CONNECTION

ADAPTER - assembly, Includes: Ref. 36

1шт.

36

NSS

NOT SOLD SEPARAT

SCREW - orifice

1шт.

37

1978186C1

COVER ASSY

COVER - power shift valve mounting (Version with Synchro Shift)

1шт.

38

139884A1

GASKET

- powershift manifold (Version with Synchro Shift)

1шт.

40

41-1045

PLUG,Cup, 2.843"

- expansion, 2-13/16 inch OD (For 2 wheel drive tractors)

1шт.

40

1341280C1

PLUG

- cup, 66 mm dia (For 2 wheel drive tractors)

1шт.

41

B17197

LOCTITE

- 635, reatining compound, 50 ml

1шт.

43

B17501

LOCTITE

SEALANT - Gasket Eliminator No. 515, 6 ml tube

1шт.

43

B17555

LOCTITE

SEALANT - Gasket Eliminator No. 515, 50 ml tube

1шт.

43

B17556

LOCTITE

SEALANT - Gasket Eliminator No. 515, 300 ml tube

1шт.

44

218-5159

PLUG,1-3/16" - 12 ORB

- hex, 1-3/16-12 inch O-ring boss, Includes: Ref. 45

1шт.

45

237-6014

O-RING,0.116" Thk x 1.048" ID, -914, Cl 6, 90 Duro

14-1, 90 Duro, 1.048" ID x .116" Thk

1шт.

46

866-10055

12 PT SCREW,Flg, M10 x 55mm, Cl 12.9

Flanged (Hi-Clear tractor) 12 Pt Hd, M10 x 55, 12.9

2шт.

47

896-12010

WASHER,11mm ID x 21mm OD x 2.5mm Thk

- flat, 11 x 21 x 2.5 mm, hardened (Hi-Clear tractor)

2шт.

39

627-10030

BOLT,Hex, M10 x 1.5 x 30mm, Cl 10.9, Full Thd

(Version with Synchro Shift) Hex, M10 x 30, 10.9, Full Thd

5шт.

Выбрано товаров: 60