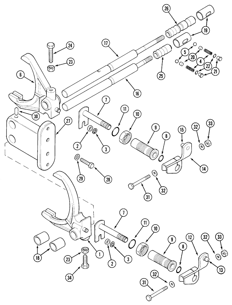
Запчасти Case IH 5120 (6-042) - TRANSMISSION, RANGE SHIFT LINKAGE, INTERNAL, UP TO JJF1029999 (06) - POWER TRAIN

Схема запчастей Case IH 5120 - (6-042) - TRANSMISSION, RANGE SHIFT LINKAGE, INTERNAL, UP TO JJF1029999 (06) - POWER TRAIN
31
2
28
8
33
32
2
13
1
12
20
30
7
23
34
31
11
24
18
4
3
26
7
11
32
5
21
10
17
25
29
14
6
33
15
8
19
27
10
9
22
9
16
23
32
3
32
FIT
1:1
100%

Артикул

Название

Примечание

Количество

1

A188235

FORK

- gear shift, 1st and 2nd range

1шт.

2

A178954

SLEEVE

- shift fork pin

2шт.

3

100-3344

SNAP RING,#X43, .438" Dia, E-Type

E-RING - snap, No. 44

2шт.

4

A175972

SPRING

- poppet

2шт.

5

211-1014

BALL,7/16" Dia

- chrome alloy steel, 7/16 inch, Class 24

2шт.

6

A188237

FORK

- gear shift, 3rd and 4th range

1шт.

7

1341113C1

LEVER

ARM - gear shift

2шт.

8

A178252

O-RING,1.8mm Thk x 15mm ID, Cl 5, 75 Duro

-

2шт.

9

A188301

BUSHING,18.05mm ID x 27.1mm OD x 77.1mm L

- actuating shaft

2шт.

10

218-1280

BHD LOCK NUT,Blkhd, 1 1/16"-12

NUT - hex, lock, 1-1/16-12 inch NF

2шт.

11

237-6012

O-RING,0.116" Thk x 0.924" ID, -912, Cl 6, 90 Duro

12-1, 90 Duro, .924 ID x .116" Thk

2шт.

12

1341116C1

LEVER

- assembly, shift, 1st and 2nd range, Includes: Ref. 13

1шт.

13

3234708R1

BALL STUD

BALL - 10 mm

1шт.

14

1341117C1

LEVER

- assembly, shift, 3rd and 4th range, Includes: Ref. 15

1шт.

15

3234708R1

BALL STUD

BALL - 10 mm

1шт.

16

1345716C1

SLIPPER

RAIL - 1st and 2nd shift

1шт.

17

1345715C1

SLIPPER

RAIL - 3rd and 4th shift

1шт.

18

A186578

BUSHING

- rear

2шт.

19

A186972

BUSHING

- sandwich plate

2шт.

20

A186518

SPACER

- detent

2шт.

21

129998

PLUG,1/2" - 20 ORB

Incl. Ref. 22 Hex Hd, 1/2"-20 ORB

2шт.

23

829-1310

NUT,M10, Cl 10

2шт.

24

1345713C1

BOLT,Hex, M10 x 45mm, Cone Pt

BOLT - hex, 10 mm x 45mm

1шт.

25

A186920

ARRESTER

DETENT - 1st and 2nd

1шт.

26

A186949

ARRESTER

DETENT - 3rd and 4th

1шт.

27

A190089

BRACKET

- interlock

1шт.

28

614-10030

BOLT,Hex, M10 x 1.5 x 30mm, Cl 8.8, Full Thd

Full Thd Hex, M10 x 30, 8.8

2шт.

29

896-12010

WASHER,11mm ID x 21mm OD x 2.5mm Thk

- flat, 11 x 21 x 2.5 mm, hardened

2шт.

30

A186962

PIN,10.1mm OD x 23.53mm L

- interlock

1шт.

31

828-12070

BOLT,Hex, M12 x 1.75 x 70mm, Cl 10.9

- hex, 12 - 1.75 x 70 mm, class 10.9

2шт.

32

896-12012

WASHER,13.5mm ID x 24mm OD x 3mm Thk

4шт.

33

829-1312

NUT,M12 x 1.75, Cl 10

- hex, 12 mm - 1.75, class 10

2шт.

34

1345714C1

BOLT,Hex, M10 x 30mm, Cone Pt

BOLT - hex, 10 mm x 30mm

1шт.

22

237-6005

O-RING,0.072" Thk x 0.414" ID, -905, Cl 6, 90 Duro

5-1, 90 Duro, .414" ID x .072" Thk

2шт.

Выбрано товаров: 34